✅作者简介:热爱数据处理、数学建模、仿真设计、论文复现、算法创新的Matlab仿真开发者。
🍎更多Matlab代码及仿真咨询内容点击主页 🔗:Matlab科研工作室
🍊个人信条:格物致知,期刊达人。
🔥 内容介绍
摘要: 电力系统谐波污染日益严重,严重影响电力设备的运行和使用寿命。有源滤波器(APF)作为一种有效的谐波治理手段,近年来得到了广泛的应用。其中,基于空间矢量调制(SVM)和同步参考框架(SRF)算法的分流有源滤波器因其快速响应、谐波抑制能力强等优点而备受关注。本文将深入探讨基于SRF算法的分流有源滤波器的工作原理、控制策略以及性能特点,并分析其在谐波抑制方面的优势和存在的挑战。
关键词: 有源滤波器;同步参考框架;空间矢量调制;谐波抑制;电力系统
1. 引言
随着电力电子技术的快速发展和非线性负载的广泛应用,电力系统中的谐波污染日益严重。这些谐波电流不仅会造成电力设备过热、效率降低,甚至可能引发系统谐振,危及电力系统的安全稳定运行。传统的无源滤波器虽然成本较低,但其体积庞大、谐波抑制能力有限,难以满足现代电力系统对谐波治理的高要求。相比之下,有源滤波器(APF)具有响应速度快、谐波抑制能力强、可灵活配置等优点,成为解决电力系统谐波污染问题的有效途径。
分流型有源滤波器直接连接在谐波源与电网之间,能够实时检测并补偿谐波电流,从而改善电网的电力质量。而基于SRF算法的分流APF,通过将谐波电流变换到同步旋转参考坐标系,简化了控制算法的设计,提高了系统的动态性能和抗干扰能力。本文将重点探讨基于SRF算法的分流APF的原理及应用。
2. 基于SRF算法的分流APF工作原理
基于SRF算法的分流APF主要由三个部分组成:谐波电流检测单元、控制单元和逆变器单元。
(1) 谐波电流检测单元: 该单元负责实时检测负载电流,并将其分解为谐波电流和基波电流。常用的检测方法包括傅里叶变换、小波变换等。然而,为了满足实时性要求,基于SRF算法的APF通常采用基于瞬时无功功率理论的检测方法。该方法通过对负载电流进行坐标变换,直接提取出谐波电流分量,从而提高了检测速度和精度。
(2) 控制单元: 控制单元是APF的核心部分,负责根据检测到的谐波电流生成相应的补偿电流指令,并控制逆变器产生相应的补偿电流。SRF算法是控制单元的关键技术。该算法将三相静止坐标系下的谐波电流变换到同步旋转参考坐标系,将三相交流量转换为直流量,从而简化了控制算法的设计。在同步旋转参考坐标系下,谐波电流成为直流分量,方便进行控制。常见的控制算法包括比例积分(PI)控制器、比例积分微分(PID)控制器等。通过调节控制器的参数,可以调整系统的动态性能和谐波抑制能力。
(3) 逆变器单元: 逆变器单元负责将控制单元生成的补偿电流指令转换成相应的电压指令,并驱动功率开关器件产生补偿电流注入电网,从而抵消负载产生的谐波电流。逆变器通常采用脉宽调制(PWM)技术,以实现对补偿电流的精确控制。空间矢量调制(SVM)作为一种先进的PWM技术,能够提高逆变器的效率和输出波形质量,常用于基于SRF算法的分流APF中。
3. SRF算法的优势与挑战
SRF算法在基于分流型APF的谐波抑制中展现出诸多优势:
-
简化控制算法: 将三相交流量转换为直流量,简化了控制器的设计,降低了控制算法的复杂度。
-
提高动态性能: SRF算法能够快速跟踪谐波电流的变化,提高了系统的动态响应速度,有效抑制快速变化的谐波电流。
-
增强抗干扰能力: 在同步旋转参考坐标系下,系统对电网电压波动和负载电流变化的敏感性降低,提高了系统的抗干扰能力。
-
精确的谐波补偿: 通过精确的谐波电流检测和补偿,可以有效抑制各种谐波成分,提高电网的电力质量。
然而,SRF算法也面临一些挑战:
-
同步问题: SRF算法需要精确的同步信号,才能保证坐标变换的准确性。如果同步信号存在误差,会导致补偿效果下降甚至出现谐波放大现象。
-
参数整定: 控制器的参数整定对系统的性能影响较大,需要根据具体的应用场景进行调整,这需要一定的专业知识和经验。
-
计算复杂度: 尽管SRF算法简化了控制算法,但仍然需要进行坐标变换和控制算法的计算,这会增加系统的计算负担,尤其是在处理高阶谐波时。
4. 结论与展望
基于SRF算法的分流有源滤波器是一种有效的谐波抑制技术,具有快速响应、谐波抑制能力强、抗干扰能力强等优点。它在电力系统谐波治理中具有广阔的应用前景。然而,为了进一步提高其性能和可靠性,还需要解决同步问题、参数整定问题以及计算复杂度问题。未来的研究可以集中在以下几个方面:自同步算法的研究、智能优化算法在参数整定中的应用以及基于DSP或FPGA的高性能控制器的开发等。 通过不断的研究和改进,基于SRF算法的分流APF必将为电力系统的谐波治理做出更大的贡献。
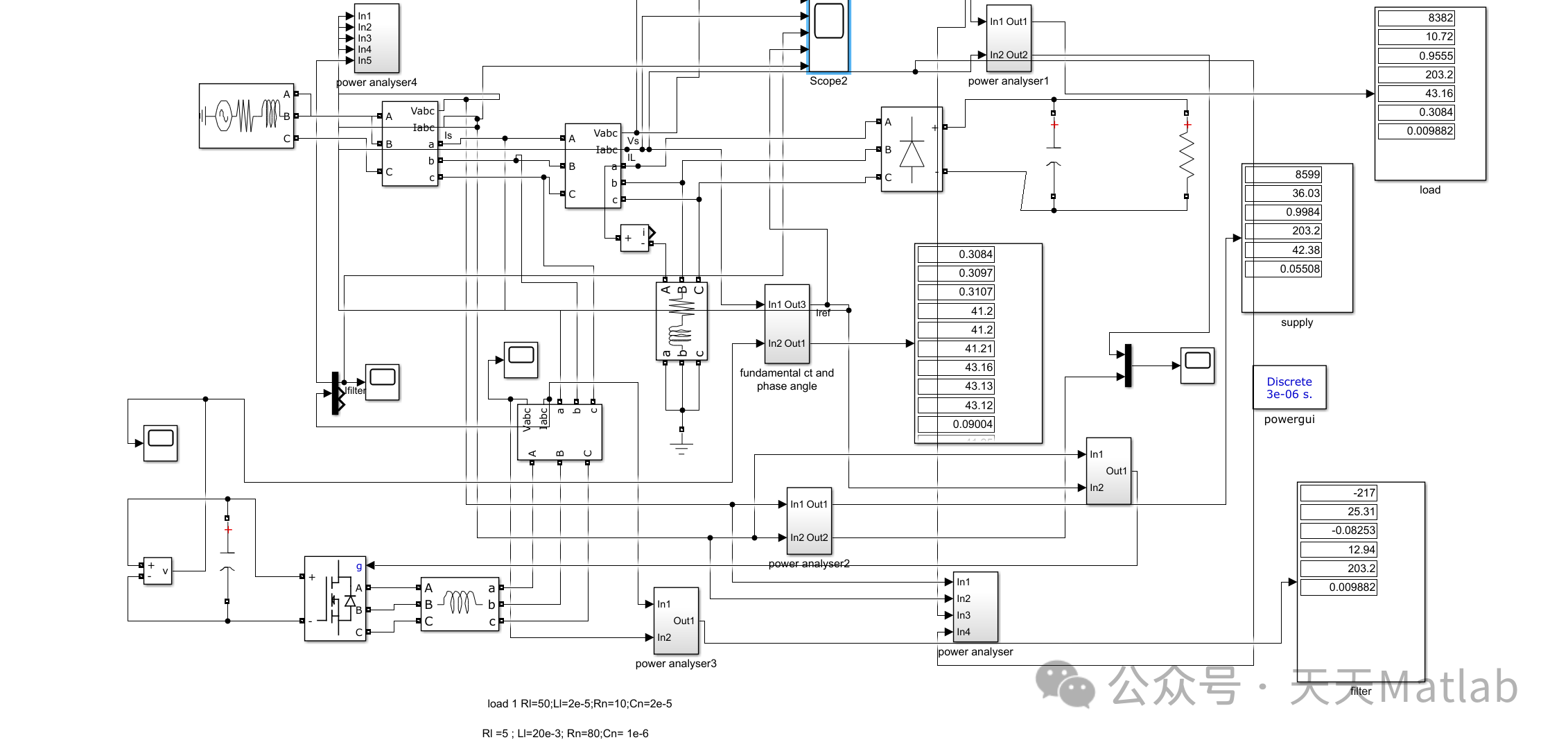
⛳️ 运行结果



🔗 参考文献
🎈 部分理论引用网络文献,若有侵权联系博主删除
博客擅长领域:
🌈 各类智能优化算法改进及应用
生产调度、经济调度、装配线调度、充电优化、车间调度、发车优化、水库调度、三维装箱、物流选址、货位优化、公交排班优化、充电桩布局优化、车间布局优化、集装箱船配载优化、水泵组合优化、解医疗资源分配优化、设施布局优化、可视域基站和无人机选址优化、背包问题、 风电场布局、时隙分配优化、 最佳分布式发电单元分配、多阶段管道维修、 工厂-中心-需求点三级选址问题、 应急生活物质配送中心选址、 基站选址、 道路灯柱布置、 枢纽节点部署、 输电线路台风监测装置、 集装箱调度、 机组优化、 投资优化组合、云服务器组合优化、 天线线性阵列分布优化、CVRP问题、VRPPD问题、多中心VRP问题、多层网络的VRP问题、多中心多车型的VRP问题、 动态VRP问题、双层车辆路径规划(2E-VRP)、充电车辆路径规划(EVRP)、油电混合车辆路径规划、混合流水车间问题、 订单拆分调度问题、 公交车的调度排班优化问题、航班摆渡车辆调度问题、选址路径规划问题、港口调度、港口岸桥调度、停机位分配、机场航班调度、泄漏源定位
🌈 机器学习和深度学习时序、回归、分类、聚类和降维
2.1 bp时序、回归预测和分类
2.2 ENS声神经网络时序、回归预测和分类
2.3 SVM/CNN-SVM/LSSVM/RVM支持向量机系列时序、回归预测和分类
2.4 CNN|TCN|GCN卷积神经网络系列时序、回归预测和分类
2.5 ELM/KELM/RELM/DELM极限学习机系列时序、回归预测和分类
2.6 GRU/Bi-GRU/CNN-GRU/CNN-BiGRU门控神经网络时序、回归预测和分类
2.7 ELMAN递归神经网络时序、回归\预测和分类
2.8 LSTM/BiLSTM/CNN-LSTM/CNN-BiLSTM/长短记忆神经网络系列时序、回归预测和分类
2.9 RBF径向基神经网络时序、回归预测和分类

被折叠的 条评论
为什么被折叠?



