
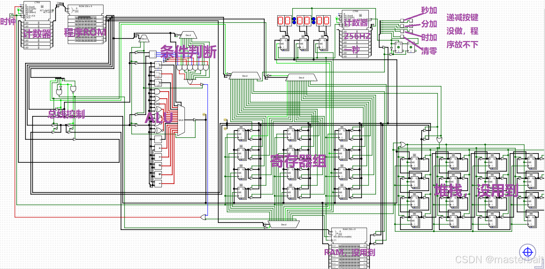
LOGISIM的时钟为什么不正确的,256HZ一秒不能走完一个计数器地址,所以走不到一秒,大概1Khz差不多一秒,按键可能采集速度过快了,按一下就加好几次,可以做啥电路吗?

程序读取计数器溢出信号用啥寄存器,凭感觉搞了2个D触发器才能用,原理也不是很了解,是不是要搞JK触发器。
v3.0 hex words addressed
00:
90 00 00 09 复制00到小时
90 00 00 0a 复制00到分钟
90 00 00 0b 复制00到秒
43 0f 80 00 将input&0x80保存到寄存器0
10:
43 0f 7f 01 将input&0x7f保存到寄存器1
60 00 80 08 寄存器0等于0x80?跳转到08地址
61 01 00 24 寄存器1不等于0x00?跳转到24地址
26 00 00 03 无条件跳转到步骤03
20:
43 0b 0f 00 将秒个位数保存到寄存器0
60 00 09 0c 寄存器0 等于0x09?跳转到0c地址
40 0b 01 0b 秒加1
26 00 00 03 无条件跳转到步骤03
30:
43 0b f0 0b 秒个位清零
60 0b 50 10 秒十位数 等于0x50?跳转到10地址
40 0b 10 0b 秒十位数加1
26 00 00 03 无条件跳转到步骤03
40:
43 0b 00 0b 秒清零
43 0a 0f 00 将分个位数保存到寄存器0
60 00 09 15 寄存器0 等于0x09?跳转到15地址
40 0a 01 0a 分加1
50:
26 00 00 03 无条件跳转到步骤03
43 0a f0 0a 分个位清零
60 0a 50 19 分十位数 等于0x50?跳转到19地址
40 0a 10 0a 分十位数加1
60:
26 00 00 03 无条件跳转到步骤03
43 0a 00 0a 分清零
60 09 23 22 小时等于0x23?跳转到22地址
43 09 0f 00 将小时个位数保存到寄存器0
70:
60 00 09 1f 寄存器0 等于0x09?跳转到1f地址
40 09 01 09 小时加1
26 00 00 03 无条件跳转到步骤03
43 09 f0 09 小时个位清零
80:
40 09 10 09 小时十位数加1
26 00 00 03 无条件跳转到步骤03
90 00 00 09 复制00到小时
26 00 00 03 无条件跳转到步骤03
90:
60 01 01 08 寄存器1等于0x01?跳转到08地址
60 01 04 11 寄存器1等于0x04?跳转到11地址
60 01 10 1a 寄存器1等于0x10?跳转到1a地址
60 01 40 00 寄存器1等于0x40?跳转到00地址
a0:
26 00 00 03 无条件跳转到步骤03
00 00 00 00
00 00 00 00
00 00 00 00
b0: 00 00 00 00 00 00 00 00 00 00 00 00 00 00 00 00
c0: 00 00 00 00 00 00 00 00 00 00 00 00 00 00 00 00
d0: 00 00 00 00 00 00 00 00 00 00 00 00 00 00 00 00
e0: 00 00 00 00 00 00 00 00 00 00 00 00 00 00 00 00
f0: 00 00 00 00 26 00 00 01 00 00 00 00 00 00 00 00
BUG还挺多的,频率搞慢点仔细看看,进位的时候,是个位数先变零,十位数再加一的,正常速度计算机处理飞快肉眼意识不到这个现象
Logisim-evolution

被折叠的 条评论
为什么被折叠?



