压水堆核电站汽轮机循环的热效率
作者:Valery Ochkov (http://twt.mpei.ac.ru/ochkov/v_ochkov.htm)
引言
本应用程序计算压水堆核电站中汽轮机循环的热效率。
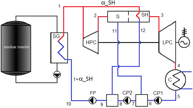
加压水从核反应堆(核电站一回路)流至蒸汽发生器,并将热量传递给二回路的沸水。饱和蒸汽从蒸汽发生器供应至汽轮机的高压缸。来自蒸汽发生器的新蒸汽的一部分进入过热器。在过热之前,来自高压缸的排汽在分离器中被部分干燥,分离出部分水分,然后绕过汽轮机的低压缸返回回路。
核电站的热力回路引入了一个化石燃料发电厂所没有的风险因素。在核电站中,如果将饱和蒸汽供给出口压力为5-4 kPa的汽轮机,则汽轮机末级的湿度将高得不可接受;这可能导致汽轮机故障。

水性质
开始
restart:
with(ThermophysicalData):
with(Units[Standard]):
水/蒸汽性质
作为压力和温度函数的水或蒸汽的比焓
wspTSP:=(P)→ Property(temperature,pressure=P,Q=1,water):
作为温度函数的饱和线上蒸汽的比焓
wspHSST:=(T)→Property(enthalpy,temperature=T,Q=1,water):
作为温度函数的饱和线上蒸汽的比熵
wspSSST:=(T)→Property(entropy,temperature=T,Q=1,water):
作为温度函数的饱和线上水的比焓
wspHSWT:=(T)→Property(enthalpy,temperature=T,Q=0,water):
作为压力函数的饱和线上水的比熵
wspSSWP:=(P)→Property(entropy,pressure=P,Q=0,water):
作为压力函数的饱和线上水的比焓
wspHSWP:=(P)→Property(enthalpy,pressure=P,Q=0,water):
作为压力和比焓函数的蒸汽干度
wspXSPH:=(P, H)→ Property(Q, pressure=P, enthalpy=H, water):
作为压力和温度函数的水或蒸汽的比焓
wspHPT:=(P,T)→Property(enthalpy,pressure=P,temperature=T,water):
作为压力和温度函数的水或蒸汽的比熵
wspSPT:=(P,T)→Property(entropy,pressure=P,temperature=T,water):
作为压力和温度函数的水或蒸汽的比容
wspXPS:=(P,S)→Property(Q,pressure=P,entropy=S,water):
作为温度和干度函数的水或蒸汽的比焓
wspHSTX:=(T,X)→Property(enthalpy,temperature=T,Q=X,water):
作为压力和比熵函数的水或蒸汽的温度
wspTPS:=(P,S)→Property(temperature, pressure=P,entropy=S,water):
作为压力和比熵函数的水或蒸汽的比焓
wspHPS:=(P,S)→Property(enthalpy,pressure=P,entropy=S,water):
作为压力和比焓函数的水或蒸汽的温度
wspTPH:=(P,H)→Property(temperature, pressure=P,enthalpy=H,water):
用于蒸汽膨胀和水压缩过程的函数
wspHEXPANSIONPPEFF:= proc( p0, p1, eff)
#作为初始点压力p0(饱和线)、终点压力p1和涡轮内效率eff的函数,蒸汽膨胀过程结束时蒸汽的比焓Llocal t0, h0, s0, s1, t1, x1, h1;
t0:= wspTSP(p0):
h0:= wspHSST(t0):
s0:= wspSSST(t0):
s1:= s0:
t1:= wspTSP(p1):
x1:= wspXPS(p1,s1):
h1:= wspHSTX(t1,x1):
return h0-(h0-h1)·eff
end proc:
wspHEXPANSIONPTPEFF:= proc( p0, t0, p1, eff)
#作为初始点压力p0(饱和线)、终点压力p1和泵内效率eff的函数,压缩过程结束时水的比焓
local h0, s0, s1, t1, x1, h1;
h0:= wspHPT(p0, t0):
s0:= wspSPT(p0, t0):
s1:= s0:
t1:= wspTPS(p1, s1):
if Property(PhaseString, pressure=p1, entropy=s1, water)="twophase"
then
x1:= wspXPS(p1, s1): h1:= wspHSTX(t1, x1)
else
h1:= wspHPT(p1, t1)
end if:
return h0-(h0-h1)·eff
end proc:
wspHCOMPRESSIONPPEFF:= proc(p0, p1, eff)
#作为初始点压力p0(饱和线)、终点压力p1和泵内效率eff的函数,压缩过程结束时水的比焓
local h0, s0, s1, h1;
h0:= wspHSWP(p0):
s0:= wspSSWP(p0):
s1:= s0:
h1:= wspHPS(p1, s1):
return h0 + (h1 - h0)/eff
end proc:
wspHCOMPRESSIONPTPEFF:= proc( p0, t0, p1, eff)
#作为初始点压力p0、初始点温度t0、终点压力p1和泵内效率eff的函数,压缩过程结束时水的比焓
local h0, s0, s1, h1;
h0:= wspHPT(p0, t0):
s0:= wspSPT(p0, t0):
s1:= s0:
h1:= wspHPS(p1, s1):
return h0 + (h1 - h0)/eff
end proc:
输入数据
p_1 := 6.2 MPa: # 高压缸入口饱和蒸汽压力
p_2 := 0.5 MPa: # 分离器入口湿蒸汽压力
p_4 := 4 kPa: # 冷凝器压力
t_3 := 250 deg C: # 低压缸入口蒸汽温度
p_10 := (1+0.05)·p_1: # 给水压力
η_i_HPC := 0.89: # 高压缸内相对效率
η_i_LPC := 0.86: # 低压缸内效率
η_i_p := 0.75: # 泵内效率
计算
高压缸入口蒸汽参数
t_1 := wspTSP(p_1): t_1 - 273.15 K;
277.7 °C (4.1)
h_1 := wspHSST(t_1);
2782.37 kJ/kg (4.2)
来自过热器水的比焓
hw_1 := wspHSWT(t_1);
1225.06 kJ/kg (4.3)
分离器入口蒸汽参数
t_2 := wspTSP(p_2): t_2 - 273.15 K;
151.8 °C (4.4)
hw_2 := wspHSWT(t_2);
640.1 kJ/kg (4.5)
s_2 := s_1: # 假设等熵?
h_2 := wspHEXPANSIONPPEFF(p_1, p_2, η_i_HPC);
2394.01 kJ/kg (4.6)
x_2 := wspXSPH(p_2, h_2);
83.20 % (4.7)
低压缸入口参数
p_3 := p_2:
h_3 := wspHPT(p_3, t_3);
2961.04 kJ/kg (4.8)
蒸汽在低压缸中膨胀过程终点的参数
t_4 := wspTSP(p_4): t_4 - 273.15 K;
28.96 °C (4.9)
h_4 := wspHEXPANSIONPTPEFF(p_3, t_3, p_4, η_i_LPC);
2298.68 kJ/kg (4.10)
x_4 := wspXSPH(p_4, h_4);
89.52 % (4.11)
冷凝器出口参数
h_5 := wspHSWP(p_4);
121.39 kJ/kg (4.12)
分离器中的抽汽份额

alpha_SH := solve(h_1*alpha_SH + h_2 = (1 - x_2)*hw_2 + alpha_SH*hw_1 + x_2*h_3, alpha_SH);
p_5 := p_4:
冷凝泵1出口水的比焓
h_6 := wspHCOMPRESSIONPPEFF(p_5, p_2, η_i_p);
122.01 kJ/kg (4.14)
冷凝泵2入口水的比焓
h_7 := solve(x_2·h_5 + (1-x_2)·hw_2 = 1·h_7, h_7);
208.52 kJ/kg (4.15)
冷凝泵2入口水温度
t_7 := wspTPH(p_2, h_7): t_7 - 273.15 K;
49.70 °C (4.16)
冷凝泵2出口水的比焓
h_8 := wspHCOMPRESSIONPTPEFF(p_2, t_7, p_1, η_i_p);
215.72 kJ/kg (4.17)
冷凝泵2出口水温度
t_8 := wspTPH(p_1, h_8): t_8 - 273.15 K;
50.25 °C (4.18)
给水泵入口水的比焓
h_9 := solve(α_SH · hw_1 + 1 · h_8 = (1 + α_SH) · h_9, h_9);
318.81 kJ/kg (4.19)
给水泵入口水温度
t_9 := wspTPH(p_1, h_9): t_9 - 273.15 K;
74.95 °C (4.20)
给水的比焓
h_10 := wspHCOMPRESSIONPTPEFF(p_1, t_9, p_10, η_i_p);
319.21 kJ/kg (4.21)
泵的比功
w_p := x_2 · (h_6 - h_5) + 1 · (h_8 - h_7) + (1 + α_SH) · (h_10 - h_9);
8.160 kJ/kg (4.22)
高压缸的比功
w_HPC := 1 · (h_1 - h_2);
388.4 kJ/kg (4.23)
低压缸的比功
w_LPC := x_2 · (h_3 - h_4);
551.1 kJ/kg (4.24)
蒸汽发生器的比热
q_SG := (1 + α_SH) · (h_1 - h_7);
2866.7 kJ/kg (4.25)
结论
因此,热效率为
η_T := (w_HPC + w_LPC - w_p) / q_SG;
32.49 %
Maple文件下载:https://www.maplesoft.com/applications/Detail.aspx?id=154033
压水堆核电站热效率计算
161

被折叠的 条评论
为什么被折叠?



