PWM逆变器
单脉冲RPWM逆变器
它是最简单的RPWM调制法,也是PWM脉宽调制的基础。
调制电路组成:调制波为方波,载波为三角波,通过将两者进行比较的方式产生单脉冲的脉宽调制信号。
调制比较点:三角波大于方波的时候,输出信号,这个逻辑关系成立的时间段,就是这一个脉冲宽度的长短值。
图示:
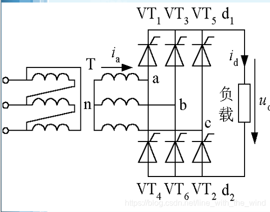
主电路:
调制比较波形图:
强调相关概念:
- 比较的两者的大小是幅值,来决定的输出,而不是看正负号的,这个正负号,只是决定的是那一边管子导通,从而,产生对应的正负的电压。
- 调制度:M=方波的幅值/三角波的幅值;范围在0到1之间;等价于输出的电压脉冲宽度在π到0之间变换。
负载输出电压ULU_LUL的谐波分析
基本点:从波形图中可以看出uLu_LuL的输出波形是对称于π2\frac{\pi}{2}2π轴,因此,在傅里叶级数中没有余弦项和偶次项,并且其恒定的分量A0=0A_0=0A0=0,所以,UL=∑n=1,3,5,...∝Um(n)sinnwtU_L=\sum_{n=1,3,5,...}^{\propto}U_{m(n)}sinnwtUL=n=1,3,5,...∑∝U

本文详细介绍了PWM逆变器的基本原理及其不同类型的特性,包括单脉冲RPWM逆变器、多脉冲RPWM逆变器及三相RPWM逆变器的工作方式与优缺点,特别分析了其在不同应用场景下的谐波特性和控制策略。
最低0.47元/天 解锁文章
902





