四开关 buck-boost 双向DCDC matlab simulink仿真 (1)该模型采用 matlab/simulink 2016b 版本搭建,使用matlab 2016b及以上版本打开最佳 (2)该模型已经代为转换到各个常用版本 【算法介绍】 (1)采用三模式调制方式; (2)外环电压环采用PI控制,内环电流环采用PI控制; (3)利用电池作为充放电对象(负载),亦可自行改成纯电阻; (4)一共6个仿真文件: 固定输入24V,分别输出12V,24V,36V;(三个) 分别输入12V,24V,36V,固定输出24V

最近在研究电源管理相关内容时,接触到了四开关 buck - boost 双向DCDC的Matlab Simulink仿真,感觉还挺有意思,和大家分享一下。
一、仿真模型版本兼容性
这个模型搭建用的是Matlab/Simulink 2016b版本,建议大家用2016b及以上版本打开,体验最佳。不过不用担心,模型已经贴心地转换到了各个常用版本,不管你用的是什么版本,基本都能顺利打开进行研究。
二、算法介绍
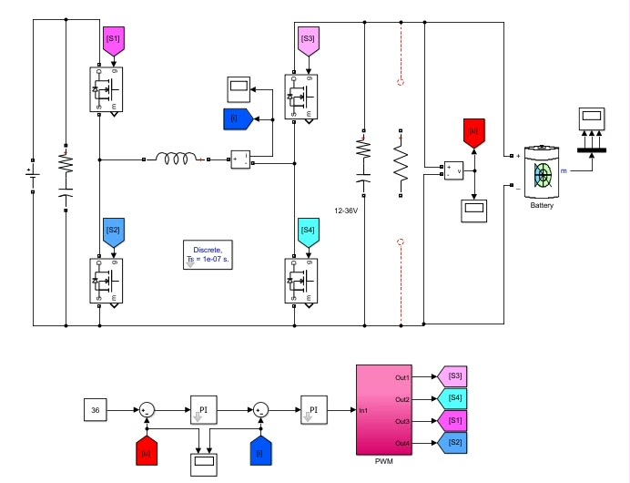
1. 三模式调制方式
三模式调制方式为整个系统的稳定运行提供了多种策略选择。它可以根据不同的工况和需求,灵活切换调制模式,从而实现高效的功率转换。虽然具体代码这里不详细展开,但简单理解就是通过对不同控制信号的逻辑组合,来决定电路的工作模式,确保在各种情况下都能以最优方式运行。
2. 双环PI控制
外环电压环采用PI控制,内环电流环也采用PI控制。PI控制算法在电力电子领域应用非常广泛,它能够有效减小稳态误差,提高系统的稳定性和动态响应性能。

来看一段简单的外环电压环PI控制的Matlab代码示例(简化示意):
% 定义PI参数
kp = 0.5;
ki = 0.1;
% 初始化变量
error_sum = 0;
previous_error = 0;
% 假设当前采样得到的电压值
measured_voltage = 20;
% 目标电压值
reference_voltage = 24;
% 计算误差
error = reference_voltage - measured_voltage;
% 积分项
error_sum = error_sum + error;
% PI控制输出
control_signal = kp * error + ki * error_sum;
在这段代码中,kp和ki分别是比例系数和积分系数,通过调整这两个参数,可以优化PI控制器的性能。measuredvoltage是当前采样到的实际电压值,referencevoltage是我们期望达到的目标电压值。通过计算两者差值error,进而得到比例项kp error和积分项ki errorsum,最终输出控制信号controlsignal,用于调节电路,使实际电压尽可能接近目标电压。

内环电流环PI控制原理类似,只不过是对电流进行控制,保证电流在期望的范围内,从而确保系统的稳定性和可靠性。
3. 负载选择多样性
该模型利用电池作为充放电对象(负载),当然,你要是有特殊需求,也可以自行改成纯电阻。这种灵活性在实际应用中非常实用,比如在模拟不同用电场景或者研究不同负载特性对电路的影响时,就可以轻松切换。
三、仿真文件
模型一共包含6个仿真文件,从输入输出的角度进行了详细分类。
- 固定输入24V,分别输出12V,24V,36V:这三个文件可以帮助我们研究在固定输入电压为24V的情况下,如何通过控制电路实现不同的输出电压。通过对这些仿真结果的分析,可以深入了解电路在不同降压和升压需求下的工作特性。
- 分别输入12V,24V,36V,固定输出24V:这三个文件则是从另一个角度出发,研究不同输入电压时,怎样调整控制策略来保证输出电压稳定在24V。
总的来说,这个四开关 buck - boost 双向DCDC的Matlab Simulink仿真模型,无论是对学习电力电子的初学者,还是对有一定经验的工程师来说,都是一个非常好的研究和实践素材。大家可以根据自己的需求,深入挖掘其中的细节,相信会有不少收获。

希望以上内容对大家有所帮助,欢迎一起交流讨论~





四开关Buck-Boost双向DCDC仿真
256

被折叠的 条评论
为什么被折叠?



