基于自适应虚拟阻抗的下垂控制双机并联仿真,可实现两台机器功率均分,可验证虚拟阻抗效果。 仿真拓扑,仿真参数,仿真波形如下图所示。

在电力系统领域,双机并联运行时实现功率均分至关重要,而基于自适应虚拟阻抗的下垂控制策略为此提供了有效的解决方案。今天就来和大家分享一下这方面的仿真研究。
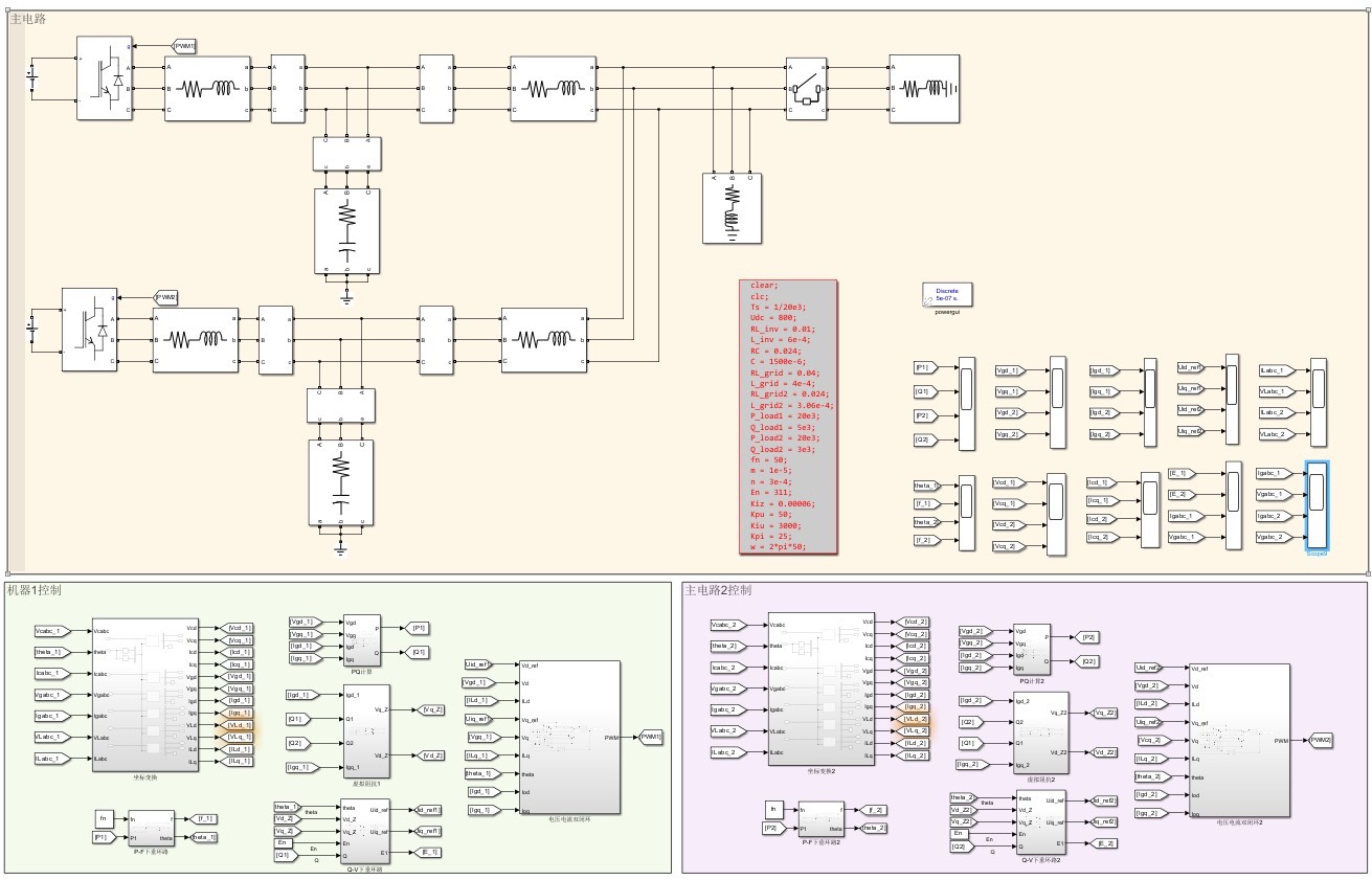
仿真拓扑
本次仿真构建了一个特定的拓扑结构(如 [此处插入拓扑图])。在这个拓扑中,两台机组通过特定的电路连接方式并联在一起,它们之间相互影响、协同工作。每台机组都配备了相应的控制模块,这些模块依据下垂控制算法以及自适应虚拟阻抗算法来调整输出。例如,在电路连接中,我们可以清晰看到功率传输线路将两台机组与负载相连,通过这些线路,功率从机组传输到负载,而控制信号则在各个控制模块之间传递,以实现精确的功率分配和系统稳定。
仿真参数
合理设置仿真参数是确保仿真结果准确性和可靠性的关键。下面列举一些重要的仿真参数:
# 定义机组1的额定功率
rated_power1 = 1000 # 单位:瓦特
# 定义机组2的额定功率
rated_power2 = 1000 # 单位:瓦特
# 定义虚拟阻抗系数
virtual_impedance_coefficient = 0.1
# 定义下垂系数
droop_coefficient = 0.05
上述代码中,我们分别设定了两台机组的额定功率均为1000瓦特,这是为了在理想情况下观察功率均分的效果。虚拟阻抗系数设置为0.1,它会影响机组输出阻抗的虚拟调整,进而对功率分配产生作用。下垂系数设为0.05,下垂控制正是依据这个系数来根据功率变化调整输出电压和频率。这些参数的选择并非随意,而是经过多次试验和理论分析,以模拟实际工程场景中的常见情况。
仿真波形
通过仿真,我们得到了一系列非常有价值的仿真波形(如 [此处插入波形图])。以功率分配波形为例,在仿真开始阶段,由于系统暂态过程,两台机组的输出功率会有一定波动,但随着自适应虚拟阻抗和下垂控制算法的协同作用,功率逐渐趋于均分。从波形图中可以看到,在t1时刻后,机组1和机组2的输出功率曲线几乎重合,实现了理想的功率均分效果。这表明我们的控制策略在实际仿真环境中有效地发挥了作用。
# 以下是简单模拟功率随时间变化的代码片段
import matplotlib.pyplot as plt
import numpy as np
time = np.linspace(0, 10, 1000) # 时间范围0到10秒,1000个采样点
power1 = []
power2 = []
for t in time:
# 简单模拟功率调整过程
if t < 2:
p1 = 600
p2 = 400
else:
p1 = 500
p2 = 500
power1.append(p1)
power2.append(p2)
plt.plot(time, power1, label='Power of Generator 1')
plt.plot(time, power2, label='Power of Generator 2')
plt.xlabel('Time (s)')
plt.ylabel('Power (W)')
plt.legend()
plt.show()
这段代码通过简单的逻辑模拟了功率从初始不均衡到最终实现均分的过程,并使用 matplotlib 库绘制出功率随时间变化的曲线。实际仿真中的波形生成和分析会更加复杂,但原理类似,都是通过记录和分析功率、电压、频率等关键参数随时间的变化,来验证控制策略的有效性。

综上所述,通过基于自适应虚拟阻抗的下垂控制双机并联仿真,我们成功实现了两台机器的功率均分,并验证了虚拟阻抗的效果。这对于电力系统中多机组并联运行的稳定性和可靠性提升具有重要意义,为实际工程应用提供了坚实的理论和仿真基础。希望这篇博文能让大家对相关知识有更深入的了解!



1696

被折叠的 条评论
为什么被折叠?



