4 存储器映像
图9 存储器图
5 .电气特性
5.1测试条件 除非特别说明,所有电压的都以VSS为基准。
5.1.1 最小和最大数值 除非特别说明,在生产线上通过对100%的产品在环境温度TA=25°C和TA=TAmax下执行的测试 (TAmax与选定的温度范围匹配),所有最小和最大值将在最坏的环境温度、供电电压和时钟频率条件 下得到保证。 在每个表格下方的注解中说明为通过综合评估、设计模拟和/或工艺特性得到的数据,不会在生产线 上进行测试;在综合评估的基础上,最小和最大数值是通过样本测试后,取其平均值再加减三倍的 标准分布(平均±3∑)得到。
5.1.2 典型数值 除非特别说明,典型数据是基于TA=25°C和VDD=3.3V(2V ≤ VDD ≤ 3.3V电压范围)。这些数据仅用于设 计指导而未经测试。 典型的ADC精度数值是通过对一个标准的批次采样,在所有温度范围下测试得到,95%产品的误差 小于等于给出的数值(平均±2∑)。
5.1.3 典型曲线 除非特别说明,典型曲线仅用于设计指导而未经测试。
5.1.4 负载电容 测量引脚参数时的负载条件示于图10中。
图10 引脚的负载条件

5.1.5 引脚输入电压 引脚上输入电压的测量方式示于图11中。
图11 引脚输入电压
5.1.6 供电方案
图12 供电方案
注:上图中的4.7μF电容必须连接到VDD3。
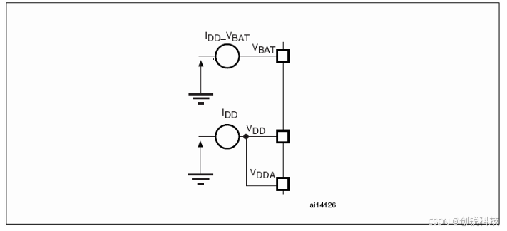
5.1.7 电流消耗测量 图13 电流消耗测量方案
5.2 绝对最大额定值 加在器件上的载荷如果超过’绝对最大额定值’列表(表6、表7、表8)中给出的值,可能会导致器件永久 性地损坏。这里只是给出能承受的最大载荷,并不意味在此条件下器件的功能性操作无误。器件长 期工作在最大值条件下会影响器件的可靠性。
5.3 工作条件
5.3.1 通用工作条件

5.3.2 上电和掉电时的工作条件
下表中给出的参数是在一般的工作条件下测试得出。
表10 上电和掉电时的工作条件
5.3.3 内嵌复位和电源控制模块特性
下表中给出的参数是依据表9列出的环境温度下和VDD供电电压下测试得出。
表11 内嵌复位和电源控制模块特性
1644

被折叠的 条评论
为什么被折叠?



