流动聚焦微流控或干细胞双层液滴微封装
摘要
干细胞治疗因其在组织再生方面对损伤、癌症或其他健康问题的治疗效果而闻名。该方法需要特殊的技术手段,因为必须将干细胞保持在能够控制其活性和优势的特定环境中。微封装便是其中一种技术。本研究旨在提出利用微流控芯片实现干细胞微封装,以实现对封装细胞尺寸的控制。选择微流控技术是因为其能够精确控制封装细胞的尺寸。干细胞将被封装在双层结构中,以增强其在人体内的保护性,其中第一层为海藻酸钠+钙,第二层为聚乙二醇(polyethylene glycol)。然而,本文将重点研究流动聚焦微流控通道中细胞微封装的模拟,因为流动聚焦微流控通道已被证实可生成理想的用于细胞封装的微液滴。通过使用计算流体动力学软件,采用流体体积法进行多相计算来处理微液滴。主相为水,第二相为油。计算流体力学模拟结果表明,成功生成了目标液滴。因此,本文可作为干细胞双层微封装研究方案的第一步。
Keywords: 液滴,微流控技术,干细胞
引言
基于干细胞的治疗已成为组织再生的一种新方法。该方法通过将干细胞移植到受损部位,以生成新的组织,治疗组织和器官损伤。由于干细胞具有自我更新和多向分化的能力,且不存在伦理问题,因此被广泛使用[1]。为了维持干细胞在靶向组织中的分化能力和活性,提供三维(3D)的体内和体外环境至关重要。因此,可通过微封装技术实现这一目标。
干细胞微封装是一种将活细胞包裹在三维半透性水凝胶基质中的方法,广泛用于构建理想的三维环境。细胞封装通过悬浮细胞的液态材料[2]的固化来实现。该方法是众多常见封装方法之一,因其稳定性而便于使用,只需将海藻酸盐水凝胶从注射器滴入氯化钙溶液[3]中即可。然而,这种方法仍存在难以控制封装尺寸的缺点。因此,选择微流控技术来生成微胶囊。
微流控技术是一种利用微尺度环境(如微通道)来操控流体流动的技术[4]。此外,微流控技术可对样品和试剂进行过滤、混合、液体处理以及加热[5-8]。因此,精确控制环境、尺寸和器件结构对于各种微封装条件非常有利[9]。有两种可用于生成尺寸可控的液滴微胶囊的通道几何结构,即T型结和流动聚焦法。
一方面,T型结的通道相互垂直交叉。液滴的尺寸受流量或通道尺寸的影响,或受相对黏度[10–12]变化的影响。另一方面,流动聚焦法具有一个狭窄区域,允许分散相和连续相通过。
Whulanza 等人的先前研究表明,聚二甲基硅氧烷(polydimethylsiloxane)微流控技术可成功用作神经干细胞的刺激式生物反应器,并作为芯片肺的第一阶段实现。此外,本研究旨在提出利用聚二甲基硅氧烷微流控技术通过双重乳液实现干细胞双层包封,其中第一层为海藻酸钠和氯化钙,第二层为聚乙二醇(PEG)。
双层液滴有望提供额外保护,第一层用于容纳细胞营养,第二层则作为细胞的保护层。Nurhayati 等人的最近研究已成功实现了以海藻酸钠和壳聚糖进行双层微封装。[15]此外,Choi 等人已证明可通过一步生成微流控通道实现双层液滴。该方法能够基于微流控技术在微观尺度上操控细胞,并利用明胶甲基丙烯酰(gelMA)和PEG观察细胞在微凝胶基质中的长期功能。[16]本研究选择海藻酸钠加氯化钙和PEG,是因为海藻酸钠是一种来源于褐藻的多糖,因其良好的生物相容性而常用于封装。通过氯化钙交联海藻酸盐水凝胶链,可获得足够的微胶囊机械强度,且该交联过程对细胞相对安全。[18]选择PEG作为外层保护材料,是因为其不具备生物降解性[19-20]。尽管壳聚糖可用于双层微胶囊,但由于其常含有来自虾的杂质和未知蛋白质,可能对患者造成伤害,因此未被选用。[21]。
然而,本文仅展示流动聚焦微通道的模拟,作为双层微胶囊化干细胞的第一步。该模拟由计算流体动力学软件完成。
方法
在未来工作中,微封装将通过实验方法实现。微流控通道将以特定方式设计,结合T型结与流动聚焦结构来生成双层微封装。本文中,微封装是通过使用流动聚焦微流控通道的计算流体力学模拟生成的。
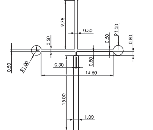
流动聚焦通道的尺寸如图1所示。该尺寸设计考虑了在实验室中制造的可行性。该设计在CAD软件中完成,并作为计算流体力学软件的输入。由于海藻酸钠+ Ca并选择了聚乙二醇,因此采用多相模拟。在此模拟中,材料为油和水。在网格划分过程中,对每个入口和出口进行了名称选择。
网格划分过程是使用0.001毫米的网格尺寸和高质量完成。该几何体被划分为205478个单元。网格划分过程完成后,选择仿真设置和边界条件。在此阶段,选择基于压力、层流模型和体积分数。表面张力设置为0.05牛/米,这是油和水之间表面张力的标称值[22]。接触角设置为135度,适用于疏水表面[23]。
对于材料,水的密度和粘度采用默认设置,因为这些参数已在软件数据库中提供;而油的参数则手动输入,密度为840千克/米³,粘度为0.07719千克/米·秒[24]。
在边界条件菜单中,油入口的速度设置为0.01米/秒,油体积分数标称值为1。速度由以下方程确定:
$$ Q = V \cdot A $$
指定泵的流量为0.45毫升/分钟,入口直径为0.5毫米。
下一步是初始化计算。初始化后,计算过程设置为全局库朗数5。
结果
图3显示了生成的液滴。出口尺寸为1毫米,表明液滴尺寸小于通道。然而,存在第二个液滴粘附在第一个形成的液滴上的现象。由于这是一种非期望状态,因此将接触角设置得更小至120[25]。标称值仍在聚二甲基硅氧烷等疏水表面的范围内。
图4显示了接触角变为120后的结果。液滴成功生成,彼此之间没有发生粘连。尽管液滴周围存在微气泡,但在未来工作中将对此问题进行更细致的观察。
然而,乌托莫,M.S. 在聚二甲基硅氧烷经过紫外线和光引发剂处理后测量了接触角 [25]。该处理方法将作为本研究实验阶段的未来参考。此外,根据卢鹏等的研究,油和水之间的界面张力也必须彻底确定,因为它明显影响液滴的尺寸控制。较低的界面张力值可预期减小液滴尺寸和生成速率。反之亦然 [26]。本研究采用了较高的界面张力值,参考自霍尔姆等 [22],因此,为了更准确地改变和控制液滴尺寸,必须关注界面张力。
结论与未来工作
根据计算流体力学结果,具有指定通道尺寸的聚二甲基硅氧烷微流控能够生成用于干细胞微封装的液滴。它达到了目标尺寸。这也证明了计算流体力学模拟可作为设计基于微流控通道的干细胞微封装的首要方法。
在未来的工作中,微流控通道将被改进,使其包含T型结和流动聚焦两种类型,以一步生成双层液滴。
如图5所示,通过使用紫外线处理PDMS表面或在实验阶段遵循PDMS表征方法,可实现120度接触角[25][27]。此外,还将考察实际使用的油和水之间的界面表面张力。
最后,预期的双层微封装结果如图6所示。

被折叠的 条评论
为什么被折叠?



