
莱娜图,很出名的一张图。
在踏入服务器行业之前,接触过一段时间视频编码,所以一直对图像处理感兴趣。研究BMC的时候,多少还派上用场了。正好有人咨询,就说说自己了解到的。
大家都知道BMC芯片具有KVM over IP(Keyboard-Video-Mouse over IP)功能,其中要把服务器界面显示的图像传递到远端客户端电脑上,实现客户端的实时查看。这是要通过IP网络传输,BMC有个百兆NCSI和千兆专用网口,受网络带宽影响,无法传输大量视频数据,所以要对所传输的视频图像进行压缩。当前主流产品是在BMC中使用JEPG压缩方式,我也考虑能否用H.264/265等方式呢
标准的JPEG如下:

图像一帧以原始YUV送进来,切成8x8的小块,然后依次进行浮点数的DCT变换,量化,霍夫曼编码过程,得到压缩后的JPEG图像。可以看到,JPEG压缩过程自始至终都是一条直直的通路,没有环路。
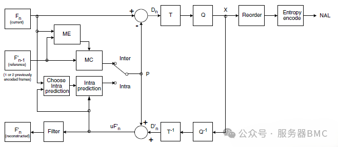
H.264编码如下:

直观感觉,H.264压缩过程有了环路,多了帧内预测模块可以预估当前块
BMC芯片视频编码技术解析

最低0.47元/天 解锁文章
2975

被折叠的 条评论
为什么被折叠?



