CPU的功能
CPU中包括运算器和控制器。运算器是对数据进行加工,其功能为以下的4;控制器是协调并控制计算机各部件执行程序的指令序列,功能为1、2、3、5
CPU的功能:
1.指令控制:取指令、分析指令、执行指令
2.操作控制:CPU从内存中取出每条指令的操作信号,把每个信号发送给相应的部件
3.时间控制:要为每条指令按时间顺序提供应有的控制信号。
4.数据加工:算术和逻辑运算。
5.中断处理:对计算机运行过程中出现的异常情况和特殊情况请求进行处理。
运算器的基本结构
1、 算术逻辑运算单元ALU(Arithmetic and Logic Unit)
ALU主要完成对二进制数据的定点算术运算(加减乘除)、逻辑运算(与或非异或)以及移位操作。在某些CPU中还有专门用于处理移位操作的移位器。
2、通用寄存器组
主要用来保存参加运算的操作数和中间结果。
在通用寄存器的设计上,RISC与CISC有着很大的不同。CISC的寄存器通常很少,主要是受了当时硬件成本所限。比如x86指令集只有8个通用寄存器。所以,CISC的CPU执行是大多数时间是在访问存储器中的数据,而不是寄存器中的。这就拖慢了整个系统的速度。而RISC系统往往具有非常多的通用寄存器,并采用了重叠寄存器窗口和寄存器堆等技术使寄存器资源得到充分的利用。
那么通用寄存器与ALU是如何沟通的呢?
1.专用数据通路方式。
这种方式基本不存在数据冲突现象,但是结构复杂,硬件量大,不易实现。
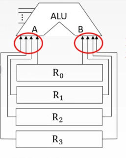
如图:

但是如果直接用导线就会导致多个寄存器一直同时向ALU传输数据。
可以采用多路选择器,根据控制信号选择一路输出。

也可以采用三态门,控制某一路是否输出。

2.CPU内部总线方式
将所有寄存器的输入端和输出端都连接到一条公共的道路上,这样结构简单,容易实现,但数据传输存在较多的冲突,性能较低。


如图:每个通用寄存器有两个通路连接到总线,当为1的时候,总线可以向通用寄存器传输数据,三态门用来控制通用寄存器向总线传输数据.
ALU的两根线连接到总线,为了使AB两端的数据不同,一端使用了暂存寄存器,比如:两个操作数分别来自主存和R0,从主存中取来的操作数直接放入暂存器,就不会劈坏R0的内容。
控制器的基本结构

总结:

橙色的是用户可见部分,我们可以对这部分进行编程。

CPU主要包括ALU、寄存器、CU、中断系统四个部分
本文介绍了CPU的主要组成部分及其功能,包括运算器(ALU)和控制器的结构与工作原理。详细阐述了运算器如何进行数据处理及控制器如何协调计算机各部件执行指令。
1581





