IP的定义
1.当前唯一的网络层协议标准。
2.定义数据网络层的封装方式、编址方法。
交换机:用来连接同一网段的PC设备。
路由器:用来连接不同网段的设备,路由器每一个接口需要不同网段。
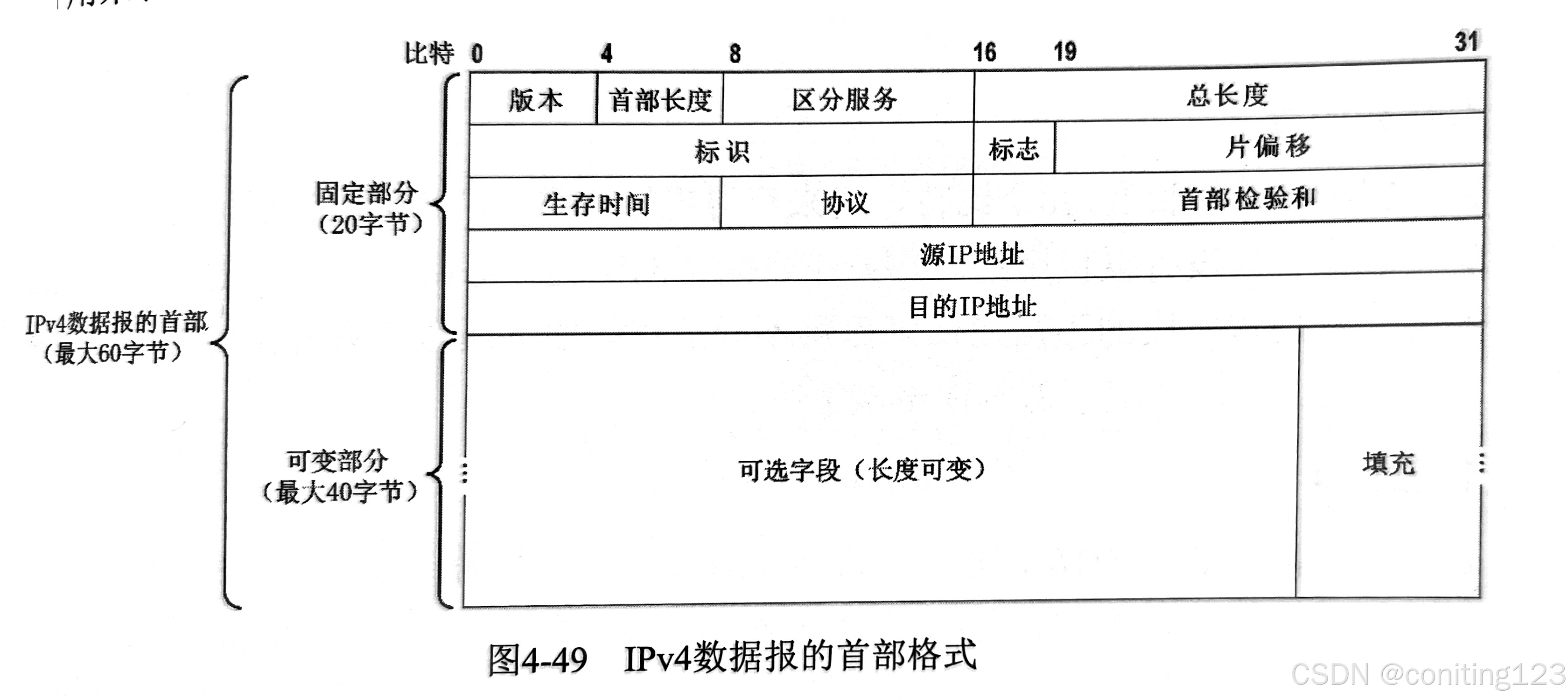
※IP头部的封装格式


Version:版本号,标识封装的是IPv4还是IPv6
IHL:头部长度,描述数据包头的内容长度
Type of Service:服务类型,标识DSCP或IP优先级,用于QOS识别
Total Length:数据包总长度
Identification:标识符,标识分片来自那个数据包
Flags:标志,包含保留、标识数据包是否禁止分片、标识是否为最后一个分片
Fragment Offset:片偏移,描述该分片在数据包中的位置
Time to Live:TTL生存时间,该分片在数据包中的位置、数据包每经过一台路由器,TTL-1
Protocol:协议,用于标识上层的协议类型
Header Checksum:头部校验和,用于头部信息差错校验
Source Address:源IP地址
Destination Address:目的IP地址
Options:可选项
Padding:填充
IP地址和地址映射
1.定义
网络层地址
2.格式
32位,点分十进制。由主机位+网络位组成,网络位长度和数字完全一致的地址属于同一网段。
※3.分类
IP地址分类用来划分不同的网络规模
A:1.x.x.x-126.x.x.x
前8位为网络位,后24位为主机位
B:128.x.x.x-191.x.x.x
前16位为网络位,后16位为主机位
C:192.x.x.x-223.x.x.x
前24位为网络位,后8位为主机位
D:224.x.x.x-239.x.x.x
组播地址,不能配置为主机地址
E:240.x.x.x-255.x.x.x
科研用地址,不对外公放
特殊的IP地址
1)127.x.x.x 本地环回地址,用于标识本机。
2)主机位全0的地址:网络地址,用于标识某个网段
3)主机位全1的地址:本网段广播地址
4)255.255.255.255:全网广播地址
5)0.0.0.0:任意IP地址
公网/私网地址
公网地址:可以再互联网上寻找的地址,全球唯一,需要运营商分配
私网地址:可以随意使用,无法在互联网上寻址
地址范围:
A类:10.x.x.x
B类:172.16.x.x-173.31.x.x
C类:192.168.x.x
自动私有地址
运行商专用私有地址:100.64.x.x-100.127.x.x
基于IP衍生出的协议
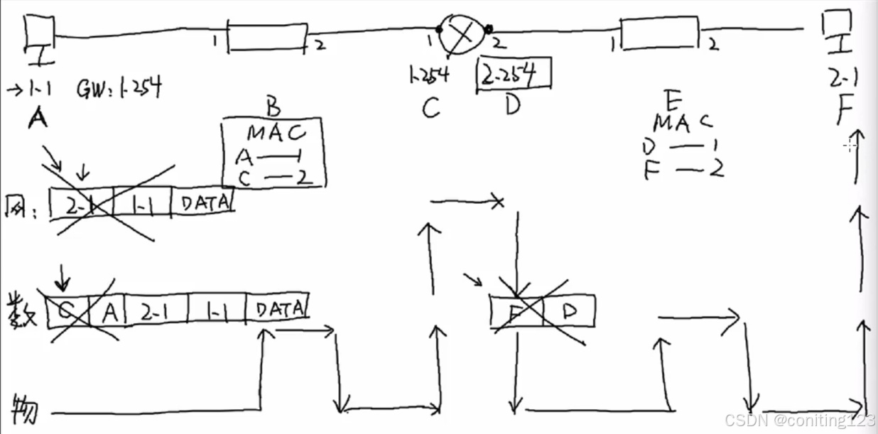
ARP协议(广播请求,单播回应)
定义:地址解析协议,将IP地址解析为MAC地址。如果没有ARP协议,同网段的设备不能互通,无法完成同网段mac地址通信。
工作原理:
1.A主机以广播的形式发送ARP查询请求,询问B主机IP对应的MAC地址。
2.B主机以单播形式回复A主机本机MAC地址。
3.A主机把B主机的IP地址和MAC地址记录到ARP缓存表中。
相关命令:
查询缓存 arp -a
清空缓存 arp -d
RARP协议
定义:逆向地址解析协议,用于根据本机自己MAC地址,查询本机自己的IP地址。
ICMP协议
ping:测试网络连通性。
tracert:路由跟踪,H3C设备初始状态不开启路由跟踪,需要ip ttl-expires enable 或 ip unreachables enable开启。
IP数据转发原理
工作流程:如果目的IP和本机IP属于同一网段,会直接查询目的IP的MAC地址,并进行封装。如果目的IP和本地Ip不属于同一网段,会查询网关IP地址和MAC地址,并进行封装。

网关
本网段出口的IP地址。
6587

被折叠的 条评论
为什么被折叠?



