1.草图基础
绘制直线,圆,矩形和其他图形并学会标注尺寸
欠定义,完全定义的意思解释
练习题:绘制下面图形并标注尺寸

例题2:

2.零件图
学会阵列,拉伸凸台,拉伸切除等特征命令

学会异型孔向导,倒角,等命令。

倒角C1表示:要进行1毫米的45度倒角
倒角C0.3表示:要进行0.5毫米的45度倒角
3.装配体
万向节摇臂

往复式齿轮运动机构

4.工程图
一. 设置工程图模板
二. 绘制工程图
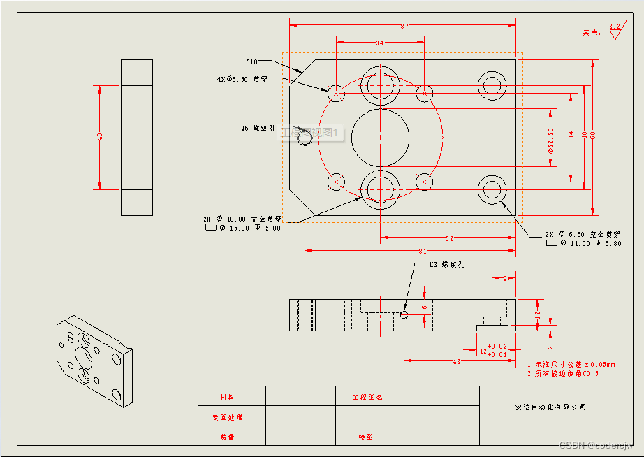
绘制此零件的工程图
工程图如下:

绘制此零件的工程图
工程图如下:
本文介绍了基础草图绘制技巧,包括直线、圆等图形绘制以及尺寸标注。进一步讲解了零件图中的阵列、拉伸等命令和倒角技术,以及装配体设计如万向节摇臂和齿轮机构。还涵盖了工程图的设置与绘制实例。
绘制直线,圆,矩形和其他图形并学会标注尺寸
欠定义,完全定义的意思解释
练习题:绘制下面图形并标注尺寸

例题2:

学会阵列,拉伸凸台,拉伸切除等特征命令

学会异型孔向导,倒角,等命令。

倒角C1表示:要进行1毫米的45度倒角
倒角C0.3表示:要进行0.5毫米的45度倒角
万向节摇臂

往复式齿轮运动机构

一. 设置工程图模板
二. 绘制工程图
绘制此零件的工程图
工程图如下:

绘制此零件的工程图
工程图如下:

被折叠的 条评论
为什么被折叠?