1.可以用这个来打过孔,以前是用草图大0.5来打孔

2.把螺母整理成块,想要用时,直接拿出来就可以了。

3.防跑偏滚筒设计

4.防跑偏设计(中间的平整部分应该占三分之二,也就是65%的位置),另外那两个瘦小的部分一般是与平整部分成1.5到2度的角度。

5.这个可要可不要,对于不熟悉的供应商最好还是加一下这个符号。

6.钣金加上这个折弯可以增加强度

7.平头螺丝用这个打的

8.怎么刻字,先草图写文字,再用包覆-刻蚀0.2mm

9.这种皮带想要多长就可以多长,传送皮带一般1.2mm厚,同步带一般2mm厚

10.这是显示屏与放显示屏的大小。



11. 链轮是大工程师生成的,出图时 只需要知道节距和齿数就行,还要加上齿面淬火hc55-60.其余就是把键槽和孔大小还有整体宽度标注好就行。
12.

13.怎么样把设备的cad拿到方案图里面去,先保存设备的dwg格式,用cad打开,输入B(制作块),输入名称,点击确定,然后复制这个设备,粘贴到方案图里面去,先粘贴到一边,看看设备是不是1:1的比例,如果是的,那么就可以移动和旋转来将设备放到方案图的指定位置上面去。输入dli,看看设备长度是不是原来的长度,如果不是,那么缩放了几倍,再用cad的缩放功能复原。
14.我想要一竖排数据都乘以一个数,要怎么操作excel

15.链轮工程图,记得加上:节距和齿数,一般处理为45#钢,发黑,齿面淬火hc55-60.

16.齿轮记得加上 :模数,齿数,齿形角,齿面淬火hc55-60.

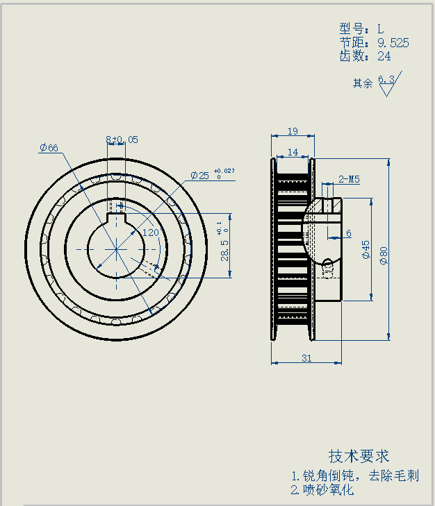
17.同步轮一般是AL6061,喷砂阳极,要知道型号,节距,齿数就可以了。

18.标准法兰座出图,注意公差,很重要,两个圆孔就必须要标注圆轴度,一般为0-3丝或者0-5丝。

1.如何判断螺纹旋向?
沿轴线垂直放置螺纹,左端旋线高于右端为左旋,反之为右旋。
2.左旋螺纹:必须在标记末尾添加"LH" 右旋螺纹:默认不标注旋向
3.左旋螺纹:常用于防止松动场景(如旋转部件连接、自行车踏板等)
4.右旋螺纹:占螺纹标准件的90%以上,默认不标注时均为右旋。
5.配打孔时,点击有外部参考,只要打孔就会完全定义,这时候,孔的位置会随着配合的孔的位置变化,如果点击无外部参考,那么配合打完孔后,需要自己重新标注孔的尺寸,然后孔才会变成完全定义。两种方法都可以,看自己喜欢哪一种。尽量用无外部参考,因为这样不容易出错。
如果用有外部参考,那么孔就必须先定好位置不能发生移动,这样打出来的孔才不会轻易变化。
6.常用材料及热处理工艺:
板类零件:A3 渗镍
棒料零件:45#钢 渗镍
钣金件: sus201 / 304 表面拉丝
不受力零件 : AL6061 喷砂阳极
链轮用:45#钢 发黑 齿面淬火hc55-60.
齿轮用:45#钢 发黑 齿面淬火hc55-60.
同步轮用: AL6061,喷砂阳极

滚针轴承:适用于空间小,转速高,轴向力,径向力都能承受
带座轴承:当空间比较小,放不下轴承座的时候,我们就用带座轴承,能承受较大的轴径向力,
调心轴承:具有自动对中功能
11.这是各种弹簧的弹力程度

12.
13.M4螺钉直径3.8 M5螺丝直径4.8
14.记住了:机加工可以达到2个丝的精度,但是钣金只能达到10个丝的精度,还是就是机加工A3渗镍的如果要表面光滑好看,必须加上表面粗糙度1.6
15.机加工件,如果精度不高的情况下,供应商会用普通车床加工,精度10个丝以上,如果你标注2个丝的话,那么他如果没有cnc的情况下,他就可能会拿去线切割,如果他有cnc的情况下,他也要精加工,报价就会增加,也就是说如果这个地方没有很精密的话,就不要写2个丝。尽量10个丝以上。
16. 孔12.1其实不用给公差,0.1已经允许上下5个丝的偏差。
18.包胶滚筒的包胶层厚度一般为5到10mm
20.输送带一般使用变频电机或者调速电机,变频器和调速器(反接线就能控制正反转)都可以控制电机的正反转和转速,公司的输送带一般使用180w和400w的变频电机配10比减速机,都用400W的变频器,侧皮带则使用100W的调速电机配5比减速机。
21.带导条的输送带,既不用滚筒倒锥度,也不用设计皮带防跑偏,
如果是不带导条的输送带,那么既要设计滚筒锥度,也要设计皮带防跑偏装置。
22.

23.齿轮怎么消除间隙
使用错位齿轮,就是把两个齿轮合在一起,把齿错开,这样就可以消除两个齿轮之间的间隙

24.包胶滚筒怎么制作工程图,注意包胶滚筒是空心管焊接两端制成的,所以我们必须要标注同轴度0.03


25.标准件都是机械上需要用到的,电器件是和电气工程师沟通得出来的,一般为电机减速机,变频器,接近开关,电眼开关,这些东西,至于空气开关,电线那些东西,都是仓库会自己准备。
自己能决定的电器件也就是电机减速机,变频器,电眼,接近开关,其他都需要和电气沟通

26.有两种装配体配合打孔的方法:
方法1(比较慢,改起来比较麻烦):点击无外部参考,那么配合打出来的孔,需要输入尺寸来定位才能完全定义变黑

方法2:(方便修改,比较快):不点击无外部参考,但是零件需要和其他零件之间完全配合好,零件保持不动,然后再配合打孔,这时候就不需要输入那么多的尺寸就可以完全定义好孔,而且一旦零件位置发生变化,孔位也会跟随变化,

27.工程图上面这个很重要

28.这是滚筒公差最好的标准,大尺寸0.1 小尺寸0.01

30.平面度,平行度不需要基准

31.必须要下单的电气元件就是变频器(变频电机用),驱动器(伺服电机用),plc
电眼开关,接近开关,槽型光电开关这些东西按照公司的来就不会错
32。o型带轮,这玩意儿是自己画的,o型带要自己去淘宝买

33.从动滚筒要用圆管,不要用整根棒料去车

34.标准工程图模板

35.钣金不锈钢焊接工程图模板

36.
热处理:四把火(退火,正火,淬火, 回火),还有调质
表面处理:渗碳,渗氮,渗镍,镀铬,镀锌,发黑
37.第一个是类别,第二个是零件号,这样,之后图纸就可以对上Excel了。

38.脚杯最低高度是60mm
M20螺母高度为15mm
39.

40.

41.嘉立创ICAN地址:直接在百度搜索嘉立创ICAN就行。
安装不了解决办法:
常见问题解决方法:https://www.wolai.com/icantool/2q5eHKTj174Sf1CVFNr4NN
42.锥型城头孔

43.像这种可以转弯的网格输送机是怎么设计的呢?

首先有些东西是不需要自己设计的,是标准件,直接报长度即可

这些标准件都是在厂家提供的样册里面查到的

用的是这一款导条





最后就是怎么确定网链的长度

最后两处长度在15米左右,长一点短一点无所谓,

这样就可以画出来了。

44.目前遇到的三种凸轮
(1):



(2):这是套袋机里面的一个凸轮连杆设计,比较巧妙,可以自己画出来试试。


熟悉下常见电器元件:

45.等高螺丝就是塞打螺丝

46.以后所有的键槽宽度都给正1到3个丝,键不能在键槽内滑动和晃动,不然滚筒会晃动,影响精度。
47.主动同步轮用张紧套的原因是好调节同步轮与从动同步轮的高度。主动轮的孔给 0到+2个丝。

48.梯形丝杆调节高度模组设计:

梯形丝杆工程图

梯形丝杆螺母:

这是自己在怡合达选的梯形丝杆,想要键槽,自己画上去,想要Q为18,也可以自己加粗,然后重新出工程图就行,

49.同步带的几种画法:
(1)主动轮不用键槽,用的是张紧套,因为方便调节。
(2)从动轮要么轴承在从动轮里面,要么轴承在轴承座里面。


第二种就是轴承在轴承座里面。


50.这也是一个丝杆调节张紧装置,不过丝杆不是滚珠丝杆,就是普通的粗牙螺纹丝杆


3万+

被折叠的 条评论
为什么被折叠?



