solid works扫描应用
注意:
1、扫描草图轮廓必须是封闭的:
2、扫描路径:轮廓必须与轮廓有类似于穿透的关系(轮廓所在的必须被路径穿透),退出草图(在绘制扫描的第二根引导线时一定要记得退出草图绘制,重新建立一个)
3、每一根路径为一个草图,且都要与轮廓线有穿透关系
此篇我们以绘制一个钟楼为例
前世基准面绘制草图:中心矩形六个-正方形六个–建议从里到外绘制(此草图为扫描的一个引导线)

退出草图(在绘制扫描的第二根引导线时一定要记得退出草图绘制,重新建立一个)

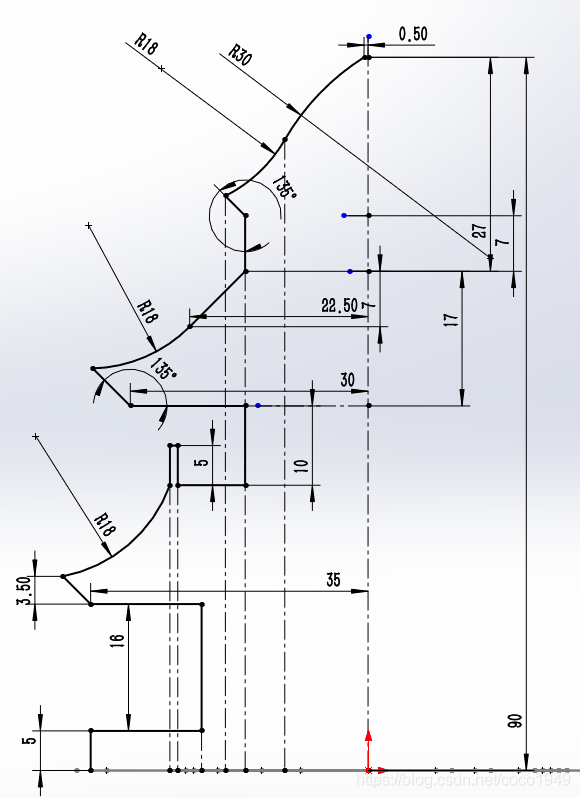
再次在上视基准面绘制草图:(此图为),这里我们需要用到定义弧线
先绘制弧线三点圆弧:

镜像:

定义圆弧:尺寸选中两段圆弧

点击小窗口中的X

点击引线----第一、第二圆弧条件均选择最小

双击尺寸数字修改36

绘制圆角(否则后面扫描得到的模型会出问题)半径2mm
同理左右两边圆弧也是如此

退出草图,回到对第一个草图进行编辑—圆角半径2mm否则后面扫描会得到错误模型

得到下图

几何关系太多,全是绿色点,点击眼,消除几何关系

前世基准面绘制草图(这是又一条引导线,有点麻烦)

绘制3条竖直得中心线----底面的正方形添加穿透关系
同时选中竖直中心线的端点和底面正方形的边长以及圆弧
添加穿透前建议中线的位置略大于要穿透的草图轮廓

弧线完全定义了

继续绘制草图


继续添加穿透关系

使草图完全定义

退出草图

在上世基准面绘制草图圆直径100(此图为扫描路径)

退出草图
特征—扫描

在前世基准面绘制草图


绘制旋转中心

旋转

完成

SolidWorks扫描应用之钟楼绘制教程
本文详细介绍了SolidWorks的扫描应用,强调扫描草图轮廓必须封闭,路径需与轮廓有穿透关系。通过一个钟楼模型的绘制过程,展示了如何创建扫描引导线,包括中心矩形、圆弧、镜像和圆角等操作,并提醒在编辑草图时要注意几何关系的处理,以避免扫描错误。
253

被折叠的 条评论
为什么被折叠?



