看、。。
全开源DIY|手搓1台Mini数控电源(1)_哔哩哔哩_bilibili



特此记录
anlog
2024年4月30日
其他一些原理图
功率部分
电源防反接以及缓启动

输出电路(注意R1,R2,R3用于恒流控制)

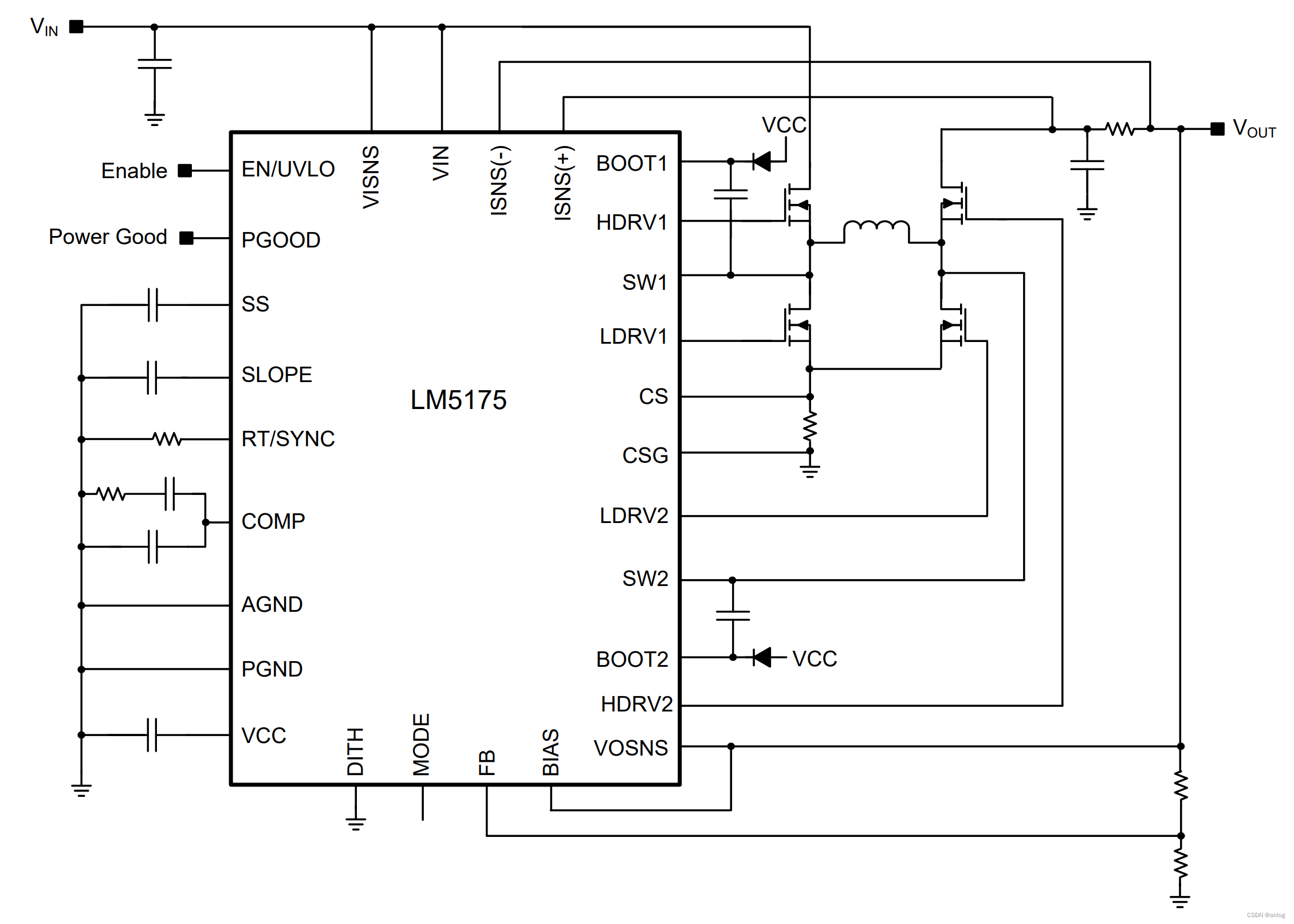
全桥自动升降压电路


自动升降压电源控制器 LM5175
LM5175资料(单片机就是通过此芯片控制电压,电流输出的)


系统电源开关(开机检测)

电流检测


电流环放大器

9V辅助电源(用于LM5175供电)

3.3V辅助电源
输出过压保护

远端采样( 差分放大电路)

type-c接口 (供电接口)

诱骗ic




理想二极管电路

负电源

控制部分
参考电压源




rtc供电

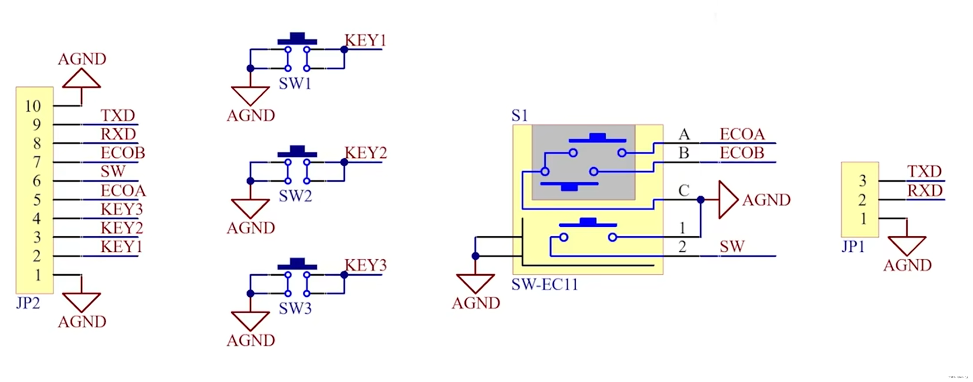
io上拉电阻(按键以及旋转编码器)

负电压电路(单片机产生负电压)

前面板接口(键盘接口,ttl输出,旋转编码器)

输入电压检测

蜂鸣器

指示灯

dac电路(双路DAC)



单片机系统

显示屏

按键部分


3D效果图

特此记录
anlog
2024年4月30日 shsh(
1553





