一、Linux 下 UART 驱动框架(本实验驱动厂商已写好,只需看原理图改设备树就行)
1、uart_driver 注册与注销
uart_driver 结构体表示 UART 驱动,uart_driver 定义在 include/linux/serial_core.h 文件中,内容如下:
struct uart_driver {
struct module *owner; /* 模块所属者 */
const char *driver_name; /* 驱动名字 */
const char *dev_name; /* 设备名字 */
int major; /* 主设备号 */
int minor; /* 次设备号 */
int nr; /* 设备数 */
struct console *cons; /* 控制台 */
/*
* these are private; the low level driver should not
* touch these; they should be initialised to NULL
*/
struct uart_state *state;
struct tty_driver *tty_driver;
};
每个串口驱动都需要定义一个 uart_driver,加载驱动的时候通过 uart_register_driver 函数向系统注册这个 uart_driver,此函数原型如下:
int uart_register_driver(struct uart_driver *drv)
函数参数和返回值含义如下:
drv:要注册的 uart_driver。
返回值:0,成功;负值,失败。
注销驱动的时候也需要注销掉前面注册的 uart_driver,需要用到 uart_unregister_driver 函数,函数原型如下:
void uart_unregister_driver(struct uart_driver *drv)
函数参数和返回值含义如下:
drv:要注销的 uart_driver。
返回值:无。
2、uart_port 的添加与移除
uart_port 表示一个具体的 port,uart_port 定义在 include/linux/serial_core.h 文件,内容如下(有省略):
struct uart_port {
spinlock_t lock; /* port lock */
unsigned long iobase; /* in/out[bwl] */
unsigned char __iomem *membase; /* read/write[bwl] */
......
const struct uart_ops *ops;
unsigned int custom_divisor;
unsigned int line; /* port index */
unsigned int minor;
resource_size_t mapbase; /* for ioremap */
resource_size_t mapsize;
struct device *dev; /* parent device */
......
};
ops 包含了串口的具体驱动函数。每个 UART 都有一个 uart_port,那么 uart_port 是怎么和 uart_driver 结合起来的呢?这里要用到uart_add_one_port 函数,函数原型如下:
int uart_add_one_port(struct uart_driver *drv, struct uart_port *uport)
函数参数和返回值含义如下:
drv:此 port 对应的 uart_driver。
uport:要添加到 uart_driver 中的 port。
返回值:0,成功;负值,失败。
卸载 UART 驱动的时候也需要将 uart_port 从相应的 uart_driver 中移除,需要用到uart_remove_one_port 函数,函数原型如下:
int uart_remove_one_port(struct uart_driver *drv, struct uart_port *uport)
函数参数和返回值含义如下:
drv:要卸载的 port 所对应的 uart_driver。
uport:要卸载的 uart_port。
返回值:0,成功;负值,失败。
3、uart_ops 实现
uart_port 中的 ops 成员变量很重要,因为 ops 包含了针对 UART 具体的驱动函数,Linux 系统收发数据最终调用的都是 ops 中的函数。ops 是 uart_ops类型的结构体指针变量,uart_ops 定义在 include/linux/serial_core.h 文件中,内容如下:
struct uart_ops {
unsigned int (*tx_empty)(struct uart_port *);
void (*set_mctrl)(struct uart_port *, unsigned int mctrl);
unsigned int (*get_mctrl)(struct uart_port *);
void (*stop_tx)(struct uart_port *);
void (*start_tx)(struct uart_port *);
void (*throttle)(struct uart_port *);
void (*unthrottle)(struct uart_port *);
void (*send_xchar)(struct uart_port *, char ch);
void (*stop_rx)(struct uart_port *);
void (*enable_ms)(struct uart_port *);
void (*break_ctl)(struct uart_port *, int ctl);
int (*startup)(struct uart_port *);
void (*shutdown)(struct uart_port *);
void (*flush_buffer)(struct uart_port *);
void (*set_termios)(struct uart_port *, struct ktermios *new,struct ktermios *old);
void (*set_ldisc)(struct uart_port *, struct ktermios *);
void (*pm)(struct uart_port *, unsigned int state,
unsigned int oldstate);
/*
* Return a string describing the type of the port
*/
const char *(*type)(struct uart_port *);
/*
* Release IO and memory resources used by the port.
* This includes iounmap if necessary.
*/
void (*release_port)(struct uart_port *);
/*
* Request IO and memory resources used by the port.
* This includes iomapping the port if necessary.
*/
int (*request_port)(struct uart_port *);
void (*config_port)(struct uart_port *, int);
int (*verify_port)(struct uart_port *, struct serial_struct *);
int (*ioctl)(struct uart_port *, unsigned int, unsigned long);
#ifdef CONFIG_CONSOLE_POLL
int (*poll_init)(struct uart_port *);
void (*poll_put_char)(struct uart_port *, unsigned char);
int (*poll_get_char)(struct uart_port *);
#endif
};
二、I.MX6U UART 驱动分析
1、UART 的 platform 驱动框架
uart3: serial@021ec000 {
compatible = "fsl,imx6ul-uart","fsl,imx6q-uart", "fsl,imx21-uart";
reg = <0x021ec000 0x4000>;
interrupts = <GIC_SPI 28 IRQ_TYPE_LEVEL_HIGH>;
clocks = <&clks IMX6UL_CLK_UART3_IPG>,
<&clks IMX6UL_CLK_UART3_SERIAL>;
clock-names = "ipg", "per";
dmas = <&sdma 29 4 0>, <&sdma 30 4 0>;
dma-names = "rx", "tx";
status = "disabled";
};
compatible 属性,这里一共有三个值:“fsl,imx6ul-uart”、“fsl,imx6q-uar”和“fsl,imx21-uart”。在 linux 源码中搜索这三个值即可找到对应的 UART 驱动文件。
static struct platform_device_id imx_uart_devtype[] = {
{
.name = "imx1-uart",
.driver_data = (kernel_ulong_t) &imx_uart_devdata[IMX1_UART],
}, {
.name = "imx21-uart",
.driver_data = (kernel_ulong_t)
&imx_uart_devdata[IMX21_UART],
}, {
.name = "imx6q-uart",
.driver_data = (kernel_ulong_t)
&imx_uart_devdata[IMX6Q_UART],
}, {
/* sentinel */
}
};
MODULE_DEVICE_TABLE(platform, imx_uart_devtype);
static const struct of_device_id imx_uart_dt_ids[] = {
{ .compatible = "fsl,imx6q-uart", .data =&imx_uart_devdata[IMX6Q_UART], },
{ .compatible = "fsl,imx1-uart", .data =&imx_uart_devdata[IMX1_UART], },
{ .compatible = "fsl,imx21-uart", .data =&imx_uart_devdata[IMX21_UART], },
{ /* sentinel */ }
};
......
static struct platform_driver serial_imx_driver = {
.probe = serial_imx_probe,
.remove = serial_imx_remove,
.suspend = serial_imx_suspend,
.resume = serial_imx_resume,
.id_table = imx_uart_devtype,
.driver = {
.name = "imx-uart",
.of_match_table = imx_uart_dt_ids,
},
};
static int __init imx_serial_init(void)
{
int ret = uart_register_driver(&imx_reg);
if (ret)
return ret;
ret = platform_driver_register(&serial_imx_driver);
if (ret != 0)
uart_unregister_driver(&imx_reg);
return ret;
}
static void __exit imx_serial_exit(void)
{
platform_driver_unregister(&serial_imx_driver);
uart_unregister_driver(&imx_reg);
}
module_init(imx_serial_init);
module_exit(imx_serial_exit);
2、uart_driver 初始化
static struct uart_driver imx_reg = {
.owner = THIS_MODULE,
.driver_name = DRIVER_NAME,
.dev_name = DEV_NAME,
.major = SERIAL_IMX_MAJOR,
.minor = MINOR_START,
.nr = ARRAY_SIZE(imx_ports),
.cons = IMX_CONSOLE,
};
3、uart_port 初始化与添加
当 UART 设备和驱动匹配成功以后 serial_imx_probe 函数就会执行,此函数的重点工作就是初始化 uart_port,然后将其添加到对应的 uart_driver 中。在看 serial_imx_probe 函数之前先来看一下 imx_port 结构体,imx_port 是 NXP 为 I.MX 系列 SOC 定义的一个设备结构体,此结构体内部就包含了 uart_port 成员变量,imx_port 结构体内容如下所示(有缩减):
struct imx_port {
struct uart_port port; //uart_port 成员变量 port。
struct timer_list timer;
unsigned int old_status;
unsigned int have_rtscts:1;
unsigned int dte_mode:1;
unsigned int irda_inv_rx:1;
unsigned int irda_inv_tx:1;
unsigned short trcv_delay; /* transceiver delay */
......
unsigned long flags;
};
接下来看一下 serial_imx_probe 函数,函数内容如下:
static int serial_imx_probe(struct platform_device *pdev)
{
struct imx_port *sport //定义一个 imx_port 类型的结构体指针变量 sport。
.....
sport = devm_kzalloc(&pdev->dev, sizeof(*sport), GFP_KERNEL);
if (!sport)
return -ENOMEM;
ret = serial_imx_probe_dt(sport, pdev);
if (ret > 0)
serial_imx_probe_pdata(sport, pdev);
else if (ret < 0)
return ret;
res = platform_get_resource(pdev, IORESOURCE_MEM, 0); //获取硬件寄存器地址
base = devm_ioremap_resource(&pdev->dev, res);
if (IS_ERR(base))
return PTR_ERR(base);
rxirq = platform_get_irq(pdev, 0); //获取中断信息。
txirq = platform_get_irq(pdev, 1);
rtsirq = platform_get_irq(pdev, 2)
.....
sport->port.ops = &imx_pops;
.....
return uart_add_one_port(&imx_reg, &sport->port);// 向 uart_driver 添加 uart_port,在这里就是向 imx_reg 添加 sport->port
}
4、imx_pops 结构体变量
imx_pops 就是 uart_ops 类型的结构体变量,保存了 I.MX6ULL 串口最底层的操作函数,imx_pops 定义如下:
static struct uart_ops imx_pops = {
.tx_empty = imx_tx_empty,
.set_mctrl = imx_set_mctrl,
.get_mctrl = imx_get_mctrl,
.stop_tx = imx_stop_tx,
.start_tx = imx_start_tx,
.stop_rx = imx_stop_rx,
.enable_ms = imx_enable_ms,
.break_ctl = imx_break_ctl,
.startup = imx_startup,
.shutdown = imx_shutdown,
.flush_buffer = imx_flush_buffer,
.set_termios = imx_set_termios,
.type = imx_type,
.config_port = imx_config_port,
.verify_port = imx_verify_port,
#if defined(CONFIG_CONSOLE_POLL)
.poll_init = imx_poll_init,
.poll_get_char = imx_poll_get_char,
.poll_put_char = imx_poll_put_char,
#endif
};
三、硬件原理图分析
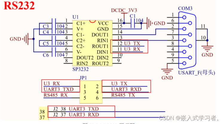
1、RS232 原理图

2、UART3 IO 节点创建
pinctrl_uart3: uart3grp {
fsl,pins = <
MX6UL_PAD_UART3_TX_DATA__UART3_DCE_TX 0X1b0b1
MX6UL_PAD_UART3_RX_DATA__UART3_DCE_RX 0X1b0b1
>;
};
最后检查一下 UART3_TX 和 UART3_RX 这两个引脚有没有被用作其他功能,如果有的话要将其屏蔽掉,保证这两个 IO 只用作 UART3,切记!!!
3、添加 uart3 节点
默认情况下 imx6ull-alientek-emmc.dts 中只有 uart1 和 uart2 这两个节点

I.MX6U-ALPHA 开发板上没有用到 UART2,而且 UART2
默认用到了 UART3 的 IO,因此需要将 uart2 这个节点删除掉,然后加上 UART3 对应的 uart3,
uart3 节点内容如下:
&uart3 {
pinctrl-names = "default";
pinctrl-0 = <&pinctrl_uart3>;
status = "okay";
};
四、移植 minicom
参考正点原子手册
本文详细介绍了Linux系统中UART驱动的基本框架,包括uart_driver的注册与注销,uart_port的添加与移除,以及uart_ops的实现。此外,还分析了I.MX6USoC的UART平台驱动,包括其设备树配置和驱动初始化过程。文章强调了在硬件层面如何配置UART3并移植到系统中。
1792

被折叠的 条评论
为什么被折叠?



