1.RJ45端口,连接属性:

RJ45的连接RJ45.1,RJ45.2,RJ45.3,RJ45.6做信号线连接,连接如下:
RJ45.1----RX+
RJ45.2----RX-
RJ45.3----TX+
RJ45.6----TX-
这种接法是802.3的标准的接线。现在很多芯片支持MDI/MDIX的功能,即平行交叉自适应的功能,如果这种情况下芯片如下的接线方式也是可以的。
RJ45.1----TX+
RJ45.2----TX-
RJ45.3----RX+
RJ45.6----RX-
剩下的RJ45.4、RJ45.5、RJ45.7、RJ45.8一般的接法是通过75欧姆的电阻穿上1000PF的高压电容。称为BOB-Smith电路,作用电磁兼容。
2.网络变压器和RJ45的连接
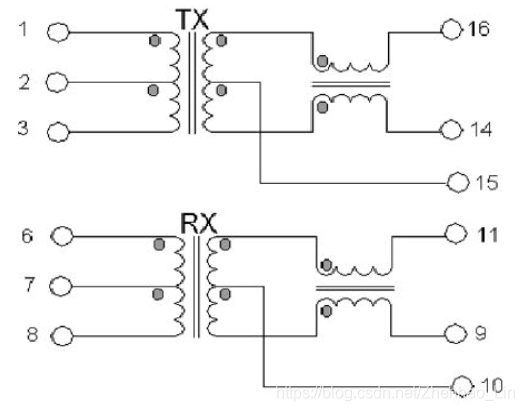
网络变压器结构如下:

3 . 信号部分:
RX+要求网络变压器RX部分的同名端,一般是指变压器中的线圈带有黑点的那端,如图的6脚
RX-要求接RX+的RX部分同组线圈的另一端,如图的8脚TX+要求网络变压器TX+部分的同名端,一般是指变压器中的线圈带有黑点的那端,如图的6脚
TX-要求接TX+的TX+部分同组线圈的另一端,如图的8脚
对于RX+,RX-差分信号要求每根信号线下拉一个49.9或者51欧姆电阻在通过一个0.1uF 电容接地,具体接法如下图:

本文详细介绍了网络变压器与RJ45端口的连接方式,包括802.3标准接线和MDI/MDIX自适应接线。讨论了网络变压器的结构,强调了信号部分如RX+、RX-、TX+、TX-的正确连接,以及差分信号的下拉电阻和电容作用。此外,还分析了在不同芯片模式下VDD_RX和VDD_TX的接法,并提供了调试过程中遇到问题的排查方法。
最低0.47元/天 解锁文章
2621

被折叠的 条评论
为什么被折叠?



