特点:
· 高压快速启动
· 内置 650V MOS
· 良好的负载调整率
· 恒流源驱动技术
· 高效率、低待机功耗
· PWM+PFM相结合的工作模式
· 内置前沿消隐
· 频率抖动
· 逐周期限流保护
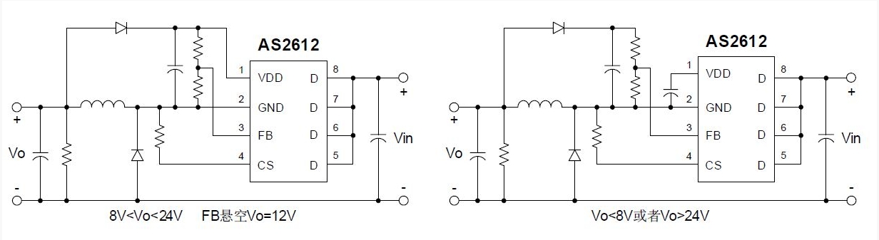
· FB悬空默认 12V输出
· 优化的动态特性
· VCC欠压锁定和过压保护
· 输出过压/欠压保护
· CS引脚开/短路保护
· 过温保护
· 电感饱和保护
· SOP-8L封装
应用:
· 小家电,小风扇
AS2616 85-265V输入,内置650VMOS,输出电压可调,电流800mA
最新推荐文章于 2025-12-04 20:43:34 发布
241

被折叠的 条评论
为什么被折叠?



