本博客分享一款基于 双目 OV5640 摄像头 + RGB666 接口 LCD 的扩展板。该板子不包含主控,仅负责前端图像采集、数据显示,以及温湿度和 IMU 传感器的数据采集,最终通过连接器与主控板通信。本篇博客主要记录该扩展板从 原理图设计、元器件选型、关键芯片功能说明,到 PCB 布局布线注意事项。希望对正在做多传感器扩展、视觉方案原型验证、双目相机模块开发的童鞋有帮助。
嘻嘻嘻,和另一篇博客的主控板配套,详见《FPGA + STM32异构开发板:基于 STM32 模拟服务器 BMC 的 FPGA 管理与监控》:https://blog.youkuaiyun.com/ZTF2021/article/details/154994622?fromshare=blogdetail&sharetype=blogdetail&sharerId=154994622&sharerefer=PC&sharesource=ZTF2021&sharefrom=from_link
1. 系统总体框架
本扩展板的整体定位,是为上位主控系统提供 图像采集 + 显示输出 + 环境感知 + 运动姿态感知 的完备前端硬件支持。由于主控芯片并未集成于本版中,所有传感器数据与图像数据均通过板载连接器传递给外部主控。本章将从总体功能、模块划分、系统信号关系、电源分配、通信接口等方面对整板架构进行详细描述。
1.1 设计目标与功能定位
该板卡的主要设计目标如下:
-
双目视觉采集能力
通过两颗 OV5640 图像传感器捕获同步图像数据,为后续的立体视觉、双目深度估计、特征检测等算法提供硬件基础。 -
RGB666 显示输出能力
板上搭载一块 480×480 TFT LCD 屏,用于实时显示主控输出的图像或 UI 内容。 -
环境感知与动作姿态监测:两款传感器为主控的环境监测、姿态估计或控制系统提供必要的输入。
-
SHT20 提供温湿度数据;
-
MPU6050 提供三轴加速度与三轴陀螺仪数据。
-
-
统一接口输出与电平兼容
摄像头 IIC 与主控 IIC 电压域可能不同,因此通过 PCA9617A 完成电平转换,保证跨电压域通信稳定。 -
模块化、低干扰硬件平台
通过合理的电源规划、信号分层以及器件布局,为多模传感器组合运行提供稳定的硬件基础。
综上所述,该扩展板可视为一个 “视觉 + 传感器 + 显示” 的复合前端,在嵌入式视觉、SLAM、机器视觉实验平台、HMI 控制面板等应用场景中具有广泛用途。
1.2 系统框图与模块划分
整板功能可分为以下几大模块:
-
双目摄像头子系统:OV5640 × 2
-
LCD 显示子系统:RGB666 并口 + 背光驱动(AP3019A)
-
传感器子系统:MPU6050 + SHT20
-
IIC 电平转换:PCA9617A
-
电源管理子系统:RT9193 系列 LDO
-
时钟单元:24MHz 晶振
-
主控连接器:全部信号集中输出
系统框图如下:
1.3 信号与数据关系
整板通过连接器与主控进行通信,信号可分为四类:
1.3.1 图像数据传输(DVP)
每个 OV5640 采用 DVP(Digital Video Port)输出:
-
8bit 数据线 D0~D7
-
PCLK 像素时钟
-
VSYNC、HSYNC
-
RESET、PWDN
图像数据量较大,不会在板内做处理,使用B2B连接器连接至主控端。
1.3.2 LCD 显示数据
LCD 模块与主控之间为 18bit RGB 并口:
-
RGB 数据线:R[5:0], G[5:0], B[5:0]
-
DE、VSYNC、HSYNC
-
PCLK
其显示内容由主控生成,本板只负责驱动背光和信号引出。
1.3.3 IIC 传感器总线
本板共有三类 I²C 设备:
| 设备 | 工作电压(v) | 功能 |
|---|---|---|
| OV5640 | 2.8 | 摄像头寄存器配置 |
| MPU6050 | 3.3 | 姿态检测 |
| SHT20 | 3.3 | 温湿度检测 |
由于摄像头 I²C 电压较低,因此通过 PCA9617A 完成电平转换(哈哈哈哈哈,奢侈,使用MOS管实现此功能的电路比较常见)。
1.3.4 电源供应 + 背光控制
本板电源结构:
-
外部提供 3.3V 主电源
-
板上 LDO 生成:
-
2.8V(供 OV5640 模拟,24M晶振 )
-
1.5V(供 OV5640 Core)
-
-
背光由 AP3019A 升压驱动,主控用 PWM 控制亮度
整体电源拓扑简单但设备较多,因此板上需要良好的电源隔离与地平面管理。
1.4 电压域规划
本板是一个典型的多电压设计,需要重点规划各电压域的相互关系:
| 电压(v) | 设备 | 注意事项 |
|---|---|---|
| 1.5 | OV5640 | 需 LDO 独立供电,避免噪声注入 |
| 2.8 | OV5640、晶振 | 模拟电压,需保持干净 |
| 3.3 | LCD、MPU6050、SHT20和其它LDO芯片 | 外部供电,需要较强供电能力 |
| LED 背光电压 | LCD 背光串联 LED | 由 AP3019A 动态生成 |
1.5 系统通信关系
主控需要访问的接口包括:
| 模块 | 接口类型 | 描述 |
|---|---|---|
| OV5640 | I²C + DVP | 图像采集与配置 |
| LCD | RGB666 + PWM | 驱动显示、刷新画面 |
| MPU6050 | IIC | 姿态读取、加速度数据 |
| SHT20 | IIC | 温湿度监控 |
| 背光 | PWM | 控制LCD的亮度 |
2. 原理图设计
本章节将围绕整板的五大核心模块——双目摄像头、LCD 显示、传感器、IIC 电平转换、电源系统——对原理图的设计思路、关键电路结构及注意事项进行逐一说明。同时给出部分关键器件的推荐连接方式和布局要点,为后续 PCB 设计提供参考。
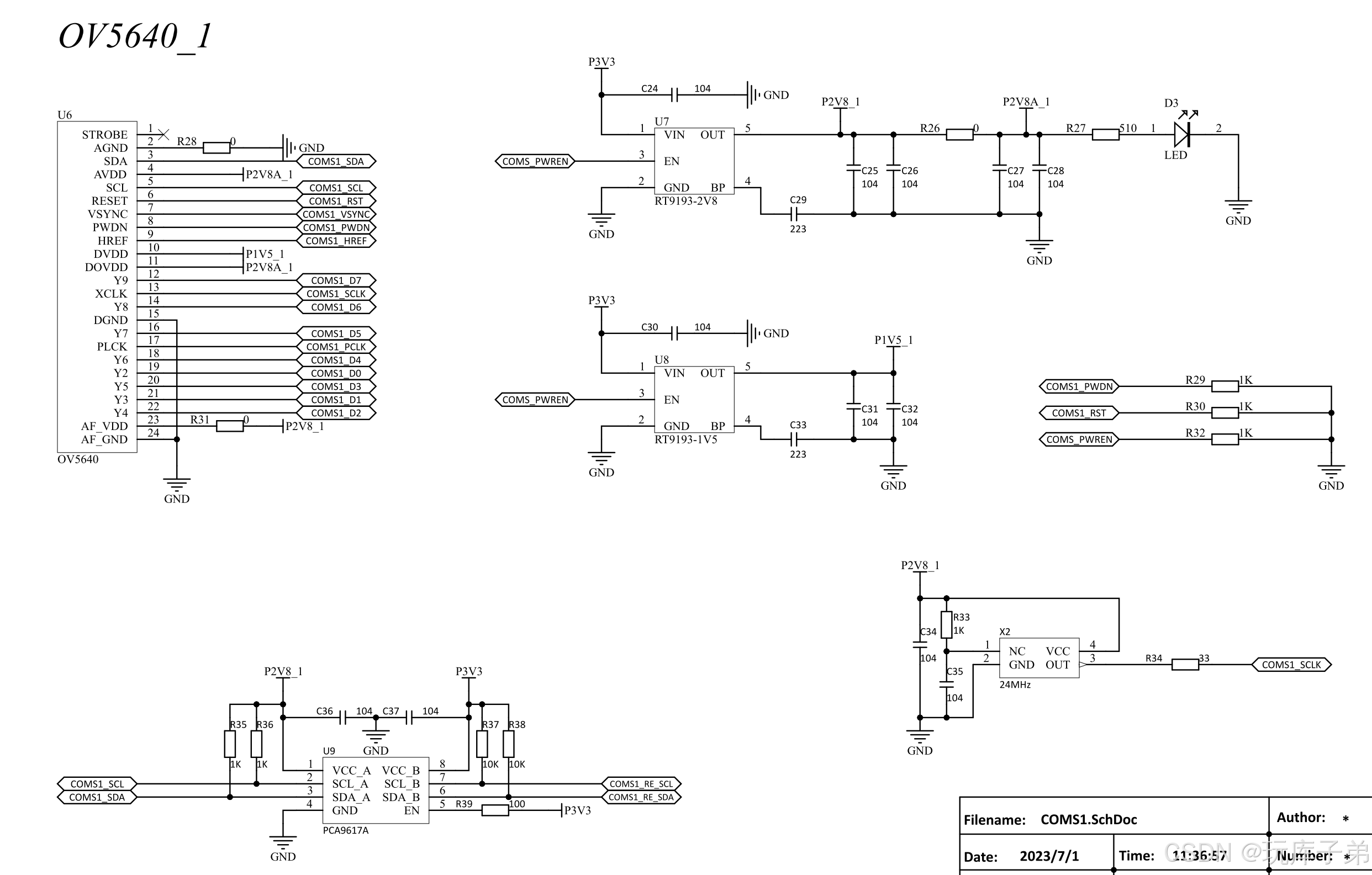
2.1 双目摄像头模块(OV5640 × 2)
双目摄像头是整板的核心硬件模块,本节将从电源、信号、控制及晶振等方面介绍其原理图设计细节。其原理图如图2所示。
2.1.1 OV5640 接口结构
每颗 OV5640 需要连接下列信号:
-
DVP 数据口:D0~D7
-
同步信号:HSYNC、VSYNC
-
像素时钟:PCLK
-
主控配置信号:SCL、SDA(经 PCA9617A 电平转换)
-
控制:PWDN、RESET
-
电源:AVDD、DVDD、IOVDD
2.1.2 电源设计要点
OV5640 的电源分为三种:
| 电源 | 电压 | 描述 |
|---|---|---|
| AVDD | 2.8V | 模拟电源,要求干净 |
| DVDD | 1.5V | 核心电源,对噪声非常敏感 |
| IOVDD | 1.8V/2.8V | IO 电源,支持 1.8V~3.0V,本板取 2.8V |
电源由以下 LDO 提供:
-
RT9193-2V8 → 2.8V 给 AVDD/IOVDD
-
RT9193-1V5 → 1.5V 给 DVDD
原理图设计注意事项:
-
在 OV5640 的每个电源管脚附近放置 0.1µF + 1µF 的贴片电容
-
1.5V 电源必须 单独布线,避免被噪声源串扰
-
AVDD 上使用 π 型滤波器提高模拟电源质量
2.1.3 时钟输入(24MHz)
OV5640 需要 24MHz 外部时钟。本板采用独立晶振的方式:
-
晶振输出接到两颗 OV5640 的 XCLK
-
使用 24MHz 有源晶振,直接输出方波
-
在晶振电源端加上 0.1µF 与 10µF 电容
两颗摄像头共用一个 24MHz 时钟,无需频率同步电路,结构简单可靠。
2.1.4 IIC 配置接口(电平转换)
因为 OV5640 的 IIC 工作在 2.8V 电压域,而主控侧的 IIC 为 3.3V,因此必须经过 PCA9617A 电平转换。
接线方式如下:
-
PCA9617A A 侧 接 OV5640(2.8V)
-
PCA9617A B 侧 接主控(3.3V)
注意:
-
预留两侧上拉电阻
-
OV5640 地址固定,因此使用两组IIC区分左右摄像头
2.1.5 控制信号(PWDN / RESET)
两颗摄像头使用独立控制信号:
| 摄像头 | RESET | PWDN |
|---|---|---|
| 左目 OV5640 | CAML_RST | CAML_PWDN |
| 右目 OV5640 | CAMR_RST | CAMR_PWDN |
控制信号来自主控连接器,用于:
-
上电初始化
-
独立复位
-
电源节能控制
RESET 采用 1k 下拉,逻辑高电平有效。
2.1.6 走线注意事项(与原理图相关)
在原理图中需标注的设计约束包括:
-
PCLK、VSYNC、HSYNC 需明确网类标注(High Speed)
-
D0~D7 数据线定义清晰,不可交叉命名
这些命名在 PCB 设计阶段能减少错线的风险。
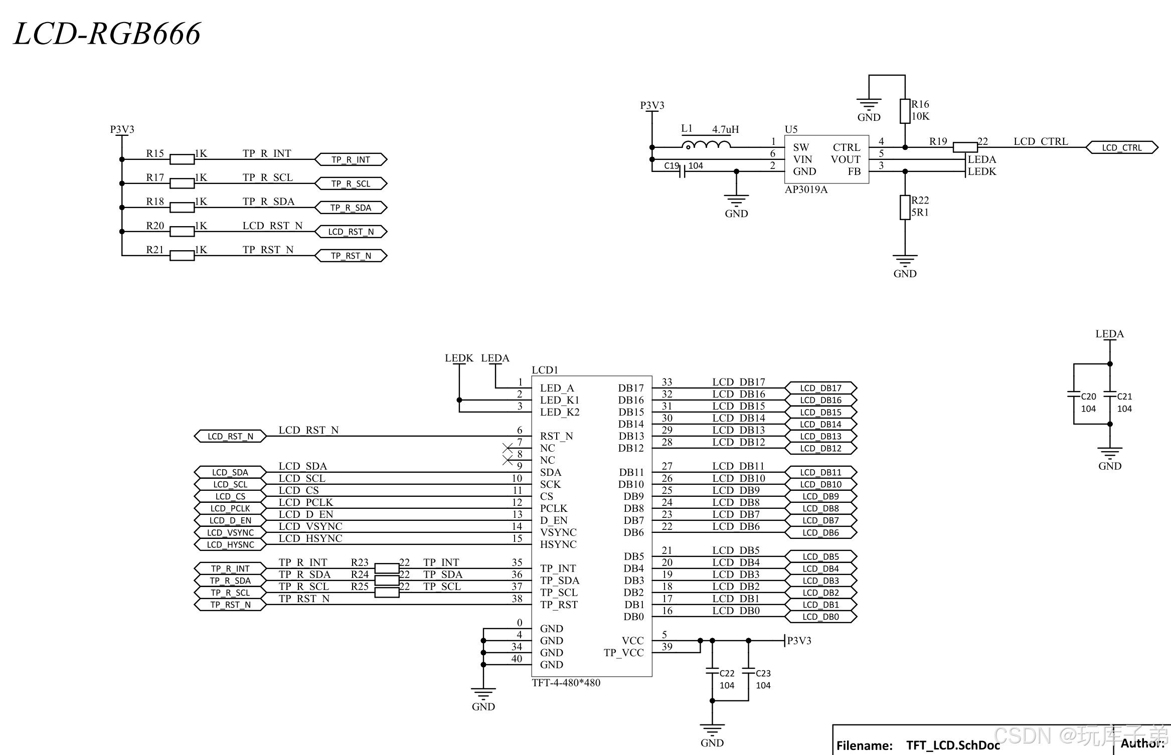
2.2 LCD 显示模块(RGB666 + AP3019A)
LCD 模块的原理图如图3所示,其中主要包括两部分:
-
RGB666 并口接口(18bit)
-
背光驱动电路(AP3019A)
2.2.1 RGB666 屏幕数据接口
屏幕型号:TFT-4-480×480(RGB 接口)
接口包含以下信号:
-
18bit 数据:RGB (6-6-6 位)
-
时序控制:DE、VSYNC、HSYNC、PCLK
-
电源:3.3V
原理图设计要点:
-
LCD 需要 3.3V 供电
-
VSYNC/HSYNC/PCLK 需要清晰标注方向
2.2.2 背光驱动电路(AP3019A)
AP3019A 是一颗升压 LED 背光驱动器。
电路结构包含:
-
电感(4.7µH)
-
LED 输出端(LCD 内部 LED)
-
亮度控制引脚 EN/PWM(接主控)
-
输入电源 3.3V
原理图注意点:
-
LEDA 输出为高压,需标红色警示
-
电感、二极管、AP3019A 必须紧靠布置
2.3 传感器模块
本板包含两颗 IIC 传感器:
-
MPU6050(IMU)
-
SHT20(温湿度)
两者均工作在 3.3V 电压域,直接与主控 IIC 相连。其原理图如图4所示。
2.3.1 MPU6050 原理图结构
接口包括:
-
SCL / SDA
-
INT 中断输出
-
AD0 地址选择引脚(一般下拉→0x68)
-
VCC(3.3V)
设计注意事项:
-
MPU6050 电源端需要:
-
100nF + 10µF 陶瓷电容
-
-
INT 可以拉到主控 GPIO(可选)
-
AD0 需要明确接法(0/1 取决于地址)
2.3.2 SHT20 原理图结构
SHT20 是温湿度传感器,接口极为简单:
-
SCL、SDA(I²C)
-
VDD=3.3V
注意事项:
-
传感器环境敏感,原理图标注需要远离加热元件
-
预留上拉电阻
-
推荐增加 100nF 去耦
2.4 电源管理模块
本板采用外部 3.3V 电源,板上生成 1.5V 和 2.8V。
2.4.1 RT9193 LDO 电源轨
| LDO | 输出电压 | 描述 |
|---|---|---|
| RT9193-2V8 | 2.8V | OV5640 AVDD/IOVDD、晶振 |
| RT9193-1V5 | 1.5V | OV5640 DVDD |
设计要点:
-
输入全部为 3.3V
-
每个 LDO 输出端串 1µF 陶瓷电容
-
每颗 OV5640 电源脚都要独立就近去耦
2.5 24MHz 晶振单元
结构:
-
有源晶振
-
电源去耦电容
-
输出信号命名为 COMx_SCLK
原理图注意事项:
-
晶振输出分支至两个摄像头
-
输出旁加 33Ω 阻抗匹配电阻
-
晶振必须放在 PCB 的清净区域
2.6 主控连接器
为方便外部控制,本板将全部信号引出,如图5所示。其中主要包括:
-
摄像头 DVP:两套
-
LCD RGB666 + 控制
-
IIC(3.3V)
-
PWM 背光
-
电源:3.3V 输入
-
GND
3. PCB 设计
3.1 PCB 整体结构规划
本板卡主要作为“显示 + 摄像头 + 传感器”的外设扩展模块,主控位于其他板子,因此本板只需完成以下硬件功能:
-
双目 OV5640 摄像头接口
-
RGB666 并行 LCD 接口
-
温湿度传感器:SHT20
-
六轴 IMU:MPU6050
-
电压转换模块(AP3019A 背光驱动 + RT9193 系列 LDO)
PCB 为 双层结构,需要在有限面积内处理大量并行线路,尤其 RGB666 与 MIPI摄像头数据线,布局需合理分区。
3.2 功能分区设计原则
为了减少串扰、降低 EMI、保持信号完整性,本设计采用了“功能区域化”原则,将整板划分为四个主要区域:
① 摄像头接口区域(OV5640 ×2)
-
位于 PCB 顶部对称布置
-
两个 24pin 摄像头座子靠近板边缘排布
-
PCA9617A 电平转换芯片靠近摄像头区域,避免长距离 I²C 走线
② 显示区域(TFT LCD RGB666)
-
主控不在本板,因此 RGB666 信号从连接器引入
-
LCD FPC 接口靠近板侧,减少高频40MHz~60MHz RGB 信号在板内传播距离
③ 电源与背光驱动区域
-
AP3019A 背光驱动靠近 LCD 接口
-
RT9193-2V8、RT9193-1V5 LDO 放在板卡下部形成电源区
-
高压背光线单独走线并加入回流路径
④ 传感器区域(MPU6050 + SHT20)
-
放置在板卡靠中间的位置
-
避免靠近背光驱动区域,减少 EMI 影响传感器精度
-
使用 I²C 总线串联,并通过 PCA9617A 做电平转换
3.3 走线优先级与布局策略
因为是双层板资源有限,本项目采用以下布线优先级:
优先级 1:高速信号
-
LCD CLK
-
OV5640 PCLK 或 MIPI 差分
-
RGB 数据线(保持等长)
优先级 2:摄像头与 LCD 电源网络
-
OV5640 2.8V、1.5V
-
LCD 背光电源
优先级 3:传感器 I²C、INT 线
优先级 4:辅助信号、Debug、其他弱电流信号
此外在双层板布局中,为了减少过孔和回流干扰,策略如下:
-
高速信号尽量单层走线,不跳层
-
电源通过短走线、必要过孔引到 Bottom 层
-
Bottom 层基本作为连续地平面,用于屏蔽和回流
4. PCBA 实物(焊武帝附体)
本章主要展示双层 PCB 版双目 OV5640 + RGB666 LCD + 多传感器扩展板的实物成品,并对各模块进行上电、初始化、通信验证。该板卡作为外设扩展模块,负责摄像头采集、LCD 显示、环境传感(温湿度)及运动姿态感知(六轴 IMU),不包含主控 MCU。见图6和图7。
长这样,
这样,
5. 总结
本设计完成了一块基于 双层 PCB 的外设扩展板,集成 双目 OV5640 摄像头、RGB666 480×480 TFT 显示屏、MPU6050 六轴传感器、SHT20 温湿度传感器、以及完整的电源与背光驱动模块。虽然板卡面积有限、采用的又是受限的双层结构,但通过合理的架构规划、信号优先级划分和严格的高速布线策略,最终实现了一块结构紧凑、功能完善、稳定可靠的硬件平台。
无论是学习硬件设计、进行图像处理实验,还是作为完整系统的子板,这块 PCB 都具有非常高的实用价值。
656

被折叠的 条评论
为什么被折叠?



