特性
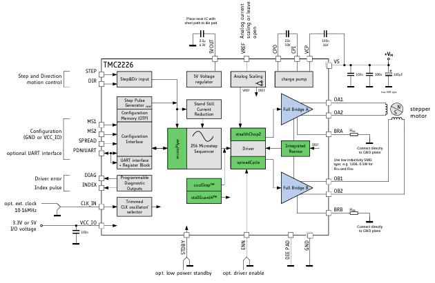
- 适用于线圈电流高达2.8A(峰值)、2A RMS的两相步进电机
- STEP/DIR接口,支持8、16、32或64微步引脚设置
- 通过MicroPlyer插值实现256微步平滑运行
- StealthChop2静音电机运行
- SpreadCycle高动态电机控制斩波器
- StallGuard4负载和失速检测功能,适用于StealthChop模式
- CoolStep电流控制,节能高达75%
- 低RDSon,低发热,低端170mΩ,高端170mΩ(典型值,25°C时)
- 电压范围4.75…29V DC
- 低功耗待机模式,符合待机能耗法规要求
- 可选内部检测电阻(无需外部检测电阻)
- 被动制动、续流和自动掉电功能
- 单总线UART和OTP,提供高级配置选项
- 集成脉冲发生器,可实现独立运动控制
- 全面的保护和诊断功能
- 热优化的HTSSOP封装,便于光学检测

1156

被折叠的 条评论
为什么被折叠?



