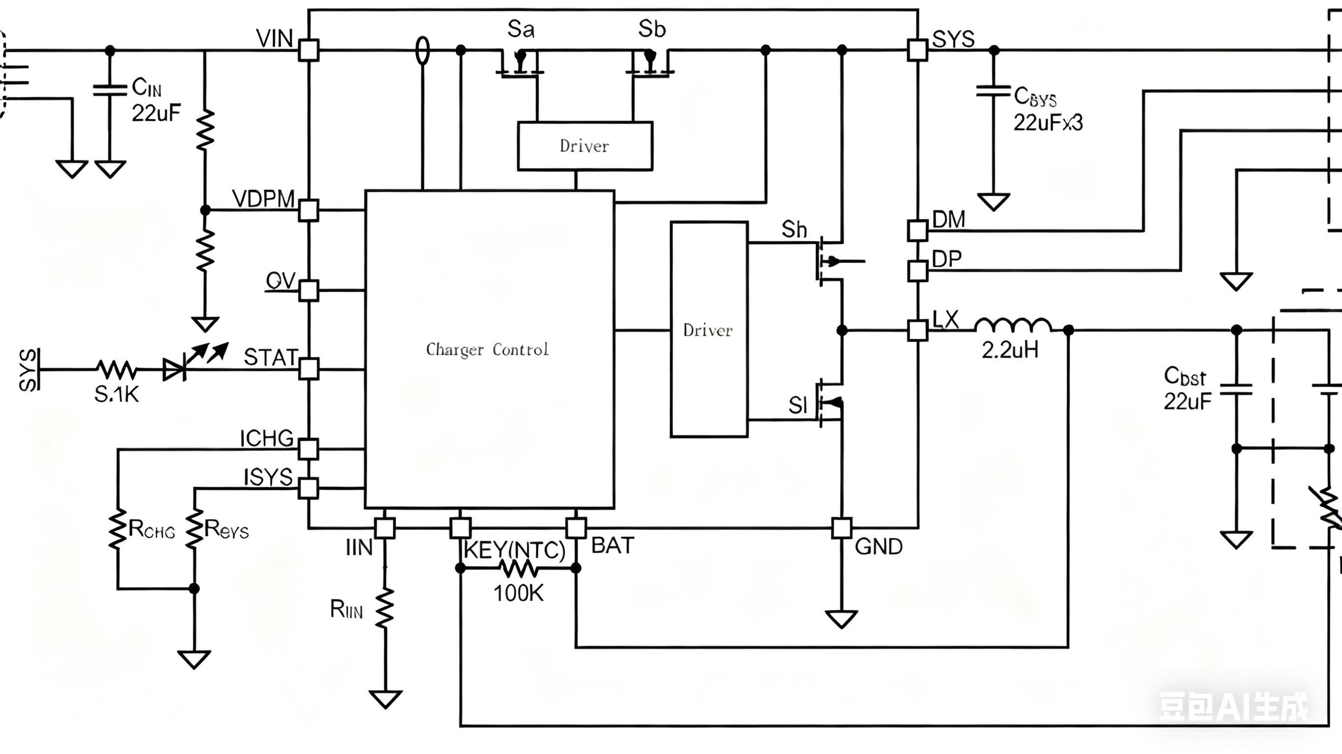
特性
- 最大18V输入电压浪涌承受能力
- 劣质适配器检测功能
- 内置功率路径NFET和功率开关
- 具备内部补偿的涓流/恒流/恒压充电模式
- 最大2A恒流充电电流
- 最大2.5A升压输出电流
- 4.2V/4.35V可选电池电压
- ±0.5%电池电压精度
- 充电/放电/故障状态指示
- 按键控制逻辑
- 便携式设备插入时升压自动启动
- 轻载时升压自动关闭
- 自适应输入电流限制
- 动态功率管理
- 逐周期峰值电流限制
- 输入电压欠压锁定和过压保护
- 升压输出短路保护
- 热关断功能
- 紧凑封装:QFN3x3-16


176
139
193
154

被折叠的 条评论
为什么被折叠?