点击此处获取源代码(一码通关)cpu24.circ
本代码为原创首发,创作不易,谢谢支持!
下载链接
https://afdian.com/a/fries
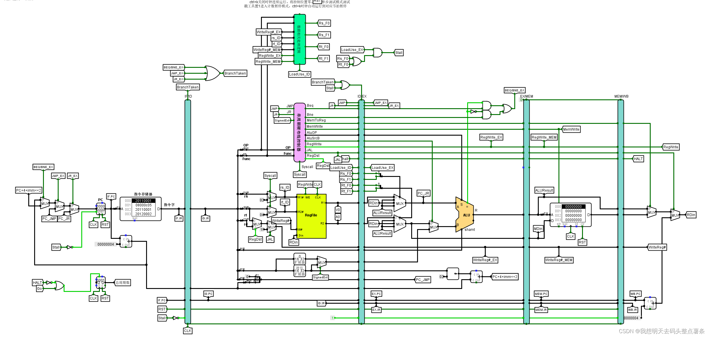
实验成品电路图

MIPS流水CPU设计所有实验见该博客:
目录
实验目的
了解数据重定向的实现机制,了解Load-USE的处理方法。
实验内容
修改气泡流水线,将数据相关处理方式改成数据重定向,注意所有指令都在EX段执行,包括分支指令。
- 构建重定向通路
- 构建重定向逻辑---生成多路选择器选择控制信号
- 构建Load-Use检测器
- 在ID段增加Load-Use插入气泡逻辑
- 测试联调

电路框架
cpu24.circ 理想流水线子电路


注意:可以整体平移引脚框到电路任何位置,但由于电路封装与引脚位置和顺序有关系,所以框内引脚一律不许增删改,哪怕是移动位置调整顺序,改变引脚朝向,也不要在电路中增加额外的引脚,否则测试系统无法测试。
电路引脚
| 信号 | 位宽 | 功能描述 |
|---|---|---|
| IF.PC | 32 | IF阶段PC值 |
| ID.PC | 32 | ID阶段PC值 |
| EX.PC | 32 | EX阶段PC值 |
| MEM.PC |

最低0.47元/天 解锁文章
3548

被折叠的 条评论
为什么被折叠?



