AHB不对称半桥反激式转换器拓扑工作原理详解
本文详细介绍AHB不对称半桥各时序工作状态
文章目录
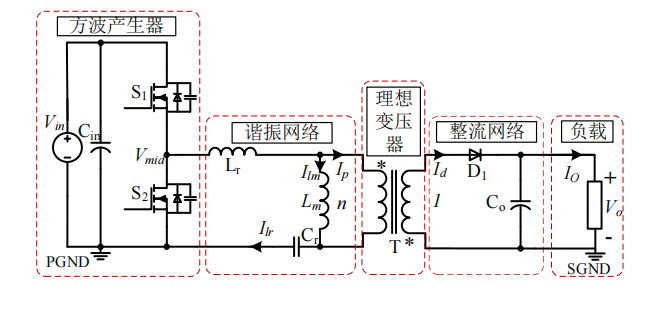
不对称半桥反激变换器拓扑结构

一、不对称半桥反激拓扑优势
AHB(Asymmetrical Half-Bridge,非对称半桥)拓扑是一种高效、高功率密度的电源转换架构,结合了反激变换器和半桥结构的优势。其核心特点如下:
软开关特性与效率优势
1)零电压开通(ZVS)与零电流关断(ZCS)
AHB通过谐振腔结构实现原边功率管的零电压开通(ZVS)和副边整流管的零电流关断(ZCS),显著降低开关损耗,系统效率可达95%以上。
2)漏感能量回收
传统反激拓扑中漏感能量以发热消耗,而AHB将漏感能量回收并参与谐振,进一步提升能效
3)宽电压输出能力
AHB支持宽范围输出电压,优于LLC拓扑的固定输出(通常仅支持±10%调节)。这一特性使其特别适配PD快充、机器人电池包等需动态匹配CC-CV充电曲线的场景
4)协同储能机制
变压器励磁电感与谐振电容共同储能,相比传统反激结构,变压器体积可缩小30%以上,系统更紧凑。
AHB拓扑通过软开关技术、宽电压动态调节及高集成设计,解决了传统反激或LLC架构在效率、体积与成本上的瓶颈,成为中高功率(100W–300W)隔离电源的首选方案
二、工作时序分析
1.AHB拓扑关键波形

稳态运行时,一个开关周期内存在 6 种工作状态。为了分析该电路,做出以下限定:
1)输出电压 Vo是恒定值。
2)谐振电感 Lr (漏感)远小于磁化电感 Lm。
3)忽略所有开关的传导功率损耗。
4)S1 和 S2 的导通时间分别为 D*Ts 和(1-D)*Ts,其中 D 是 S1 的占空比,Ts 是开关周期。在稳态分析中,死区时间被忽略。
2.时序分析
第 1 阶段[t0~t1]:

当开关 S1 导通时,新的开关周期在时刻 t=t0开始。在子间隔[t0-t1]期间,ILm和 ILr 线性增加,直到 t1 时刻达到最大值 S1 关闭,这一阶段结束。从方程为:
( L r + L m ) d i L r d t = V i n − V c r − − − ( 2.1 ) (L_{r}+L_{m})\frac{di_{Lr}}{dt}=V_{in}-V_{cr}---(2.1) (Lr+Lm)dtdiLr=Vin−Vcr−−−(2.1)
C r d v c r d t = i L r − − − ( 2.2 ) C_{r}\frac{dv_{cr}}{dt}=i_{Lr}---(2.2) Crdtdvcr=iLr−−−(2.2)
谐振电感电流 ILr 和谐振电容电压 VCr 随时间的表达式为:
i L r ( t ) = i L r ( t 0 ) ⋅ cos [ ω r 1 ( t − t 0 ) ] + V i n − v c r ( t 0 ) Z r 1 sin [ ω r 1 ( t − t 0 ) ] − − − ( 2.3 ) i_{Lr}(t)=i_{Lr}(t0)\cdot \cos[\omega_{r1}(t-t0)]+\frac{V_{in}-v_{cr}(t0)}{Z_r1}\sin[\omega_{r1}(t-t0)]---(2.3) iLr(t)=iLr(t0)⋅cos[ωr1(t−t0)]+Zr1Vin−vcr(t0)sin[ωr1(t−t0)]−−−(2.3)
v C r ( t ) = V i n − [ V i n − v C r ( t 0 ) ] ⋅ cos [ ω r 1 ( t − t 0 ) ] + Z r 1 i L r ( t 0 ) ⋅ sin [ ω r 1 ( t − t 0 ) ] − − − ( 2.4 ) v_{Cr}(t)=V_{in}-[V_{in}-v_{Cr}(t0)]\cdot \cos[\omega_{r1}(t-t0)]+Z_{r1}i_{Lr}(t0)\cdot \sin[\omega_{r1}(t-t0)]---(2.4) vCr(t)=Vin−[Vin−v

最低0.47元/天 解锁文章
变换器拓扑工作原理详解&spm=1001.2101.3001.5002&articleId=150422624&d=1&t=3&u=d7a77728ac714c5fb6bf1c6460030d75)
734

被折叠的 条评论
为什么被折叠?



