第一部分:核心架构与关键性能规格
1.1. 模块概述与核心IC
RF4463PRO是由深圳市思为无线科技有限公司(NiceRF)推出的一款高性能sub-GHz无线收发模块。该模块系列提供多种工作频段版本,包括150/315/433/470/868/915 MHz,以适应不同地区和应用的需求。

该模块的核心是采用了 Silicon Labs的Si4463 Rev. C版本 收发芯片。作为Silicon Labs EZRadioPRO系列的一员,Si4463是一款在市场上得到广泛应用的低功耗sub-GHz收发器。该芯片具备较高的射频性能,例如高达+20 dBm的发射功率和-126 dBm的接收灵敏度,适用于远距离无线通信。此外,该芯片支持142-1050 MHz的宽频率范围和(G)FSK, 4(G)FSK, (G)MSK及OOK等多种调制方式,能够满足不同无线协议和应用场景的需求。基于上述技术特性及较为成熟的开发生态,Si4463芯片被应用于工业控制、无线传感网络、智能家居和物联网(IoT)等领域。
1.2. 关键技术规格(依据官方规格书)
以下是根据制造商官方规格书整理的核心技术参数,它们定义了模块的理论性能边界。
射频(RF)特性:
频率范围:可根据需求定制142-1050 MHz范围内的频段。
最大输出功率:+20 dBm (100 mW)。
接收灵敏度:在500 bps数据速率下可达 −126 dBm (数据实际灵敏度会因速率、带宽、环境干扰等不同而变化)。
数据传输速率:支持1 kbps至1000 kbps。
调制模式:支持(G)FSK, 4(G)FSK, (G)MSK以及OOK等多种调制方式。
功耗特性:
发射电流:在+20 dBm功率输出时为85 mA。
接收电流:低功耗模式下为7 mA,高性能模式下为13.5 mA。
休眠电流:小于1 uA。
工作参数:
供电电压:8 V至3.6 V。
工作温度范围:-40°C至+85°C。
物理与功能特性:
内置64/128字节的FIFO(先进先出)数据寄存器、天线自动匹配、温度感应以及跳频功能等。
为了直观展示其核心能力,下表汇总了RF4463PRO模块的关键技术规格。
表1:RF4463PRO核心技术规格汇总

第二部分:RF性能验证:实证测试数据分析
本部分将从官方规格书的理论值转向经过第三方实验室验证的实际性能数据。所有分析均基于独立的测试报告,为模块的RF能力提供客观的验证。
2.1. 发射机性能验证
根据针对RF4463Pro-433-CE型号的CE射频测试报告,模块的发射机性能表现如下:
有效辐射功率 (ERP):报告显示,在不同的电压和温度条件下,模块测得的最大有效辐射功率为 844 dBm。值得注意的是,这一数值与规格书中标称的+20 dBm存在显著差异。这种差异并非模块性能不足,而是为了满足特定法规要求所做的调整。+20 dBm代表了芯片内部功率放大器(PA)在理想条件下的最大输出能力。然而,为了通过如ETSI EN 300 220等严格的监管标准,制造商必须确保带外和谐波等杂散发射低于法定限值。通常,将功率放大器驱动至其极限会显著增加这些无用信号的强度。因此,制造商会有意将输出功率降低到一个既能保证通信距离,又能确保全面符合杂散发射限制的水平。能够精确地将功率控制在7.844 dBm这个水平,并通过所有杂散发射测试,这本身就需要很强的射频设计和生产管控能力。最终,7.844 dBm是该模块在433 MHz频段下,面向欧洲市场所能达到的最大合规功率。这一信息对于工程师进行链路预算和通信距离估算至关重要,因为它代表了实际应用中可合法使用的功率上限。
占用带宽 (OBW): 测试结果表明,在50 kHz的信道宽度下,模块的99%占用带宽为 19.095 kHz。这显示了模块具有良好的频谱利用效率,其信号能量高度集中在所需信道内。

(频谱分析仪截图显示占用带宽为19.095 kHz)
占空比 (Duty Cycle): 测试报告同样验证了模块的占空比特性。在1小时的观测周期内,模块的累计传输时间符合规定,测得的占空比为 8.63%,低于法规要求的10%限值,这对于在共享频段中运行的设备至关重要。

(频谱分析仪截图显示占空比测试结果)
杂散域无用发射: 报告对模块在三种不同天线(镀金弹簧天线、铜弹簧天线、导线天线)配置下的杂散发射进行了全面测试,频率范围覆盖25 MHz至6 GHz。所有测试结果均显示,杂散发射水平远低于ETSI EN 300 220-2标准规定的限值。例如,在使用天线2(铜弹簧天线)时,在3034.043 MHz处测得的峰值发射为-32.59 dBm,显著低于-30 dBm的限值,证明了其优异的频谱纯净度。

(RF4463PRO模块的杂散发射测试图 (垂直极化))

(杂散发射测试图 - 水平极化)
2.2. 接收机性能验证
接收机性能,特别是其在复杂电磁环境中的抗干扰能力,是衡量无线模块可靠性的关键指标。
接收机阻塞 (Blocking):阻塞测试评估接收机在存在强带外干扰信号时,维持正常接收目标信号的能力。根据测试报告,RF4463PRO被划分为 接收机类别2 (Receiver Category 2)。测试结果表明,该模块满足该类别的所有要求。例如,在距离工作信道边缘10 MHz处施加一个-41 dBm的强干扰信号时,模块依然能够正常工作,性能未出现恶化,这证明了其在拥挤的ISM频段中具有出色的鲁棒性。
下表直观地对比了模块的理论规格与经过独立验证的性能数据。
表2:RF性能对比 (官方规格书 vs. 测试报告)

第三部分:面向全球市场的全面合规性认证
对于商业和工业产品的开发而言,元器件的合规性认证是项目成功的关键。它直接影响产品的上市时间、开发成本以及市场准入。RF4463PRO提供了一套完整的认证文件,极大地简化了终端产品的合规流程。
(用于辐射发射测试的全电波暗室设置图)
(接收机杂散发射测试设置示意图)
(发射机杂散发射测试设置示意图)
3.1. 欧盟 (CE/RED)
RF4463Pro-433-CE型号已获得由公告机构(Notified Body)签发的欧盟型式检验证书(编号:20-211019),证明其完全符合无线电设备指令 (RED) 2014/53/EU 的所有基本要求。
第1条 (健康与安全):模块符合EN 62368-1:2014+A11:2017标准。相关的安全测试报告将该模块归类为Class III设备,其内部所有电路的能量等级被评定为ES1(电能量源等级1)和PS1(电源等级1),这意味着其在正常和单一故障条件下,引发电击伤害或火灾的风险极低。
第2条 (电磁兼容性 - EMC): 模块符合ETSI EN 301 489-1和ETSI EN 301 489-3标准。EMC测试报告验证了该模块通过了辐射发射和抗扰度测试(包括静电放电和射频场辐射抗扰度),表明其能够在典型的电磁环境中稳定工作,并且不会对周边设备产生过度的电磁干扰。

(静电放电(ESD)测试设置图)

(电波暗室中的辐射发射测试现场照片)

(电波暗室中的辐射抗扰度测试现场照片)

(30MHz至1GHz频率范围的辐射测试现场)

(1GHz以上频率范围的辐射测试现场)
第2条 (无线电频谱的有效利用):模块符合ETSI EN 300 220-1和ETSI EN 300 220-2标准。上一章节中详述的射频性能测试报告为此项合规提供了实证数据。
射频暴露 (RF Exposure):根据EN 50663:2017标准,当设备的平均发射功率低于20 mW时,可豁免SAR(特定吸收率)测试。该模块测得的最大有效辐射功率为7.844 dBm(约6.087 mW),远低于20 mW的豁免限值,因此符合射频暴露要求。
3.2. 北美 (FCC/IC)
模块的规格书封面和产品标签清晰地表明,其多个型号已获得美国联邦通信委员会(FCC)和加拿大创新、科学与经济发展部(ISED)的认证。
FCC ID:2AD66-RF4463PRO-FCC (适用于433 MHz版本)
FCC ID:2AD66-915 及 IC ID: 21278-915 (适用于915 MHz版本)
3.3. 材料与环境合规性 (RoHS)
模块已通过测试,证明其符合欧盟RoHS指令 (EU) 2015/863 的要求,该指令限制在电子电气产品中使用铅、汞、镉、六价铬等有害物质。测试报告(编号:SZ23120058R01)对模块的各个组成部分,包括金属屏蔽罩、IC芯片、PCB板和焊料等,都进行了化学分析,结果显示所有受限物质的含量均在法定限值以内。

(RF4463PRO模块的组件分解图,用于RoHS合规性分析)
这一整套完整的认证文件,涵盖了射频性能、电磁兼容性、电气安全、射频暴露和有害物质限制等关键领域,构成了该模块的核心价值之一。对于开发团队而言,使用预认证的无线电模块是一种行之有效的策略,可以显著加速产品的上市进程。在进行终端产品认证时,可以引用模块的测试报告和证书作为技术文件的一部分,从而减少重复测试的需求,节省大量的认证费用和时间,并大幅降低最终产品无法通过合规性测试的技术风险。因此,这套“认证包”不仅是合规性的证明,更是一个强大的开发与市场策略工具。
表3:监管合规性与标准摘要

第四部分:硬件集成与PCB布局指南
本部分为负责将RF4463PRO集成到系统中的硬件工程师提供实用且可操作的建议。
4.1. 引脚定义、接口与电源
RF4463PRO模块采用14引脚的半孔邮票边封装,其引脚定义如下:

(RF4463PRO模块的顶部和底部视图,展示了引脚布局)
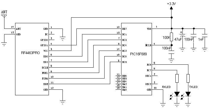
SPI接口:SCLK (Pin 8), SDI (Pin 7), SDO (Pin 6), nSEL (Pin 9)。这是与主控MCU进行控制和数据交换的主要接口。
控制线:
SDN (Shutdown, Pin 11):该引脚对于实现小于1 uA的超低功耗休眠至关重要。在低功耗应用中,必须通过MCU精确控制此引脚,高电平使模块彻底关闭。
nIRQ (Interrupt Request, Pin 10):这是实现事件驱动型高效固件的关键。模块可以通过该引脚向MCU发出中断信号,以通知数据包发送完成或接收到新数据包等事件,从而使MCU无需进行持续的轮询,显著降低系统功耗。
GPIOs:GPIO0 (Pin 3) 和 GPIO1 (Pin 4) 可供用户自由配置使用。
电源与接地:VCC (Pin 5) 连接至1.8V至3.6V的电源,GND (Pin 1, 12, 13) 连接至系统地。为保证RF性能的稳定,必须在VCC引脚附近放置电源去耦电容(如规格书典型应用电路中所示的100nF和47uF电容)。
一个特别需要注意的设计细节是,Si4463芯片原生的GPIO2和GPIO3引脚在模块内部已被用于控制射频收发切换开关,因此对用户并不可见或可用。规格书中的注释明确指出:“芯片的GPIO2和GP103管脚,模块内部已直连天线开关。GPIO2控制接收,GPIO3控制发射”。这意味着模块内部已经集成了一个射频开关及其控制逻辑,当固件命令芯片在接收(RX)和发射(TX)模式之间切换时,芯片会自动控制这两个内部GPIO来切换天线通路的连接。这一设计极大地简化了外部硬件电路,工程师无需再额外设计和布局射频开关电路,同时也简化了底层的驱动固件,因为收发切换的复杂性已被模块本身所抽象。

(RF4463PRO模块与PIC16F689微控制器的典型应用电路图)
4.2. 天线电路与布局考量

(RF4463PRO模块连接弹簧天线和棒状天线)
模块的ANT引脚(Pin 14)提供了标准的50欧姆阻抗接口。在主PCB上,需要设计一条50欧姆特性阻抗的微带线,将此引脚连接至天线或SMA等射频连接器。
模块的认证测试覆盖了三种不同的天线类型:铜弹簧天线、镀金弹簧天线和导线天线,它们的标称增益均为2.15 dBi。这为工程师提供了经过验证且合规的天线选项,简化了天线选型过程。

(RF4463PRO模块连接镀金弹簧天线)

(RF4463PRO模块连接铜弹簧天线)

(RF4463PRO模块连接导线天线)
在PCB布局时,应遵循以下射频设计最佳实践:
天线走线应尽可能短而直,避免直角弯折,优先使用圆弧或45度角走线。
在模块下方和天线走线下方确保有一个完整的、无分割的参考地平面。
天线及其走线应远离高速数字信号线、开关电源等噪声源,以防止接收机灵敏度下降。
严格遵循官方规格书中的机械尺寸图,设计正确的PCB封装尺寸和焊盘布局。

(RF4463PRO模块的机械尺寸图)
第五部分:固件开发与开源软件集成
对于许多工程师而言,与Si4463这类高性能射频芯片交互的最大挑战在于固件开发。本部分将提供一条务实的开发路径,通过利用开源社区的成果来加速开发进程。
5.1. Si4463的配置范式
配置Si4463芯片并非像控制普通外设那样,仅仅写入几个寄存器就能完成。它需要在每次上电后,通过SPI接口向芯片发送一个庞大而复杂的配置阵列。这个阵列包含了数百个参数,用于精确设定芯片内部的频率合成器、功率放大器、低噪声放大器、调制解调器、数据包处理器等各个功能模块的工作状态。
手动编写这个配置阵列几乎是不可能的。正确的做法是使用Silicon Labs官方提供的 Wireless Development Suite (WDS) 软件。工程师可以在WDS的图形化界面中设置目标工作频率、数据速率、调制方式等参数,软件会自动生成一个包含完整配置数据的C语言头文件(通常命名为radio_config_Si4463.h),这个文件随后被包含到用户的固件项目中。
5.2. 善用开源驱动与项目
开源社区已经为Si4463开发了多个成熟的驱动库,它们极大地简化了应用层固件的编写。这些驱动库通常封装了复杂的SPI通信和状态机管理,向上层提供简洁的API函数(如sendPacket()、receivePacket()),同时依赖于由WDS生成的配置文件来进行底层初始化。
以下是一些在GitHub上广受欢迎的开源项目,可作为开发的起点或参考:
Borchevkin/driver_si4463(https://github.com/Borchevkin/driver_si4463): 一个结构清晰的纯C语言驱动,提供了针对STM32平台的示例代码,非常适合用于专业的嵌入式项目开发。
UBNanosatLab/lib446x(https://github.com/UBNanosatLab/lib446x): 一个通用的C语言库,用于与Si446x系列射频芯片进行交互。
dl9rdz/rdz-si4463-test(https://github.com/dl9rdz/rdz-si4463-test): 一个针对ESP32平台的测试项目,包含了硬件接线和基本通信命令的示例。
5.3. 实践开发步骤
一个典型的开发流程如下:
生成配置头文件:从Silicon Labs官网下载并安装WDS软件。在软件中新建一个Si4463项目,配置所需的射频参数,然后导出radio_config_Si4463.h文件。
集成驱动与配置:将选择的开源驱动文件和上一步生成的头文件添加到你的MCU工程中。
编写初始化序列:在固件的启动代码中,实现模块的初始化。这通常包括以下步骤:
通过切换SDN引脚来硬件复位模块。
通过SPI发送POWER_UP命令。
将h中的整个配置数据阵列通过SPI发送给模块。
发送START_RX命令,使模块进入接收模式,等待数据。
实现收发逻辑:利用nIRQ中断来处理事件。当需要发送数据时,将数据写入FIFO并发送START_TX命令;当nIRQ中断触发(如接收到数据包)时,从FIFO中读取数据。
Si4463芯片的复杂性催生了一个活跃的开源社区,开发者们共同解决了初始化的难题,并分享了宝贵的实践经验。这些开源项目不仅提供了可用的代码,还包含了针对不同MCU平台的移植示例和调试技巧,将一个原本艰巨的软件开发任务,转变为一个更易于管理的集成工作。
第六部分:面向设计工程师的务实评估
本部分将综合前述所有分析,为工程师提供一个均衡、专业的总结,以辅助其做出明智的技术选型决策。
6.1. 核心发现总结
RF4463PRO是一款基于高性能Silicon Labs Si4463 Rev. C芯片的无线收发模块。其最突出的特点是拥有一个极为详尽和完备的第三方认证包,覆盖了CE、FCC/IC和RoHS等全球主要市场的准入要求。模块的射频性能经过了严格的实证测试,表现稳健可靠。
6.2. 优势与关键价值
加速产品上市周期:全面的认证文件(射频、EMC、安全、RoHS)是该模块最核心的优势,它能够显著缩短终端产品的合规认证流程,降低相关成本。
经实证的高性能:模块的性能参数不仅停留在规格书层面,而是有公开、详细的第三方测试报告作为支撑,为系统设计提供了可靠的数据依据。
简化的硬件设计:模块内部集成了射频收发开关及其控制逻辑,免去了外部电路设计的复杂性,降低了PCB布局的难度和风险。
成熟的开发生态:其核心芯片Si4463已在市场应用多年,拥有Silicon Labs提供的详尽文档和工具,以及一个活跃的开源社区,为固件开发提供了丰富的资源和支持。
6.3. 推荐应用与最终结论
理想应用场景:
该模块非常适合对可靠性、性能和法规遵从性有严格要求的商业及工业级应用。其预认证特性使其在工业控制、远程传感器网络、智能家居、安防系统等对产品上市时间有较高要求的领域中具有明显的竞争优势。
最终结论:
对于重视硬件的稳定可靠和预认证资质,并愿意投入必要精力进行固件集成的工程团队而言,NiceRF RF4463PRO是一个卓越的选择。它通过大幅降低合规风险和硬件设计复杂度,为项目带来的价值远超其作为单个元器件的成本,是加速产品从概念到市场转化的有力工具。
7755

被折叠的 条评论
为什么被折叠?



