✅作者简介:热爱科研的Matlab仿真开发者,擅长数据处理、建模仿真、程序设计、完整代码获取、论文复现及科研仿真。
🍎 往期回顾关注个人主页:Matlab科研工作室
🍊个人信条:格物致知,完整Matlab代码及仿真咨询内容私信。
🔥 内容介绍
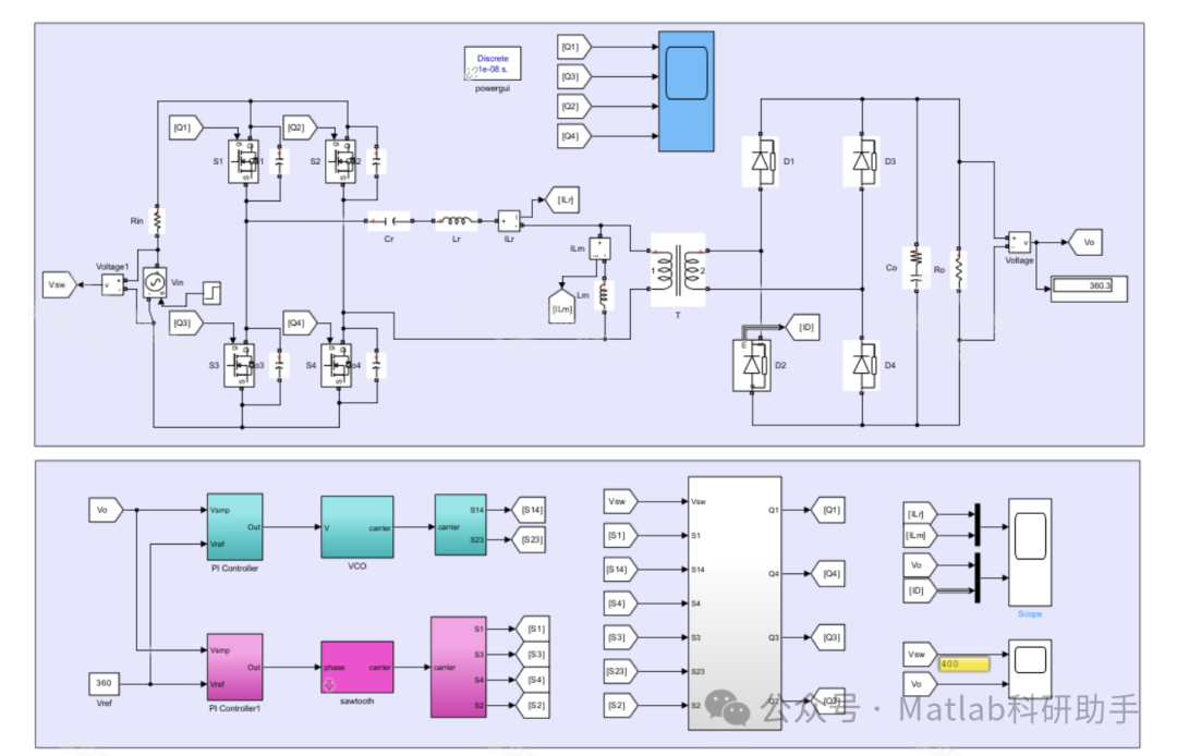
LLC谐振变换器作为一种高效的DC-DC变换器,在开关电源领域得到了广泛应用。它以其独特的谐振腔和变频控制方式,实现了高效率、低EMI和宽范围输出调节。近年来,随着电力电子技术的不断发展,LLC谐振变换器也面临着更高的性能要求,例如更宽的输入电压范围、更快的动态响应以及更小的体积。为了满足这些需求,学者们提出了多种控制策略,其中变频移相混合控制模型因其综合优势而备受关注。
传统的LLC谐振变换器主要采用变频控制,通过调节开关频率来改变输出电压。这种控制方式在轻载和重载条件下都能保持较高的效率,但在宽输入电压范围内,为了维持谐振工作状态,频率变化范围可能较大,从而导致磁性元件的设计复杂化,甚至影响系统的稳定性。此外,单纯的变频控制在动态响应方面也存在一定的局限性。
为了克服变频控制的不足,移相控制被引入LLC谐振变换器。移相控制通过调节开关管的导通角,在固定频率下实现输出电压的调节。这种控制方式可以有效减小频率变化范围,简化磁性元件的设计,并提高系统的动态响应速度。然而,单独的移相控制在轻载条件下效率会明显下降,因为此时开关管的导通时间较短,谐振腔的能量传输效率降低。
鉴于变频控制和移相控制各自的优缺点,变频移相混合控制模型应运而生。该模型将变频控制和移相控制有机结合,根据负载和输入电压的变化,智能选择合适的控制模式或组合两种控制方式。通常,在重载和宽输入电压范围内,系统会优先采用移相控制,以减小频率变化范围,提高动态响应。而在轻载条件下,系统则切换到变频控制模式,以维持高效率。
变频移相混合控制模型的实现方式多种多样。一种常见的方法是采用分段控制策略,即在不同的工作区域内采用不同的控制模式。例如,在重载区采用移相控制,在轻载区采用变频控制,而在中间区域则采用两种控制的线性组合或平滑过渡。另一种方法是采用基于模糊逻辑或神经网络的智能控制策略,通过实时监测输入输出参数,自适应地调整控制模式和控制参数,从而实现更优的整体性能。
变频移相混合控制模型在实际应用中展现出显著优势。首先,它能够有效拓宽LLC谐振变换器的工作范围,使其在高输入电压、宽负载变化等复杂工况下仍能保持高效稳定运行。其次,该模型能够兼顾效率和动态响应,在保证高效率的同时,显著提升系统对负载变化的响应速度。此外,通过优化控制策略,变频移相混合控制还可以进一步减小磁性元件的体积和重量,提高功率密度。
然而,变频移相混合控制模型的实现也面临一些挑战。例如,控制算法的复杂性增加,需要更强大的微控制器进行实时运算。同时,在不同控制模式之间的平滑切换,以及避免模式切换时产生的瞬态冲击,也是设计中需要重点考虑的问题。为了解决这些问题,研究人员正在积极探索更先进的控制算法、更精确的建模方法以及更优化的硬件设计。
展望未来,随着人工智能和数字控制技术的不断进步,变频移相混合控制模型将在LLC谐振变换器中发挥越来越重要的作用。例如,结合机器学习算法,可以实现更加智能化的控制模式选择和参数自适应调整,进一步提升变换器的性能。同时,集成更多传感器和通信接口,LLC谐振变换器有望成为智能电网和物联网中的关键组成部分,为构建高效、可靠的电力系统贡献力量。
LLC谐振变换器变频移相混合控制模型是提升变换器性能的有效途径。它通过巧妙结合变频控制和移相控制的优点,克服了传统控制策略的局限性,实现了高效率、宽范围、快速响应等目标。尽管仍存在一些挑战,但随着技术的不断发展,相信变频移相混合控制模型将在未来电力电子领域展现出更广阔的应用前景。
⛳️ 运行结果



🔗 参考文献
[1] 李菊,阮新波.全桥LLC谐振变换器的混合式控制策略[J].电工技术学报, 2013, 28(4):72-79.DOI:10.3969/j.issn.1000-6753.2013.04.011.
[2] 李菊,阮新波.全桥LLC谐振变换器的混合式控制策略[C]//第五届中国高校电力电子与电力传动学术年会.华中科技大学, 2011.
[3] 邓钦瑞,何英杰,雷超,等.CLLLC谐振变换器变频移相混合控制方法[J].电力自动化设备, 2022, 42(2):7.DOI:10.16081/j.epae.202110006.
📣 部分代码
🎈 部分理论引用网络文献,若有侵权联系博主删除
👇 关注我领取海量matlab电子书和数学建模资料
🏆团队擅长辅导定制多种科研领域MATLAB仿真,助力科研梦:
🌈 各类智能优化算法改进及应用
生产调度、经济调度、装配线调度、充电优化、车间调度、发车优化、水库调度、三维装箱、物流选址、货位优化、公交排班优化、充电桩布局优化、车间布局优化、集装箱船配载优化、水泵组合优化、解医疗资源分配优化、设施布局优化、可视域基站和无人机选址优化、背包问题、 风电场布局、时隙分配优化、 最佳分布式发电单元分配、多阶段管道维修、 工厂-中心-需求点三级选址问题、 应急生活物质配送中心选址、 基站选址、 道路灯柱布置、 枢纽节点部署、 输电线路台风监测装置、 集装箱调度、 机组优化、 投资优化组合、云服务器组合优化、 天线线性阵列分布优化、CVRP问题、VRPPD问题、多中心VRP问题、多层网络的VRP问题、多中心多车型的VRP问题、 动态VRP问题、双层车辆路径规划(2E-VRP)、充电车辆路径规划(EVRP)、油电混合车辆路径规划、混合流水车间问题、 订单拆分调度问题、 公交车的调度排班优化问题、航班摆渡车辆调度问题、选址路径规划问题、港口调度、港口岸桥调度、停机位分配、机场航班调度、泄漏源定位
🌈 机器学习和深度学习时序、回归、分类、聚类和降维
2.1 bp时序、回归预测和分类
2.2 ENS声神经网络时序、回归预测和分类
2.3 SVM/CNN-SVM/LSSVM/RVM支持向量机系列时序、回归预测和分类
2.4 CNN|TCN|GCN卷积神经网络系列时序、回归预测和分类
2.5 ELM/KELM/RELM/DELM极限学习机系列时序、回归预测和分类
2.6 GRU/Bi-GRU/CNN-GRU/CNN-BiGRU门控神经网络时序、回归预测和分类
2.7 ELMAN递归神经网络时序、回归\预测和分类
2.8 LSTM/BiLSTM/CNN-LSTM/CNN-BiLSTM/长短记忆神经网络系列时序、回归预测和分类
2.9 RBF径向基神经网络时序、回归预测和分类
2.10 DBN深度置信网络时序、回归预测和分类
2.11 FNN模糊神经网络时序、回归预测
2.12 RF随机森林时序、回归预测和分类
2.13 BLS宽度学习时序、回归预测和分类
2.14 PNN脉冲神经网络分类
2.15 模糊小波神经网络预测和分类
2.16 时序、回归预测和分类
2.17 时序、回归预测预测和分类
2.18 XGBOOST集成学习时序、回归预测预测和分类
2.19 Transform各类组合时序、回归预测预测和分类
方向涵盖风电预测、光伏预测、电池寿命预测、辐射源识别、交通流预测、负荷预测、股价预测、PM2.5浓度预测、电池健康状态预测、用电量预测、水体光学参数反演、NLOS信号识别、地铁停车精准预测、变压器故障诊断
🌈图像处理方面
图像识别、图像分割、图像检测、图像隐藏、图像配准、图像拼接、图像融合、图像增强、图像压缩感知
🌈 路径规划方面
旅行商问题(TSP)、车辆路径问题(VRP、MVRP、CVRP、VRPTW等)、无人机三维路径规划、无人机协同、无人机编队、机器人路径规划、栅格地图路径规划、多式联运运输问题、 充电车辆路径规划(EVRP)、 双层车辆路径规划(2E-VRP)、 油电混合车辆路径规划、 船舶航迹规划、 全路径规划规划、 仓储巡逻
🌈 无人机应用方面
无人机路径规划、无人机控制、无人机编队、无人机协同、无人机任务分配、无人机安全通信轨迹在线优化、车辆协同无人机路径规划
🌈 通信方面
传感器部署优化、通信协议优化、路由优化、目标定位优化、Dv-Hop定位优化、Leach协议优化、WSN覆盖优化、组播优化、RSSI定位优化、水声通信、通信上传下载分配
🌈 信号处理方面
信号识别、信号加密、信号去噪、信号增强、雷达信号处理、信号水印嵌入提取、肌电信号、脑电信号、信号配时优化、心电信号、DOA估计、编码译码、变分模态分解、管道泄漏、滤波器、数字信号处理+传输+分析+去噪、数字信号调制、误码率、信号估计、DTMF、信号检测
🌈电力系统方面
微电网优化、无功优化、配电网重构、储能配置、有序充电、MPPT优化、家庭用电
🌈 元胞自动机方面
交通流 人群疏散 病毒扩散 晶体生长 金属腐蚀
🌈 雷达方面
卡尔曼滤波跟踪、航迹关联、航迹融合、SOC估计、阵列优化、NLOS识别
🌈 车间调度
零等待流水车间调度问题NWFSP 、 置换流水车间调度问题PFSP、 混合流水车间调度问题HFSP 、零空闲流水车间调度问题NIFSP、分布式置换流水车间调度问题 DPFSP、阻塞流水车间调度问题BFSP
👇
1313

被折叠的 条评论
为什么被折叠?



