✅作者简介:热爱科研的Matlab仿真开发者,擅长数据处理、建模仿真、程序设计、完整代码获取、论文复现及科研仿真。
🍎 往期回顾关注个人主页:Matlab科研工作室
🍊个人信条:格物致知,完整Matlab代码及仿真咨询内容私信。
🔥 内容介绍
永磁同步电机(Permanent Magnet Synchronous Motor, PMSM)凭借高效率、高功率密度和快速动态响应等特性,在新能源汽车、工业机器人、精密机床等领域得到广泛应用。然而,PMSM 的控制面临诸多挑战,如参数时变(电阻、电感随温度变化)、外部负载扰动(如突然加载 / 卸载)以及非线性耦合特性,传统 PI 控制难以在复杂工况下实现高精度、强鲁棒性的控制效果。自抗扰控制(Active Disturbance Rejection Control, ADRC)作为一种不依赖精确数学模型的先进控制策略,通过实时估计并补偿系统内外扰动,为 PMSM 的高性能控制提供了有效解决方案。本文将详细阐述基于 ADRC 的 PMSM 仿真模型的设计与实现。
永磁同步电机的数学模型
在同步旋转坐标系(d-q 轴)下,PMSM 的数学模型可描述为:

ADRC 控制器的设计
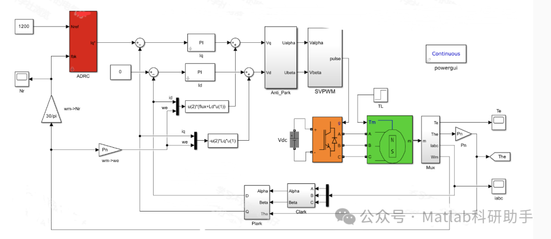
ADRC 控制器主要由跟踪微分器(TD)、扩张状态观测器(ESO)和非线性状态误差反馈(NLSEF)三部分组成,其结构如图 1 所示(概念性框架)。针对 PMSM 的双闭环控制(速度环和电流环),需分别设计 ADRC 控制器,其中速度环 ADRC 用于抑制负载扰动和转动惯量变化,电流环 ADRC 用于补偿定子电阻、电感变化及交叉耦合电势。


仿真模型搭建
基于 MATLAB/Simulink 搭建 PMSM-ADRC 仿真模型,主要包括以下模块:

仿真结果与分析

结论与展望
基于 ADRC 的永磁同步电机仿真模型通过扩张状态观测器实时估计并补偿内外扰动,在转速跟踪、抗负载扰动和参数摄动方面均表现出优于传统 PI 控制的性能,验证了 ADRC 在 PMSM 控制中的有效性。
未来研究可从三方面深化:
- 参数自整定:结合智能优化算法(如粒子群优化)实现 ADRC 参数的在线自适应调整,进一步简化调试过程;
- 多目标优化:在速度环控制中融入转矩脉动最小化目标,提升电机运行平稳性;
- 硬件在环仿真:基于 DSP 或 FPGA 搭建实物控制器,通过硬件在环测试验证算法的工程实用性。
⛳️ 运行结果




🔗 参考文献
[1] 刘志刚.基于永磁同步电机模型辨识与补偿的自抗扰控制器[J].中国电机工程学报, 28(24)[2025-08-11].DOI:10.3321/j.issn:0258-8013.2008.24.020.
[2] 龙晓军.基于自抗扰技术的永磁同步电机调速方法研究[D].大连海事大学,2011.DOI:10.7666/d.y1895623.
[3] 闫光亚.永磁直线同步电机自抗扰控制系统及实验研究[D].华中科技大学,2011.DOI:10.7666/d.d186142.
📣 部分代码
🎈 部分理论引用网络文献,若有侵权联系博主删除
👇 关注我领取海量matlab电子书和数学建模资料
🏆团队擅长辅导定制多种科研领域MATLAB仿真,助力科研梦:
🌈 各类智能优化算法改进及应用
生产调度、经济调度、装配线调度、充电优化、车间调度、发车优化、水库调度、三维装箱、物流选址、货位优化、公交排班优化、充电桩布局优化、车间布局优化、集装箱船配载优化、水泵组合优化、解医疗资源分配优化、设施布局优化、可视域基站和无人机选址优化、背包问题、 风电场布局、时隙分配优化、 最佳分布式发电单元分配、多阶段管道维修、 工厂-中心-需求点三级选址问题、 应急生活物质配送中心选址、 基站选址、 道路灯柱布置、 枢纽节点部署、 输电线路台风监测装置、 集装箱调度、 机组优化、 投资优化组合、云服务器组合优化、 天线线性阵列分布优化、CVRP问题、VRPPD问题、多中心VRP问题、多层网络的VRP问题、多中心多车型的VRP问题、 动态VRP问题、双层车辆路径规划(2E-VRP)、充电车辆路径规划(EVRP)、油电混合车辆路径规划、混合流水车间问题、 订单拆分调度问题、 公交车的调度排班优化问题、航班摆渡车辆调度问题、选址路径规划问题、港口调度、港口岸桥调度、停机位分配、机场航班调度、泄漏源定位
🌈 机器学习和深度学习时序、回归、分类、聚类和降维
2.1 bp时序、回归预测和分类
2.2 ENS声神经网络时序、回归预测和分类
2.3 SVM/CNN-SVM/LSSVM/RVM支持向量机系列时序、回归预测和分类
2.4 CNN|TCN|GCN卷积神经网络系列时序、回归预测和分类
2.5 ELM/KELM/RELM/DELM极限学习机系列时序、回归预测和分类
2.6 GRU/Bi-GRU/CNN-GRU/CNN-BiGRU门控神经网络时序、回归预测和分类
2.7 ELMAN递归神经网络时序、回归\预测和分类
2.8 LSTM/BiLSTM/CNN-LSTM/CNN-BiLSTM/长短记忆神经网络系列时序、回归预测和分类
2.9 RBF径向基神经网络时序、回归预测和分类
2.10 DBN深度置信网络时序、回归预测和分类
2.11 FNN模糊神经网络时序、回归预测
2.12 RF随机森林时序、回归预测和分类
2.13 BLS宽度学习时序、回归预测和分类
2.14 PNN脉冲神经网络分类
2.15 模糊小波神经网络预测和分类
2.16 时序、回归预测和分类
2.17 时序、回归预测预测和分类
2.18 XGBOOST集成学习时序、回归预测预测和分类
2.19 Transform各类组合时序、回归预测预测和分类
方向涵盖风电预测、光伏预测、电池寿命预测、辐射源识别、交通流预测、负荷预测、股价预测、PM2.5浓度预测、电池健康状态预测、用电量预测、水体光学参数反演、NLOS信号识别、地铁停车精准预测、变压器故障诊断
🌈图像处理方面
图像识别、图像分割、图像检测、图像隐藏、图像配准、图像拼接、图像融合、图像增强、图像压缩感知
🌈 路径规划方面
旅行商问题(TSP)、车辆路径问题(VRP、MVRP、CVRP、VRPTW等)、无人机三维路径规划、无人机协同、无人机编队、机器人路径规划、栅格地图路径规划、多式联运运输问题、 充电车辆路径规划(EVRP)、 双层车辆路径规划(2E-VRP)、 油电混合车辆路径规划、 船舶航迹规划、 全路径规划规划、 仓储巡逻
🌈 无人机应用方面
无人机路径规划、无人机控制、无人机编队、无人机协同、无人机任务分配、无人机安全通信轨迹在线优化、车辆协同无人机路径规划
🌈 通信方面
传感器部署优化、通信协议优化、路由优化、目标定位优化、Dv-Hop定位优化、Leach协议优化、WSN覆盖优化、组播优化、RSSI定位优化、水声通信、通信上传下载分配
🌈 信号处理方面
信号识别、信号加密、信号去噪、信号增强、雷达信号处理、信号水印嵌入提取、肌电信号、脑电信号、信号配时优化、心电信号、DOA估计、编码译码、变分模态分解、管道泄漏、滤波器、数字信号处理+传输+分析+去噪、数字信号调制、误码率、信号估计、DTMF、信号检测
🌈电力系统方面
微电网优化、无功优化、配电网重构、储能配置、有序充电、MPPT优化、家庭用电
🌈 元胞自动机方面
交通流 人群疏散 病毒扩散 晶体生长 金属腐蚀
🌈 雷达方面
卡尔曼滤波跟踪、航迹关联、航迹融合、SOC估计、阵列优化、NLOS识别
🌈 车间调度
零等待流水车间调度问题NWFSP 、 置换流水车间调度问题PFSP、 混合流水车间调度问题HFSP 、零空闲流水车间调度问题NIFSP、分布式置换流水车间调度问题 DPFSP、阻塞流水车间调度问题BFSP
👇
663

被折叠的 条评论
为什么被折叠?



