💥💥💞💞欢迎来到本博客❤️❤️💥💥
🏆博主优势:🌞🌞🌞博客内容尽量做到思维缜密,逻辑清晰,为了方便读者。
⛳️座右铭:行百里者,半于九十。
📋📋📋本文目录如下:🎁🎁🎁
目录
💥1 概述
参考文献:

近年来,随着大量电力电子装置的广泛应用,其非线性的工作特性将产生大量谐波和无功功率注入电网,造成电能质量下降,然而,很多高精度以及计算机系统等敏感性负载对电能质量的要求越来越高,因此电力系统谐波抑制以及无功补偿问题成为研究的热点,静止无功功率发生器、有源
电力滤波器(Active Power Filter,APF)以及统一电能质量调节器因其优越的谐波抑制和无功补偿性能被广泛应用。锁相环技术[1-6]对于APF来说至关重要,因为在谐波检测以及指令电流计算时需要实时、准确的电网电压相位信息,锁相环的动态响应速度以及稳态精度直接影响APF的整体性能,因此,研究一种在电网电压普遍存在谐波、波动以及不对称的情况下,能够实时准确的获取 电网电压相位的锁相环技术具有重要意义。
📚2 运行结果
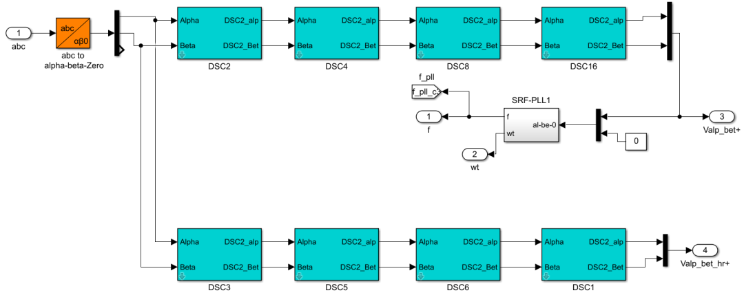
2.1 Simulink仿真


2.2 运行波形

🎉3 参考文献
文章中一些内容引自网络,会注明出处或引用为参考文献,难免有未尽之处,如有不妥,请随时联系删除。
[1]温华生.基于CDSC的APF锁相环设计[J].电子世界,2016(06):147-149.DOI:10.19353/j.cnki.dzsj.2016.06.064.
本文探讨了电力系统中由于非线性装置导致的电能质量问题,着重研究了锁相环在ActivePowerFilter中的重要性,尤其是在电网电压存在谐波时的实时相位获取。文章通过Simulink进行了仿真分析,展示了相关技术在实际应用中的效果。

203

被折叠的 条评论
为什么被折叠?



