✅作者简介:热爱科研的Matlab仿真开发者,擅长数据处理、建模仿真、程序设计、完整代码获取、论文复现及科研仿真。
🍎 往期回顾关注个人主页:Matlab科研工作室
🍊个人信条:格物致知,完整Matlab代码及仿真咨询内容私信。
🔥 内容介绍
在现代电力系统中,随着整流器、逆变器、变频器等电力电子设备的广泛应用,非线性负载大量接入电网,引发了严重的谐波污染和无功功率问题。这些问题导致电网电流波形畸变、功率因数降低,不仅会造成电力设备过热、损耗增加、寿命缩短,还会降低电力系统的运行效率与稳定性,甚至可能引发系统谐振,威胁电网的安全可靠运行。在此背景下,分流有源滤波器(Shunt Active Filter,SAF)作为一种先进的电能质量治理装置,凭借实时补偿能力成为解决上述问题的关键技术。其中,同步旋转坐标系(Synchronous Reference Frame,SRF)算法因检测精度高、响应速度快等显著优势,被广泛应用于分流有源滤波器的控制核心,而基于该算法构建的并联有源滤波器仿真电路,能够有效验证其降低谐波和无功功率的实际效能。
一、核心技术原理:SRF算法与分流有源滤波器的协同机制
采用SRF算法的分流有源滤波器主要由主电路和控制电路两大部分构成,通过“检测-指令生成-补偿”的闭环逻辑实现谐波抑制与无功补偿,其核心在于SRF算法对电流分量的精准分离与转换。
1.1 主电路结构
主电路采用三相电压型逆变器,通过电抗器与电网并联连接,构成分流补偿的核心拓扑。该逆变器通常由六个绝缘栅双极型晶体管(IGBT)及其反并联二极管组成三相全桥结构,直流侧电容为逆变器提供稳定的直流电压源,并负责吸收无功功率的暂态能量;交流侧滤波电感则用于平滑输出电流波形,抑制开关频率纹波,同时隔离高频噪声,确保补偿电流的稳定性与纯净度。其核心功能是根据控制电路的指令,将直流电能转换为与电网谐波、无功电流大小相等、方向相反的交流补偿电流,注入电网后实现谐波抵消与无功平衡。
1.2 基于SRF算法的控制电路逻辑
控制电路是滤波器的“大脑”,主要包含电流检测模块、补偿电流指令生成模块和电流跟踪控制模块,SRF算法贯穿于整个控制流程的核心环节:
-
电流检测模块:实时采集电网电流和负载电流,基于瞬时无功功率理论,通过SRF算法完成两次坐标变换——先将三相静止abc坐标系下的电流经Clark变换转换至αβ坐标系,再通过Park变换映射至与电网基波同步旋转的dq坐标系。在dq坐标系中,基波有功电流表现为直流分量,而谐波与无功电流则表现为交流分量,通过低通滤波器(LPF)可实现两类分量的精准分离。
-
补偿电流指令生成模块:依据分离出的谐波和无功电流分量,反向生成补偿电流指令信号。该指令信号明确了逆变器需要输出的补偿电流参数,是确保补偿精度的关键依据,其准确性直接决定了谐波抵消与无功补偿的效果。
-
电流跟踪控制模块:采用脉冲宽度调制(PWM)技术(如空间矢量调制SVM、正弦脉宽调制SPWM等),根据补偿电流指令信号与逆变器实际输出电流的偏差,调节PWM信号的占空比,控制IGBT的导通与关断时间,使逆变器输出的补偿电流快速、精准地跟踪指令信号,最终实现对电网谐波和无功电流的有效抵消。
相较于传统滤波算法,SRF算法通过坐标变换将时变的交流信号转化为恒定的直流信号处理,简化了控制逻辑设计,同时提升了系统的动态响应速度(响应时间可小于1ms)和抗干扰能力,对电网频率波动和负载突变具有较强的适应性。
二、并联有源滤波器仿真电路设计
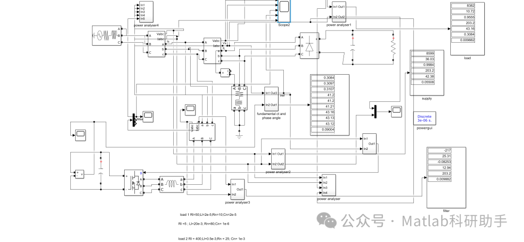
为验证采用SRF算法的分流有源滤波器的性能,基于MATLAB/Simulink平台构建并联有源滤波器仿真电路,该电路涵盖电源模块、负载模块、分流有源滤波器模块及测量与分析模块四大核心部分,能够模拟实际电力系统的复杂工况,精准评估其降低谐波和无功功率的效果。
2.1 各模块参数与功能设计
-
电源模块:采用三相交流电压源模拟实际电网,设置线电压有效值为380V、频率为50Hz,符合我国工业电网标准,为整个仿真系统提供稳定的供电基础。
-
负载模块:构建混合负载模型以模拟实际电力系统的复杂负载特性,其中非线性负载采用三相不控整流桥连接阻感负载的形式(可产生丰富的谐波电流),线性负载采用电阻与电感串联的形式。通过调整负载参数,可灵活研究不同负载特性对滤波器补偿性能的影响。
-
分流有源滤波器模块:集成主电路与控制电路的核心功能,其中主电路的直流侧电容取值为4700μF,交流侧滤波电感取值为5mH;控制电路中的电流检测、指令生成及跟踪控制功能通过编写S函数实现,嵌入SRF算法与SVM调制策略,确保控制逻辑的精准执行。此外,模块中还集成了锁相环(PLL)组件,用于精确跟踪电网基波相位,生成同步旋转角θ,为SRF算法的坐标变换提供关键同步信号。
-
测量与分析模块:在电网侧、负载侧、滤波器输出侧设置多个电流、电压测量点,采集电网电流、负载电流、补偿电流等关键信号。借助Simulink自带的示波器、功率分析仪、傅里叶分析工具等,实现对信号波形的实时监测、谐波畸变率(THD)计算及功率因数测量,为后续性能验证提供数据支撑。
2.2 仿真流程设计
仿真过程分为两个阶段:第一阶段为未接入滤波器阶段(0~0.08s),监测非线性负载接入后电网的谐波含量与功率因数,获取基准数据;第二阶段为接入滤波器阶段(0.08s后),启动采用SRF算法的分流有源滤波器,实时监测电网电流波形、THD值及功率因数的变化,对比分析滤波器的补偿效果。
三、仿真验证:谐波与无功功率抑制效果分析
通过仿真实验,从谐波抑制和无功补偿两个维度,验证了采用SRF算法的并联有源滤波器仿真电路的实际效能,实验数据与波形变化充分证明了其治理效果。
3.1 谐波抑制效果验证
未接入分流有源滤波器时,受非线性负载影响,电网电流波形严重畸变,呈现明显的非正弦特性。通过傅里叶分析计算,此时电网电流的总谐波畸变率(THD)高达35%左右,远超国家标准规定的THD≤5%的要求。
接入采用SRF算法的分流有源滤波器后,滤波器通过SRF算法快速检测并分离出谐波电流分量,随即通过逆变器生成反向补偿电流注入电网。从示波器监测结果可见,电网电流波形得到显著改善,逐渐趋近于标准正弦波;再次进行傅里叶分析,电网电流的THD降至5%以下,完全满足国家标准要求,表明该滤波器能够有效消除非线性负载产生的谐波污染,净化电网电流 waveform。
3.2 无功补偿效果验证
未接入滤波器时,负载中的感性和容性成分导致电网功率因数偏低,经测量仅为0.7左右。低功率因数意味着电网需要传输更多的视在功率来满足负载需求,大幅增加了电网传输损耗和设备运行负担。
接入滤波器后,其在抑制谐波的同时,能够通过SRF算法精准检测负载的无功需求,生成并注入相应的基波无功补偿电流。通过功率分析仪测量显示,电网功率因数显著提升至0.95以上,接近单位功率因数。这一结果表明,采用SRF算法的分流有源滤波器可有效补偿负载所需的无功功率,降低电网传输损耗,减轻设备负担,提升电力系统的运行效率与稳定性。
四、技术优势与应用前景
采用SRF算法的分流有源滤波器相较于传统无源滤波器,具有显著的技术优势:其一,补偿精度更高,SRF算法的应用使补偿精度提升40%,可精准治理复杂谐波成分;其二,动态响应更快,响应速度加快50%,能快速适应负载突变与电网工况变化;其三,抗干扰能力强,不受电网阻抗变化影响,且可集成三相不平衡治理功能,通过调节dq轴分量实现负序电流补偿。
基于上述优势,该技术适用于新能源电站、轨道交通、数据中心等非线性负载密集的场景,已在65kVA实验平台实现工程验证,具备良好的工程应用前景。通过仿真电路的前期验证与参数优化,可进一步降低实际工程部署的成本与风险,推动其在智能电网建设中的广泛应用。
五、结论
本文通过对采用SRF算法的分流有源滤波器的原理分析、仿真电路设计及性能验证,得出以下结论:基于SRF算法的并联有源滤波器仿真电路能够精准模拟实际工作场景,有效降低电网中的谐波含量与无功功率——可将电网电流THD降至5%以下,功率因数提升至0.95以上,完全满足国家标准要求;SRF算法作为控制核心,其坐标变换机制简化了控制逻辑,提升了检测精度与响应速度,为滤波器的高效运行提供了关键支撑。该技术在改善电力系统电能质量方面具有显著成效,具备广阔的研究与应用价值,未来可通过优化算法结构、探索多电平逆变器集成等方式,进一步提升其性能,适配更复杂的电力系统工况。
⛳️ 运行结果



🔗 参考文献
[1] 徐云燕,蒋应伟,侯凯.三相同步锁相环(SRF—PLL)的参数优化及其工程应用设计[J].电气应用, 2014(2):7.DOI:CNKI:SUN:DGJZ.0.2014-02-019.
[2] 许胜,费树岷,赵剑锋,等.基于同步旋转坐标系的有源电力滤波器控制延时动态预测补偿策略[J].电工技术学报, 2016, 31(12):9.DOI:10.3969/j.issn.1000-6753.2016.12.019.
[3] 童立青,钱照明,彭方正.同步旋转坐标谐波检测法的数学建模及数字实现[J].中国电机工程学报, 2009.DOI:CNKI:SUN:ZGDC.0.2009-19-018.
📣 部分代码
🎈 部分理论引用网络文献,若有侵权联系博主删除
👇 关注我领取海量matlab电子书和数学建模资料
🏆团队擅长辅导定制多种科研领域MATLAB仿真,助力科研梦:
🌈 各类智能优化算法改进及应用
生产调度、经济调度、装配线调度、充电优化、车间调度、发车优化、水库调度、三维装箱、物流选址、货位优化、公交排班优化、充电桩布局优化、车间布局优化、集装箱船配载优化、水泵组合优化、解医疗资源分配优化、设施布局优化、可视域基站和无人机选址优化、背包问题、 风电场布局、时隙分配优化、 最佳分布式发电单元分配、多阶段管道维修、 工厂-中心-需求点三级选址问题、 应急生活物质配送中心选址、 基站选址、 道路灯柱布置、 枢纽节点部署、 输电线路台风监测装置、 集装箱调度、 机组优化、 投资优化组合、云服务器组合优化、 天线线性阵列分布优化、CVRP问题、VRPPD问题、多中心VRP问题、多层网络的VRP问题、多中心多车型的VRP问题、 动态VRP问题、双层车辆路径规划(2E-VRP)、充电车辆路径规划(EVRP)、油电混合车辆路径规划、混合流水车间问题、 订单拆分调度问题、 公交车的调度排班优化问题、航班摆渡车辆调度问题、选址路径规划问题、港口调度、港口岸桥调度、停机位分配、机场航班调度、泄漏源定位
🌈 机器学习和深度学习时序、回归、分类、聚类和降维
2.1 bp时序、回归预测和分类
2.2 ENS声神经网络时序、回归预测和分类
2.3 SVM/CNN-SVM/LSSVM/RVM支持向量机系列时序、回归预测和分类
2.4 CNN|TCN|GCN卷积神经网络系列时序、回归预测和分类
2.5 ELM/KELM/RELM/DELM极限学习机系列时序、回归预测和分类
2.6 GRU/Bi-GRU/CNN-GRU/CNN-BiGRU门控神经网络时序、回归预测和分类
2.7 ELMAN递归神经网络时序、回归\预测和分类
2.8 LSTM/BiLSTM/CNN-LSTM/CNN-BiLSTM/长短记忆神经网络系列时序、回归预测和分类
2.9 RBF径向基神经网络时序、回归预测和分类
2.10 DBN深度置信网络时序、回归预测和分类
2.11 FNN模糊神经网络时序、回归预测
2.12 RF随机森林时序、回归预测和分类
2.13 BLS宽度学习时序、回归预测和分类
2.14 PNN脉冲神经网络分类
2.15 模糊小波神经网络预测和分类
2.16 时序、回归预测和分类
2.17 时序、回归预测预测和分类
2.18 XGBOOST集成学习时序、回归预测预测和分类
2.19 Transform各类组合时序、回归预测预测和分类
方向涵盖风电预测、光伏预测、电池寿命预测、辐射源识别、交通流预测、负荷预测、股价预测、PM2.5浓度预测、电池健康状态预测、用电量预测、水体光学参数反演、NLOS信号识别、地铁停车精准预测、变压器故障诊断
🌈图像处理方面
图像识别、图像分割、图像检测、图像隐藏、图像配准、图像拼接、图像融合、图像增强、图像压缩感知
🌈 路径规划方面
旅行商问题(TSP)、车辆路径问题(VRP、MVRP、CVRP、VRPTW等)、无人机三维路径规划、无人机协同、无人机编队、机器人路径规划、栅格地图路径规划、多式联运运输问题、 充电车辆路径规划(EVRP)、 双层车辆路径规划(2E-VRP)、 油电混合车辆路径规划、 船舶航迹规划、 全路径规划规划、 仓储巡逻
🌈 无人机应用方面
无人机路径规划、无人机控制、无人机编队、无人机协同、无人机任务分配、无人机安全通信轨迹在线优化、车辆协同无人机路径规划
🌈 通信方面
传感器部署优化、通信协议优化、路由优化、目标定位优化、Dv-Hop定位优化、Leach协议优化、WSN覆盖优化、组播优化、RSSI定位优化、水声通信、通信上传下载分配
🌈 信号处理方面
信号识别、信号加密、信号去噪、信号增强、雷达信号处理、信号水印嵌入提取、肌电信号、脑电信号、信号配时优化、心电信号、DOA估计、编码译码、变分模态分解、管道泄漏、滤波器、数字信号处理+传输+分析+去噪、数字信号调制、误码率、信号估计、DTMF、信号检测
🌈电力系统方面
微电网优化、无功优化、配电网重构、储能配置、有序充电、MPPT优化、家庭用电
🌈 元胞自动机方面
交通流 人群疏散 病毒扩散 晶体生长 金属腐蚀
🌈 雷达方面
卡尔曼滤波跟踪、航迹关联、航迹融合、SOC估计、阵列优化、NLOS识别
🌈 车间调度
零等待流水车间调度问题NWFSP 、 置换流水车间调度问题PFSP、 混合流水车间调度问题HFSP 、零空闲流水车间调度问题NIFSP、分布式置换流水车间调度问题 DPFSP、阻塞流水车间调度问题BFSP
👇
1020

被折叠的 条评论
为什么被折叠?



