- 简述:
- 触摸屏又称控制面板,它是一种把触摸位置转换成坐标数据的输入设备;
- 按检测原理分类:
- 电阻式触摸屏:
- 优点:价格便宜,抗干扰能力强;
- 缺点:单点触控,压力感应,经常校准,表面易刮花,易磨损;
- 电容式触摸屏:
- 优点:多点触控,不用校准,检测精度高;
- 缺点:只能感应导电物体,表面有水珠时影响检测结果;
- 电阻式触摸屏:
- 电阻式触摸屏检测原理:
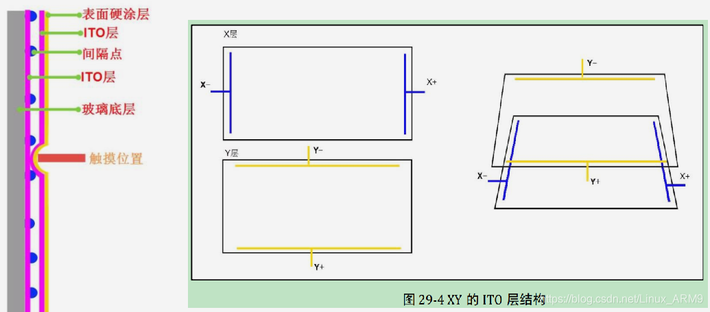
- 触摸屏结构:

- 触摸原理:
- 当触摸屏按下时,XY的IOT层相互接触(类似于薄膜键盘,按键按下,触点将上面两面导通,从而检测键盘位置),从触点处把ITO层分为两个电阻,由于均匀导电的关系,两个电阻的大小与触点离两电极的距离成比例关系,利用这个特性; 可通过下述过程来检测坐标;
- 检测原理:
- 等效电路:

- 原理描述:
- X坐标计算:
- X+电极接驱动电压Vref,X-极接地,因此X+与X-之间形成了匀强电场,触点处的电压通过Y+电极采集得到;触点电压/驱动电压 = 触点X坐标/屏宽;
- 公式为:X = Vy+(Y+采集到的触点电压)*Width / Vref(X+所施加电压)
- Y坐标计算:原理同上
- Y+电极接驱动电压Vref,Y-极接地,因此Y+与Y-之间形成了匀强电场,触点处的电压通过X+电极采集得到;触点电压/驱动电压 = 触点X坐标/屏宽;
- 公式为:Y = Vx+(X+采集到的触点电压)*Hight / Vref(Y+所施加电压)
- X坐标计算:
- 等效电路:
- 常用电阻触摸芯片:电阻触摸为4线制
- XPT2046、ADS7843、ADS7846这三款芯片完全兼容;
- XPT2046芯片介绍:
- 工作电压:2.2v~5.25v
- 支持1.5V~5.25V的数字I/O口
- 内建2.5V参考电压源
- SPI3线控制通信
- (开发板没有接到SPI接口,此处软件模拟)
- 模拟输入:
- 差分输入:本例程所用方式
- 单端输入:
- 自动Power-Down功能
- 芯片框图:
- 电气连接(软件模拟驱动):
- DCLK:外部时钟输入信号; ---------->PH6
- CS:片选信号,低电平有效; ---------->PI8
- DIN:串行数据输入端,CS为
- 触摸屏结构:
【13】、STM32F767——————>电阻触摸屏(XPT2046 模拟SPI)
最新推荐文章于 2023-06-21 16:29:18 发布
本文深入探讨了电阻式触摸屏的工作原理,包括其结构、检测原理及坐标计算方法。介绍了XPT2046触摸芯片的特性、电气连接和时序,以及触摸屏的初始化和坐标读取算法。最后,详细阐述了基于4点校准的触摸屏校准算法。


最低0.47元/天 解锁文章
1209

被折叠的 条评论
为什么被折叠?



