💥💥💞💞欢迎来到本博客❤️❤️💥💥
🏆博主优势:🌞🌞🌞博客内容尽量做到思维缜密,逻辑清晰,为了方便读者。
⛳️座右铭:行百里者,半于九十。
💥1 概述
目前,大多数高压电网所采用的电力变压器都是传统型的,这种传统变压器工艺简单、安全性较高。然而,传统变压器存在一些明显的缺点,比如体积庞大、重量沉重,使用空间受限制,同时空载损耗也相对较大。在实际运行中,传统电磁变压器容易因过载而导致输出电流下降和产生谐波。此外,传统变压器无法隔离故障电流,一旦负载端发生故障,电流将继续增加,难以控制,可能直接影响负载电流。
随着电力电子技术的迅速发展,电力电子变压器(PET)应运而生,作为智能电网的重要支撑设备,具有传统变压器所不具备的独特优势,因此具有良好的发展前景。电力电子变压器不仅可以完成传统变压器的电压变换和能量传递功能,还能有效控制变压器的原、副边电压幅值和相位,并且可以与各种交、直流分布式电源互联,符合未来电网建设的需求。
PET是一种新型电力变压器,其基本工作原理是利用电力电子技术,采用电力转换电路和控制技术来管理输入和输出功率因数。通过这种方式,PET能够有效地隔离系统故障,确保高压和低压系统的供电可靠性。电力电子器件将高频信号转换为工频信号,然后通过相应的控制策略对其进行管理,以满足提高电能质量的需求。

根据整个拓扑结构中是否存在直流环节将其分为两大类:一种是直接 AC/AC 变换,即 在变换过程中不含直流环节;另一种是 AC/DC/AC 变换,即在变换过程中含直流环节。本文所提的模型为AC/DC/AC 型,其拓扑图如下图所示。

这个系统的运作原理可以简要概括为:从电网端输入的工频交流电经过整流变为直流电,然后经过逆变电路转换为高频方波信号,通过高频变压器传递到变压器的副边,再经过另一个整流电路将高频方波还原为直流电,最后再通过逆变电路将直流电转换为需要的工频交流电输出。在变压器的原边和副边各经历一次AC/DC/AC的变换,原边的AC/DC/AC变换实现升压,副边的AC/DC/AC变换则实现降频。整个AC/DC/AC的过程包括输入环节、隔离环节和输出环节。
在输入环节,PET连接到高压交流电网,通常连接到中高压配电网,输入环节的AC/DC变流器采用了H桥级联结构。
隔离环节的作用主要是调整电压等级并隔离原边和副边。它的主要结构是双向有源桥变流器,连接到输入和输出环节的直流端口。
输出环节的功能是将直流电转换为三相380V/50Hz的交流电输出,可用于供应交流负载、储能装置和新能源发电设备的交流母线。
1. PET基本结构与工作原理
含中间直流环节的三相PET采用三级式拓扑,实现电能变换与电气隔离:
- 输入级:三相PWM整流器(常采用H桥级联结构),将工频交流电转换为稳定直流电,实现单位功率因数运行,抑制电网谐波污染。
- 中间直流环节:核心能量缓冲枢纽,包含支撑电容(CdcCdc)及可能的谐振回路(LC),用于:
- 平滑输入/输出功率波动
- 稳定直流母线电压(典型值1–4 kV)
- 滤除二次谐波电流(100 Hz分量)
- 输出级:按需选择拓扑:
- 三相PWM逆变器 → 输出380V/50Hz交流电
- DC-DC变换器 → 输出直流电
- 集成新能源/储能接口
能量流路径:
工频交流 → 整流为直流 → 高频逆变 → 高频变压器耦合 → 二次整流 → 工频逆变输出。高频变压器(通常>1 kHz)替代传统工频变压器,实现体积缩减与功率密度提升。
2. 中间直流环节关键设计参数与建模
该环节的仿真精度直接影响系统动态响应特性,核心参数包括:
| 参数 | 物理意义 | 设计约束 | 仿真建模要点 |
|---|---|---|---|
| 支撑电容 CdcCdc | 维持电压稳定,吸收纹波电流 | - 容值偏差≤5% - 纹波系数≤5% | 需考虑ESR(等效串联电阻)和ESL(等效串联电感) |
| 谐振电感 LrLr | 滤除二次谐波 | Lr⋅Cdc=1(2π⋅100)2Lr⋅Cdc=(2π⋅100)21 | 杂散参数(如隔离开关电感)引发电磁谐振风险 |
| 直流母线电压 UdcUdc | 功率传输基准 | 过高→谐波增加/成本上升;过低→过调制风险 | 与开关器件耐压、调制比关联 |
| 预充电电阻 | 抑制电容初始充电电流 | 阻值由最大充电电流限值决定 | 需在仿真中设置软启动逻辑 |
典型问题:杂散电感与支撑电容谐振导致电流异常增大,需在仿真中建立传递函数模型分析幅频特性。
3. PET仿真建模方法与工具
3.1 常用仿真工具对比
| 工具 | 优势 | 适用场景 | 文献依据 |
|---|---|---|---|
| MATLAB/Simulink | 多域建模、丰富电力电子库、实时仿真支持 | 控制策略验证、系统级动态分析 | |
| PSCAD/EMTDC | 精确电磁暂态仿真、高速计算能力 | 高频开关过程、故障瞬态分析 | |
| RT-LAB | 硬件在环(HIL)实时仿真、控制算法验证 | 模块化DC-DC变换器实时测试 | |
| FPGA平台 | 纳秒级延时、并行计算能力 | 大容量PET实时仿真 |
3.2 建模方法分类
| 方法 | 原理 | 仿真步长 | 适用场景 |
|---|---|---|---|
| 开关函数模型 | 开关器件视为理想通断,引入开关函数描述端口特性 | 微秒级 | 器件级损耗分析 |
| 平均值模型 | 用开关周期内平均值代替瞬时值,忽略高频谐波 | 10–100 μs | 控制环路设计 |
| 动态相量模型 | 将瞬时量转换为慢变解析信号 | >100 μs | 电网交互稳定性分析 |
| 电路等效模型 | 消去内部节点降阶(如戴维南等效) | 可变 | 大系统级联仿真 |
| 高频链端口解耦模型 | 基于DAB输入导纳二值特性构建N+1等效模型 | 实时低耗 | 大规模PET硬件在环测试 |
创新方向:双有源桥(DAB)型PET的实时低耗等效建模,通过高频链端口解耦降低计算资源占用。
4. 拓扑结构对仿真精度的影响
不同拓扑的仿真复杂度与精度需求各异:
- 级联H桥(CHB)型:
- 优势:模块化易扩展,仿真需关注子模块均压和相间功率均衡。
- 挑战:级联单元参数不一致导致仿真收敛困难。
- 模块化多电平(MMC)型:
- 优势:高频变压器数量少,体积优势显著。
- 挑战:子模块电容电压波动需高精度模型(全桥MMC调制比>0.9时尤甚)。
- 三电平/混合拓扑:
- 优势:功率密度高,适合中低压场景。
- 挑战:器件耐压限制,高压仿真需简化。
仿真建议:CHB型需在Simulink中建立模块化子单元封装库;MMC型需重点仿真环流控制策略抑制电容电压波动。
5. 控制策略与动态特性分析
5.1 分层控制架构
- 输入级控制:
- 目标:单位功率因数、直流电压稳定
- 方法:双闭环(电压外环+电流内环)
- 创新:交叉解耦+变结构控制增强鲁棒性
- 隔离级控制:
- DAB采用相移调制(PSM)
- 关键:抑制二次功率脉动 → 改进PI-R控制器
- 输出级控制:
- 逆变器采用SVPWM双闭环
- 并联运行需有功-无功调差控制
5.2 动态特性仿真重点
- 电压波动抑制:CHB与DAB动态响应失配导致直流母线波动 → 需能量协调控制
- 纹波抑制:二次纹波电压通过改进隔离级控制器抑制(软件法替代LC硬件滤波)
- 稳定性验证:通过全局小信号模型特征值分析修正控制参数
6. 研究趋势与挑战
- 实时仿真瓶颈:
- 大规模PET仿真面临计算延时高、内存占用大问题 → 需发展高频链端口解耦算法
- 新型拓扑仿真:
- 一体化高频变压器PET、MMC-DAB混合结构需专用模型库
- 宽禁带器件应用:
- SiC/GaN器件的高频特性要求仿真步长≤100 ns
- 多端口能量协调:
- 交直流混合配电网需多端口PET的HIL测试平台
结论
含中间直流环节的三相PET仿真需结合拓扑特点选择建模方法:
- 系统级研究:MATLAB/Simulink平均值模型
- 器件级验证:PSCAD开关函数模型
- 控制算法测试:RT-LAB硬件在环平台
未来重点在于开发低耗等效模型解决大规模实时仿真难题,并结合宽禁带器件特性优化开关损耗模型。建议在仿真中优先考虑中间直流环节参数敏感性(如 CdcCdc 容差、谐振点偏移),以提升系统稳定性预测精度。
📚2 运行结果
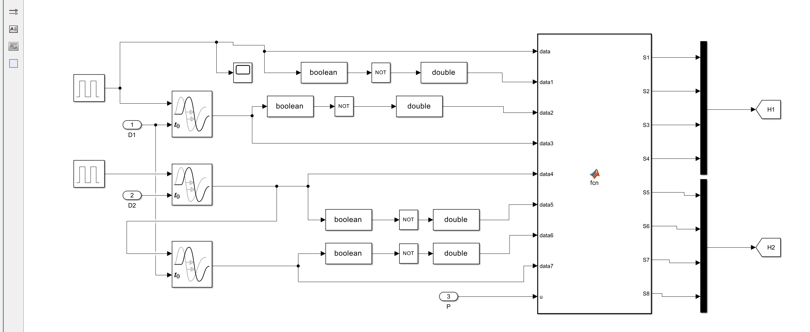
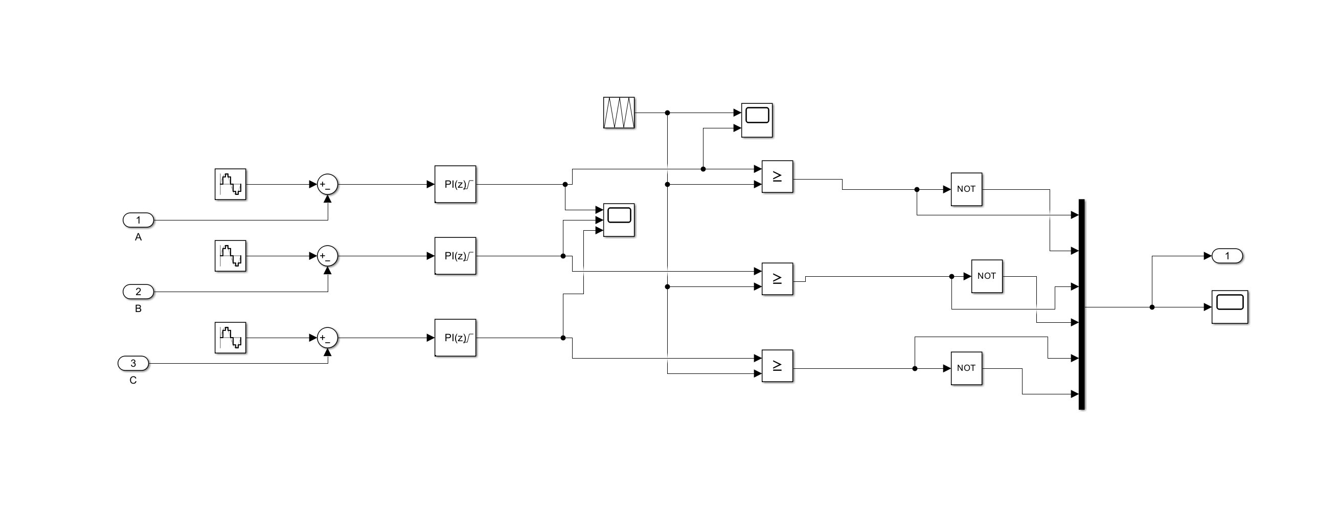
2.1 模型搭建

2.2 输入级控制
参数设置为网侧输入电压1000V,频率为50H。

2.3 中间级控制
中间级输入15kV输出700V。电压可自己调整。


2.4 输出级控制
其中输入的直流电压为700V,输出相电压频率为50Hz,为10KW负载供电。

2.5 输入级直流电压

2.6 输出级直流电压

2.7 输出级三相电压

本模型实现了电力电子逆变器PET的功能!!
🎉3 参考文献
文章中一些内容引自网络,会注明出处或引用为参考文献,难免有未尽之处,如有不妥,请随时联系删除。
[1]冯跃梅.电力电子变压器控制策略研究[J].电器工业,2023,(07):18-22.
[2]庄吉运.电力电子变压器及其控制策略研究[D].长春工业大学,2020.DOI:10.27805/d.cnki.gccgy.2020.000058.
1486

被折叠的 条评论
为什么被折叠?



