1.简介
图形化配置工具,可以通过配置自动生成初始化代码(不包括逻辑代码),支持Windows和Mac
以下系列均可用:

(初学者不应该过多依赖该工具)
可用于参考学习STM32芯片
2.STM32CubeMX使用方法
2.1用户手册
在CubeMX的官方下载页面顶端找到Documentation即为用户手册

2.2新建项目基础操作流程
首先选择File新建project(或者按需求操作project)

可以直接cancel download得到如下所示的弹窗

选择芯片型号,在Part Number处选择需要的芯片型号

双击后加载芯片,点击project manager

在project选项中选择该项目储存的位置,注意由于该软件目前没有很优化,不要使用中文名,需要全英文

下一步需要在Generated files里面勾选第一项,保证代码可以清晰地生成.c和.h文件

回到Pinout&Configuration进行各种基础配置,左侧栏内可以点开进行进一步配置,详见后文的各种配置示例

配置中有细节问题可以参考手册解决
2.3各部分配置操作
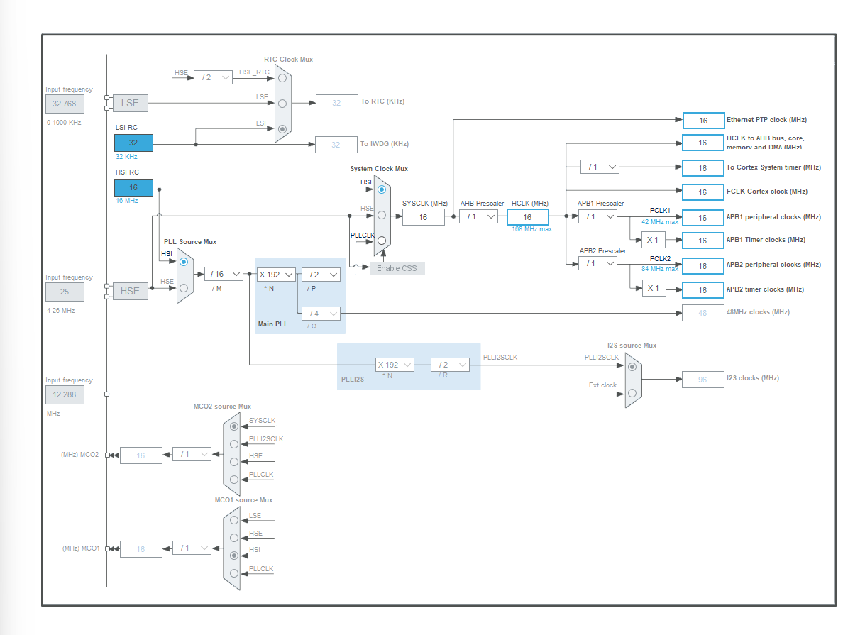
2.3.1系统时钟部分
Clock Configuration 是配置时钟的部分,可点击进入在此根据具体需求调整时钟的配置

2.3.2 GPIO
在右侧芯片图中选择需要配置的引脚,可在右下方搜索框中搜索选定,然后开始引脚配置

进一步的配置在system view中,切换到systemview可进行详细的引脚配置

-
注:GPIO一栏顶部有选项卡可选择不同部分的引脚进行配置,详细配置点击Pin的横框即可配置

2.3.3ADC
ADC的配置分为注入组(injected)和规则组(regular)
注入组用于调整优先级顺序,常规组用于常规连续扫描,下面就分成这两个部分来解析
-
ADC全局配置部分
-
在图示部分进行ADC全局配置

规则组(Regular)配置部分和注入(Injected)组配置部分都在下方点开左边小箭头即可开始配置
-
点开常规组和注入组进行配置,必要时在顶部勾选通道


-
补充说明:此处IN对应channel,Temperature Sensor Channel 是温度传感器通道(芯片内集成的),Vrefint Channel 内部参考电压通道可用于校准ADC精度,Vbat Channel 为电池电压检测通道用于监测后备电池电压避免电池过载,External-Trigger-for-Injected-conversion 注入转换的外部触发通过外部信号如PWM触发注入组转换,External-Trigger-for-Regular-conversion 即外部信号触发规则组转换
2.3.4TIM
-
选中System Core一栏中的TIM选项,选择需要配置的TIM

-
顶部可以进行总设置,底部可以进行参数设置,包括各个通道的参数,如图所示

其他部分的配置和上述配置方式大同小异,这里不再赘述
2.3.5FreeRTOS
-
配置部分步骤较少,即将该部分打开,然后操作即可

3.一些注意事项
-
黄色标志是警告可能有些功能无法使用, 除非为红色标志否则可以忽略
-
注意新版的FreeRTOS可能和旧版有区别,可以FreeRTOS配置中右侧顶部选择V1或者V2版本
-
CubeMX不是完全按照代码的名字来的,可能找不到完全相同的选项,但是可以根据对功能的理解配合翻译选择适合的参数进行配置
(本文为本人的CUBEMX上手经验,纯纯自己的学习分享,欢迎补充指正~)
9249






