基于STM32+OneNet设计的智能鱼缸

1. 设计目的与意义

1.1设计目的

本文设计的鱼塘远程监控系统,核心技术是采用基于STM32系列微控制器和OneNet物联网平台搭建监控系统。系统包含了水体参数检测传感器、数据采集模块、通信模块和控制模块,从而达到对鱼塘的监控的目的,包括水质、PH、温度、溶解氧等的实时监测和远程管理。
在这里插入图片描述

2. 系统设计框图

在这里插入图片描述

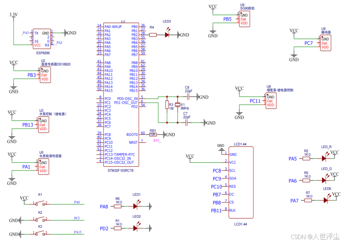
3. 硬件设计流程图

在这里插入图片描述

4. 软件设计流程图

在这里插入图片描述

5.实物展示

在这里插入图片描述

评论
添加红包

请填写红包祝福语或标题

红包个数最小为10个

红包金额最低5元

当前余额3.43前往充值 >
需支付:10.00
成就一亿技术人!
领取后你会自动成为博主和红包主的粉丝 规则
hope_wisdom
发出的红包

打赏作者

入世浮尘

你的鼓励将是我创作的最大动力

¥1 ¥2 ¥4 ¥6 ¥10 ¥20
扫码支付:¥1
获取中
扫码支付

您的余额不足,请更换扫码支付或充值

打赏作者

实付
使用余额支付
点击重新获取
扫码支付
钱包余额 0

抵扣说明:

1.余额是钱包充值的虚拟货币,按照1:1的比例进行支付金额的抵扣。
2.余额无法直接购买下载,可以购买VIP、付费专栏及课程。

余额充值