SMART PA
智能功放
作者:王少
说起智能功放或“Smart PA(智能功率放大器)”,很多人应该都不会陌生,可到底什么是智能功放呢?今天小为就以艾为的王牌Smart PA——艾为Digital Smart K为例来给大家科普科普智能功放的方方面面。

早期,有人把带DSP模块(Digital Signal Process,数字信号处理)的数字功放(可以调试EQ、DRC、喇叭建模等功能)叫Smart PA,随着平台厂商如高通,MTK等芯片处理能力的加强,基于成本考虑,他们将功放DSP里的算法集成到平台的ADSP里,故该定义目前很少人提到,即带不带DSP都可以叫Smart PA。
目前对Smart PA的主流定义是:在PA信号输出端加入了I/V反馈,实时检测喇叭,从而让喇叭工作在其极限状态,最大限度地发挥喇叭性能,就叫Smart PA。
今天小为主要从以下四个方面分享对智能功放的一些看法:
一、智能功放模块介绍
二、喇叭保护方案及原理
三、SKTune音效算法
四、多PA应用方案
一、智能功放模块介绍
下面以艾为Digital Smart K产品AW88263为例,详细介绍智能功放的一些定义。

1. I2S信号:主流的I2S信号有4根线:BCK,WCK,DATAI,DATAO。
BCK:串行时钟SCLK,也叫位始终(BCLK),对应数字音频的每一位数据,SCLK都有一个脉冲。SCLK的频率=2 * 采样频率 * 采样位深。
WCK:帧时钟LRCK(也称WS),用于切换左右声道的数据。标准I2S格式时,LRCK为‘1’表示传输右声道数据,为“0”则是左声道。LRCK的频率 = 采样频率。
DATAI:串行数据(SDATA),即平台或codec,把语音信号通过I2S传输给PA,PA内部处理后放大,转换成模拟信号驱动喇叭发声。
DATAO:PA输出端回传信号,即把PA输出信号,通过I2S,回传给到平台或codec,主要用于AEC(Acoustic Echo Cancellation,声学回声消除)。从该定义可以得知,若不需要信号回传,该引脚是可以直接NC的。
有时为了使系统间能够更好地同步,还有另外传输一个信号MCLK,称为主时钟,也叫系统时钟(Sys Clock),是采样频率的256倍或384倍。不过目前该信号用得比较少。
I2S信号,都是从平台或者CODEC发出来,然后给到PA。故调试时,需要测量I2S的时钟频率(BCK,WCK),然后配置PA参数,才能让PA与CODEC实现“握手”动作,最终使PA正常工作。
2. IV检测:电压和电流检测模块。
电流检测:在芯片输出脚,类似串一个小电阻,测量电阻两端压降,等到经过电阻的电流,即输出的电流I。
电压检测:电压V检测有以下两种方式:
1)通过VSP/VSN引脚,测量喇叭两端电压
2)没有VSP/VSN引脚,在PA输出端VON/VOP,测量其电压
在实际操作中会依照客户的需求,选择适合的方案。
通过测量电压和电流,就可以得到实时阻抗,然后再根据温升系数,就可以得知实时温度,从而实现温度保护。(喇叭保护方案及原理详述)。
3. 带DSP和不带DSP的智能功放区别:
艾为定义:AW881或AW883系列,即第3个数字为奇数的,是带DSP的智能功放。AW882或AW884系列,即第3个数字为偶数的,是不带DSP的智能功放。
那它们有什么区别?又该如何选择呢?
带DSP智能功放,就是把部分算法,如MEC(喇叭保护方案及原理详述)以及EQ,MBDRC等算法,放在PA的DSP里,主要适合一些不带ADSP平台如MTK 4G,展锐,RK或单片机等平台。
优点:算法集成在PA的DSP里,简单易用,调试简单。
缺点:集成了DSP,晶圆面积更大,价格相对于不带DSP的,会高一些。
不带DSP的功放,不带DSP模块,像上面所说的算法,集成于平台的ADSP(或叫OPEN DSP)。主要适合于高通,MTK 5G等带ADSP平台。
优点:相对于带DSP功放,性价比更高。
缺点:由于不带DSP,对平台有一定选择,需要支持ADSP功能,调试相对也复杂一点。
二、喇叭保护方案及原理
功放要发挥喇叭最大性能,就需要较高的功率去推动喇叭,那功放是如何保证喇叭在工作中不被损坏呢?
原来我们谈喇叭时,都是这个喇叭其额定功率多少瓦,喇叭工作时,其功率是不能超过额定功率的。这样虽然能很好地保护喇叭,却不能发挥喇叭的性能,特别是现在手机尺寸越来越薄,喇叭空间越来越小,若还按功率保护概念,喇叭效果最终发挥不出来,消费者的主观体验也不佳。
随着对喇叭的深入了解,发现喇叭所以会损坏,主要有两方面原因:
1)喇叭膜片振动过大,导致喇叭损坏
2)喇叭温度过高,导致喇叭损坏。
故我们从膜片振动(振膜保护)和喇叭过高(温度保护)入手,就可以实在保护喇叭目的,进而发挥喇叭最佳性能。艾为简称为MEC(Membrance Excursion Control)保护。MEC框架如下:

1. 振膜保护:
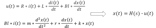
喇叭会发声,主要是膜片的振动。而振膜位移可以看做是洛沦兹力,弹簧弹力以及空气阻抗共同作用的结果。根据振膜位移的力学模型,我们得到如下公式:

根据牛顿第二定律,得到力学公式,对其进行求导:

再根据等效电路模型,如果参数不随振膜位移、温度等因素变化,把它看作是一个线性系统(通常振膜位移不大的情况下上述近似是成立的)。故整个系统可以用转移函数表示:


这样,我们就可以推导出振幅和电压,有一定的模型H(s)关系,而验证这个模型关系,就是建模的原理。根据喇叭振幅模型,预测喇叭振膜位移,并计算相应的实时增益,保护喇叭振幅工作在安全范围内。
2. 温度保护,主要有两种方式:
1)常规的功率保护方案:由于喇叭发热,是需要一定时间的功率,才可能发热。功放直接检测其输出电压V,并控制输出功率,从而实现喇叭温度保护目的。
2)IV检测保护方案:喇叭发热时,其阻抗会发生变化,通过IV检测阻抗值,结合喇叭线圈的温升系数Tcoef,就可以得到喇叭实时温度,从而实现喇叭温度保护。
如下公式:

产线上,对喇叭进行校准,得到此时初始阻抗R25
在平时正常播放音乐中,实时检测喇叭阻抗RT
通过检测实时阻抗和初始阻抗,根据上面的计算公式,就可以得到实时温度,并调整PA增益,实现温度保护。
三、SKTune音效算法
一个好的功放,若只是能保护喇叭,是没有灵魂的。而艾为SKTune算法,就是给声音加上灵魂。
艾为SKTune“神仙算法”是一套完备的“音频全流程解决方案”,包含了艾为音效算法和喇叭保护算法,这是艾为电子贴合海内外市场高端顶级产品需求研发的重要成果,旨在为用户带来极致听音体验。
早在2017年,艾为就发布了第一代神仙算法,包含了调音的基础模块;在第二代神仙算法中,除了对基础模块持续优化外,还引入了立体声混音算法及MEC算法,链路灵活性进一步提升。基于大量项目的经验,艾为新推出更加细节感十足的SKTuneV5。SKTuneV5更加关注细节,拥有多段虚拟声学算法、新一代钢琴杂音抑制算法、Awinic Sound Enhancement特色处理模块、新一代振膜位移保护及新一代温度保护算法。同时,其UI界面更加可视化,方便Tuning。
以下为SKTune的模块:

四、多PA应用方案
目前在平板项目,以及一些中高端手机,多PA应用方案的需求越来越多,那在调试中,需要注意哪些?
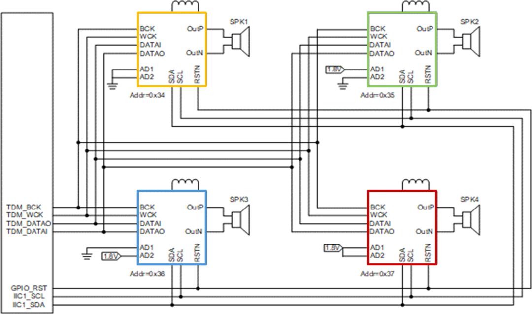
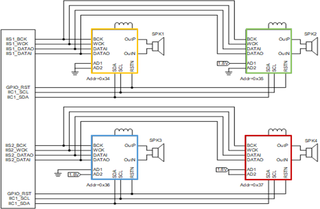
主流的多PA应用方案,有双PA,4PA,这里介绍下4PA的典型应用。
1. TDM方案:4个PA接同一个TDM总线,I2C地址分开设定,通过配置不同PA参数,使4个PA能同时工作;

2. 2路I2S方案:若平台支持2路I2S,可以用2路I2S,一路I2S可以接2个PA;

3. 4PA声道旋转切换:平板等机器在使用时,经常有横屏或竖屏应用场景,通过声道旋转切换,可以让左边喇叭,永远播放左声道声音,右喇叭同理。

本次小为以上从4个方面为大家介绍了智能功放的一些相关常识、应用方案及建议。随着艾为智能功放的产品型号日益增多,性能逐渐增强,总有一款能匹配你的需求。
联系我们
&
更多资讯
详细了解更多“艾为产品”
请拨
021-54271166
或发送邮件至
Sales@awinic.com
进行咨询
*本文部分图片来源于网络,版权归原作者所有,如涉及版权问题,请联系“艾为之家”微信后台交涉相关问题。


长按上方二维码
关注我们吧!
334

被折叠的 条评论
为什么被折叠?



