作者:毛烁

在电子工程圈,有一个常被提及的“隐性共识”:电源是产品的瓶颈。
无论是手机、笔记本、电视,还是工控与IoT设备,用户并不会直接谈论电源,但他们的体验却与电源性能息息相关。充电速度够不够快?适配器能不能小一点?待机功耗能不能更低?这些问题的背后,最终都落在电源架构上。
进入2025年,电源产业迎来新的临界点:标准更严苛,需求更苛刻,成本更紧张。对于工程师而言,继续依赖十多年前的QR flyback已经难以为继。于是,GaN与集成化方案则开始成为新的必然选择。
MPS在9月发布的ACDC创新方案,正是在这一背景下推出的。这一次,MPXG2100(NovoOne 系列)与MPG44100,构成了面向20W~200W区间的“双子星组合”,以高的效率、更小的体积、更低的功耗,来回应这场转型。

电源设计的“三重枷锁”:法规、需求与现实的博弈
能源效率标准始终是驱动电源技术革新的“指挥棒”。近年来,中国、欧美等主要市场相继收紧了能效门槛,为行业划定了红线。在中国新国标GB20943-2025中,要求20V/45W的典型档位,平均效率必须达到91.1%;待机功耗被严格限制在50mW以下;轻载效率也被首次纳入考核。
如果说政策层面是“推手”,那么消费者的使用习惯则是市场需求的“拉力”。前几年,一个65W的快充头有“烟盒”大小;而今,用户期望一个140W的笔记本适配器能做到“卡片尺寸”,轻松放入口袋随身携带。
这种对极致便携性的追求,给工程师带来了连锁挑战:要想缩小变压器等磁性元件的体积,唯一的途径就是大幅提高开关频率;但体积减半而功率翻倍,导致热量高度集中,热管理难度呈指数级上升。
同时,开关频率的飙升不可避免地会带来更强的电磁干扰,需要更复杂、更精密的滤波电路来抑制。在这一系列高压要求下,依赖传统硅基MOSFET的架构已“力不从心”,以氮化镓(GaN)、碳化硅(SiC)为代表的第三代半导体,已从“可选项”变为突破瓶颈的必然选择。
除了外部压力,电源设计本身也面临着一个结构性的矛盾,尤其体现在行业最核心的功率区间。在20W以下的低功率段,简单的反激架构凭借其成本优势依然适用;在300W以上的高功率段,LLC等谐振拓扑技术成熟,地位稳固。
然而,在75W至240W之间,恰恰形成了一个“技术真空地带”。反激架构在功率上探至百瓦以上时,效率和散热问题便会凸显;而LLC架构虽然高效,但其对宽电压范围输出的适应性较差,难以满足现代消费电子的动态需求。
而更尴尬的是,手机快充、平板电脑、笔记本、显示器等主流产品几乎全部集中在这个“真空地带”。如何在此区间内,找到兼顾效率、体积与成本的最优解,是所有厂商都必须直面的核心难题。
技术理想也要回归工程的现实问题——成本。电源行业利润微薄的现实,决定了任何以牺牲成本为代价的性能提升都难以大规模落地。传统如增加光耦、分立的同步整流控制器、辅助绕组或缓冲电路优化思路,虽然能在一定程度上提升性能,但也会直接导致BOM膨胀、PCB布板面积紧张、生产良率下降,这一系列负面效应最终都会在成本核算环节被无情否决。
当下,电源工程师正站在关键的十字路口,呼唤着能够打破这三重枷锁的、真正具有集成与创新思维的系统级解决方案。
MPXG2100与MPG44100“双子星”组合
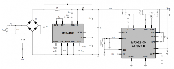
面对这一挑战,MPS推出了MPXG2100与MPG44100。
在核心器件升级上,MPXG2100主开关采用700V GaN FET,具备更快的开关速度和更低的能耗。
在拓扑创新方面,其引入了自适应零电压开关(ZVS)技术。通过副边同步信号与主边谷值检测的协同配合,使开关始终在接近零电压时导通,大幅降低开关损耗。与传统QR 方案相比,整体效率提升可达1%~2%。
在集成度上,MPXG2100内部集成了同步整流(SR)控制器、100V SR MOSFET、隔离反馈电路(无需光耦)、X-cap 放电电路等,实现了“一颗芯片,全面整合”。


当然,效果也十分显著。在MPS提供的140W 参考设计中,与传统“PFC+QR”方案相比,采用“双子星”组合(MPXG2100 + MPG44100)后,外部元件数量减少超过25 个,PCB 布板面积缩小约 20%。更重要的是,空载功耗被轻松压缩至 20mW 级别,远低于新国标 50mW 的严苛要求。
另一方面,在功率超过100W的电源中,功率因数校正(PFC)是绕不开的环节。但传统 PFC 电路往往体积庞大、发热严重。MPS 推出的 MPG44100,采用无桥图腾柱(TP-PFC)架构,并将700V GaN HEMT与PFC控制器集成在7×7mm的QFN 封装中。与此同时,还引入 无损电流采样技术,彻底去掉了大电流采样电阻,进一步降低损耗与体积。
当 MPG44100 与 MPXG2100 搭配使用时,在 140W 参考设计中展现出亮眼表现非常亮眼:
1.在 90Vac输入下,满载效率超过93%;
2.在 230Vac 输入下,满载效率超过95%;
3.整机效率整体提升约2%,同时电解电容的用量减少25%。
这使得原本笨重的PFC电路,化身为一个紧凑的集成模块。对于百瓦级的笔记本适配器、显示器电源等应用场景而言,MPG44100几乎就是一剂“减负”良方。
效率、成本与未来路径
“双子星”的意义不仅在于指标突破,更在于电源的效率、成本与架构的演进。具体而言:
第一是“GaN+ ZVS”的“黄金组合”。在电源领域,效率每提升1%,都意味着巨大的工程突破。MPXG2100的自适应ZVS,使开关损耗几乎消失,而GaN的高速特性进一步放大了这种效果。这不仅提升了满载效率,还让磁性元件可以做得更小。因为在高频下损耗可控,变压器、磁芯、电感都可以缩小尺寸,从而实现更高功率密度。
第二是功耗轻松应对标准。过去,工程师最头疼的是待机功耗。光耦和辅助绕组让传统反激在轻载时效率低下,很难把功耗压到50mW 以下。MPXG2100 的集成方案,轻松做到了 20mW 级别,不仅满足标准,甚至为未来的更严法规预留了空间。
第三是BOM优化的直接红利。MPS在140W 参考设计中的统计显示,单是减少的器件数量就超过25 个。对于量产千万级的适配器来说,这意味着巨大的成本优势。同时,器件减少也让 PCB 更紧凑,良率更高,测试和验证工作量更小。
第四是降低学习成本。很多工程师对GaN与ZVS望而却步,担心调试复杂、风险高。MPS 的方案把关键电路集成到芯片内部,让调试门槛显著降低。这相当于把“黑科技”变成“标准件”,加速了整个行业的普及。
第五是集成化趋势。从更宏观的角度看,MPS的双子星方案折射出一个产业趋势:电源设计正在从“分立拼装”走向“系统级芯片”。过去设计师要拼凑控制器、功率管、光耦和 SR 驱动,而未来,这些都可能被一颗芯片整合。
写在最后:新的分水岭
AC/DC电源产业正站在一个分水岭。标准收紧、用户需求、成本压力,把传统QR架构推到了尽头。MPS的MPXG2100与MPG44100,用一套高度集成的方案,为行业打开了新的路径。
这场转变,也许会像十年前快充的普及一样,成为行业的分水岭。对工程师而言,这是新的学习曲线;对厂商而言,这是新的竞争窗口;对整个电源产业而言,这是一次创新突围。

被折叠的 条评论
为什么被折叠?



