反馈比较型A/D转换器又分为和逐次比较型。
计数型A/D转换器。转换电路由比较器,D/A转换器,计数器,脉冲源,控制门,输出寄存器几部分组成。装换开始的时候先使用复位信号将计数器置0,而且转换信号应停留在vl=0的状态,这时门G被封锁,计数器不工作。计数器加给A/D转换器的全是0信号,所以D/A转换器输出的模拟电压V0=0。如果V1为正电压信号,比较器的输出电压为1。依同样方法比较完DA的全部位数。
因为在转换过程中计数器的数字不停的变化,所以不宜将计数器的状态直接作为输出信号,所以在输出端设置了输出寄存器,在每次转换完以后用转换控制信号的下降沿将计数器输出的数字置如寄存器中,而以寄存器的状态作为最终的输出信号。这个方案的明显是:转换时间长,当输出为n位二进制数码时,最长的转换时间可达到2^n-1倍的时钟信号周期,因此这种方法只能用在对转换速度不高的场合。

图画的有点丑,还请各位谅解。
逐次比较型A/D转换器:
就是将输入模拟信号与不同的参考电压做多次比较,使转换所得的数字量在数值上逐次逼近输入模拟量的对应值。
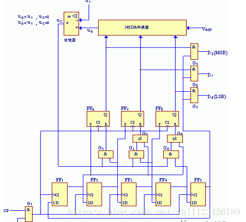
下图就是一个三位二进制数的逐次比较型A/D转换器,它完成一次转换所需的时间与其位数和时钟脉冲频率有关,位数越少,时钟频率越高,转换所需时间越短。这种A/D转换器具具有转换速度快,精度高的特点。

1451

被折叠的 条评论
为什么被折叠?



