1、分类:
分为系统时钟,外设时钟。
固件库完成系统时钟的配置,外设时钟由分频因子决定。
2、系统时钟的配置:
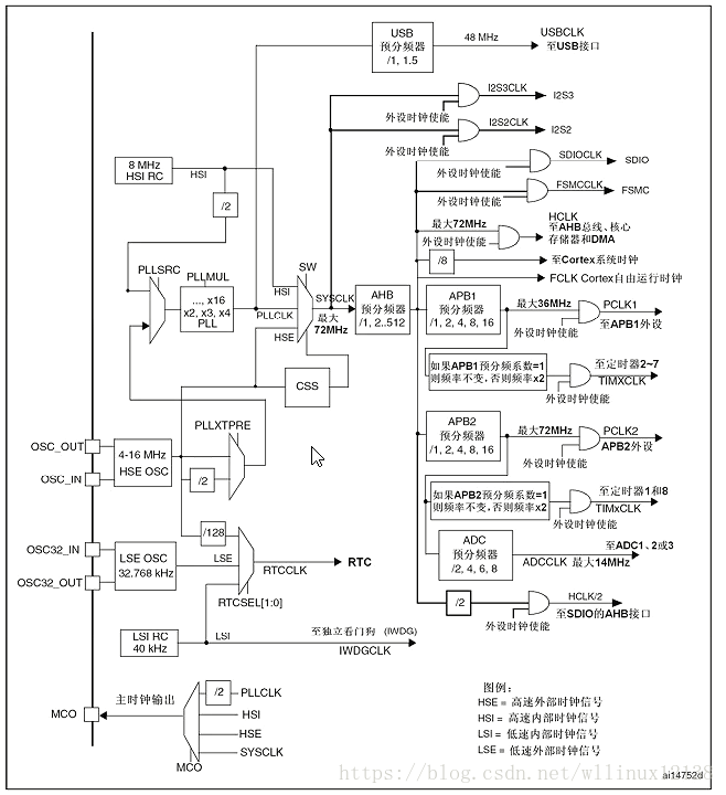
下图来自STM32F103中文参考手册。

(1)HSE:高速外部时钟
来自晶振,(4-16M)通常为8M,有源晶振不需要接OSC_OUT。
RCC_CR时钟控制寄存器的第16位,HSEON控制。(这个位置1,才能使用外部时钟。)

(2)HSI:高速内部时钟
8M:见时钟树,没配置系统时钟的时候,就用的这个。
HSE出问题时,自动切换,直到HSE启动成功。
RCC_CR时钟控制寄存器的第0位,HSION控制。

(3)锁相环时钟
时钟树中的:PLLCLK
PLLMUL最大16。
官方推荐最大72M。
(4)SYSCLK系统时钟
系统刚启动,PLL没配置,默认使用MSI。
(5)HCLK时钟(也就是AHB的时钟)
systick系统定时器用的是:Cortex系统时钟。
APB2高速总线,APB1低速总线。(最高频率见时钟树)
(6)RTC时钟
有三个来源。
LSI有温漂,需要补偿。
LSE低速的外部时钟信号。
OSC32的两个引脚接晶振(例如32.768KHz)
(7)MCO时钟输出
可以监控时钟配置是否正确,或者给其他设备提供时钟。
2324

被折叠的 条评论
为什么被折叠?



