- 培训课件及资料
链接:https://pan.baidu.com/s/1IikVfZ04Wl9UmEuizfP12A?pwd=89gs
提取码:89gs
一.BUCK降压电路的设计
1.什么是BUCK降压?(原理)
(1)导通回路与续流回路
电流的环路是电源通过电感再通过负载,再通过地回到输出。这样的环路就是导通环路,指的是开关导通的情况下。那么对应的电感的波形就是上升沿的波形,就是右图中上升沿的波形,电流是逐渐爬升的。
开关电源的另外一个周期是续流周期,也就是续流回路。续流回路就是已经把开关进行断开的处理。在开关断开的时候,电流就不可能再从输入端流进来了。那么剩下的能量就是电感中储存的能量,这时候电源就是电感,电感放出来的电流,到负载然后对地,最后再绕回电感,中间就要通过续流二极管,起到的是一个续流的回路。 也就是对应右图的下降沿。这对后面布局是重点考量的因素。

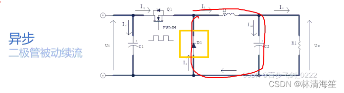
(2)异步和同步
我们可以看到两张图中圈起来的部分,上面这个的是异步电路,用的是续流二极管。下面的是同步电路,用的是moss管的设计。像校赛中使用的TPS5430使用的就是异步降压电路,它的续流周期是被动续流的一个周期,在低电平的状态下,电流会被动的从续流二极管中流回来。

那么在同步降压电路中,开关mos管与下面的续流mos管是交替开启的状态,也就是两者的电平正好是相反的。当开关mos管处于关闭的时候,也就是在续流周期的时候,下面的续流mos管就会被导通了,那么同样会产生一个回路,它是一个主动打开mos管进行续流的方式。
在模电中,肖特基二极管的压降是0.3v左右,作为开关电源,整个环路的电流是和最后负载的电流是相关的,续流二极管上面的电流就等于负载的电流。所以0.3v乘以电流就是续流二极管上面的热功耗。所以在电流比较大的时候,二极管上面的热损耗是非常大的,有严重的发热。
而相对于同步模式的moss管它的导通内阻是非常小的,所以没有什么压降。所以它的效率是远高于异步的。而且一般的开关电源芯片里面mos管是集成在里面的。而续流二极管一般是外置的。所以它占用更小的面积。所以对于智能车这种对于电压要求不是很高的,还是推荐使用同步降压电路。

(3)开关频率与纹波
在校赛中,开关电源芯片一般都会有一个开关频率,有的是可以设定的,有的是固定的。我们可以从图上可以开出来,电感的电流波形,它的斜率是等于di/dt的,这个东西它是只与所加的电压成正比的。电压就是母线加上去的电压,当导通的频率越高(对应图中橙色的波形),它的导通时间会变短,所以它上升的就越短,从这里可以看出波形的高度就变得低了很多,波动的幅值变小了,噪声也就可以做得更小,在同样的大小的电感小面。
我们以TPS5430为例,它是一个0.5M的频率,相对来说还是偏低的,但是随着芯片不断发展的情况下,我们可以把频率从1M拉到1.5M,它可以把纹波做得更小。这样的话我们可以把噪声做得更小。但是高频也存在一些弊端,就是它的开关损耗是会增大的,可能会增加一些静态消耗,但是随着芯片的品质越来越好,消耗也会这件被减小的。

(4)电感大小与纹波
我们可以从旁边的公式可以看到,当电压恒定的时候,当我们去增加电感的量,它的斜率是会下降的。所以当电感的感量增加的时候,它的斜率是会变得更加平缓的。这样的话波动的幅值就变小了。所以增加电感的感量是可以降低纹波的。

** (5)低功耗模式与连续导通模式**
很多的芯片是包括低功耗模式的,就是通过在轻载下面改变它的调制方式,或者采用断续导通的方式,就可以降低其静态消耗,但是在这种情况下,是会增加其纹波的,也就是噪声会变大。
在这种状态下,我们可以看到左边是一个类似于PSM状态的低功耗调试方式。这种状态下我们的开关波形可以看到它是断断续续的,我们看到下面纹波的部分可以注意到,这个纹波肯定是比连续导通的纹波要大的多的。所以轻载模式对于噪声的性能是会有一定的影响的。

那为什么右图是连续导通呢?因为连续导通的时候电感的导通周期是不归零的。可以看到零位在下面这条虚线上,是永远不归零的。而这个PSM它是一个类似断续导通的方式,就是电感的电流基本在零位一下。所以这样它的静态消耗会更小,但是它的噪声随着剑锋的存在也会增加。

(6)强制连续导通FCCM和强制PWM(FPWM)
有一些芯片它是会自动去去切换的。但是当我们不想让它自己去切换的时候,我们就可以选择一些这种强制连续导通模式的芯片。它就是在任何负载强度下,都追求低纹波的方式,它在所有负载强度下,都采用连续导通的方式。但是这个同喜在各个品牌的芯片手册里面描述的不太一样。就比如上面TPS54821的描述,在任何负载的情况下,它都采用ccm连续导通模式,其实就是FCCM。543820就直接写了它工作在FCCM模式状态下面。
MP229它设计了一个可配置的一个方式,就是当把引脚接到GND的时候,它可以进入到强制的恒时的CCM。LSM3655它的描述就是它有一个引脚可以配置,它的是叫做FPWM,其实就是一个回事,就是不适用任何的轻载控制去降低纹波。
那对于智能车来说,对于功耗的要求是没有特别高的,就是能耗比没有特别高的要求,所以采用强制CCM的方式也是可以的。这样可以保证在任何的负载下都有一个很好的噪声表现。

2.器件选型
(1)芯片选型
不同组别用到的电池是不一样的,所以不同的电池需要不同的输入耐压。一般来说芯片这个输入耐压要比这个最大的输入电压要高20%左右。就是当我们用这个输入电压去设计去选芯片的时候,它很有可能因为一个尖峰就把芯片给炸了。去年就是有一个组选的电压太靠近了,芯片直接把板子炸了一个坑。
还有一个是电流的承载能力,相对于来说不同的外设以及后面挂载的负载的需求电流是不一样的,像舵机需要比较大的电流,一般来说去选舵机供电的时候,会去选择5A以上的芯片,这样余量是比较足的。其实是因为舵机在有大动作的时候,这个输出电压,是会有波动的,会往下跌的,那出现这个电压跌落的问题,就会出现舵机的响应能力下降,这个力度下降,那么在高速下是会影响到整个车的弯道过弯的效果的,就是要保持这个舵机的电源稳定,那么就需要留足电源的余量,保证它真的能通过那么大的电流,保证电流和电压的稳定。
数字控制的部分一般选择3A以上就组够了,但是如果有合适的芯片可以用一些更大的电流。
其实5v转3.3v这个部分也可以使用buck降压的,一般选择1到2A的负载即可,因为它这个其实没有很大的电流。
然后就是开关频率,可以选择1.5-2M的周期是完全可以的。
对于输出电压的范围这个问题。因为开关电源其实一般来说它的输出占空比是不能到满占空比的,所以说它的输出电压是达不到它的母线电压的,他是会有一个最大的输出范围,一般会有一个比值百分比。比如说80%就是只能输入12v,那就可能只输出到差不多9v左右,不然它的芯片就不工作了。那有的芯片时有具体的最高电压输出的,一般可能就限制只有6v。
还有一个注意的点是芯片品牌的选择。比较建议大家选择得州仪器(TI)以及MPS的芯片,因为这两家它们的设计工具是比较完善的,以及一些比较规范的手册资料,有一个好的设计工具把各种参数算明白了是非常方便的。
还有一点是选择芯片的时候一定要保证选择的芯片是一定能买得到的,确保它有一个稳定可靠的货源。

(2)电感选型
电感的选择最重要的还是考虑它的封装。主要还是考虑电感的温升电流IDC(或者IRS)以及饱和电流ISAT。我们可以注意到同样封装的电感,这边都是0420的封装,它的感量越大,它的耐受电流就越小。不是说一个封装下的电流都是一样的,不同封装下是不同的感量的电流是不一样的。温升电流就是通过电感的一个恒定的电流,它会产生一个比较严重的温度上升,就是发烫的现象,这个肯定是我们不希望在主板上出现的,也就是电感的温升电流的余量一定是要足够大的。
还有就是饱和电流,饱和电流就是电感的感量只是在某些电流下的感量,当它超过了这个饱和电流的时候,它的感量会急剧的下降。右上角的这个图就是电感饱和和没饱和的状态。我们可以看到这个电感饱和的时候会出现这个电流突然间急剧的上升了,急剧上升的现象就会造成板子放热的问题,很有可能会造成电路的烧毁。而且饱和也会造成它的纹波增大,一般情况下我们就选择0420到0530封装的功率电感就可以了。
还有就是电感材质的选择,我们建议一般选择这个一体成型的这种电感,也就是右下图,因为这个一体成型的电感可以很好的把里面的磁场给封装起来。因为开关电源它是出于一个高速开关的状态下,就是它会产生很多的高频噪声,被这个屏蔽起来之后,它辐射出来的噪声会小很多,这个对于后续的抗干扰也是很有帮助的,

(3)电容选型
重点还是电容材质的问题,主要还是推荐使用MLCC,也就是陶瓷电容(左上角的图),右边的固态电解电容。MLCC的容量会更加全面一些,性能也非常好,但是价格比较贵。然后固态电解电容相对比较贵,但主要还是偏向于大容量的应用。
不太推荐使用下面常见的液态铝电解电容,以及钽电容是重点不推荐使用的电容。因为之前有不少选手使用钽电容做母线滤波的时候,因为某些原因把板子给炸掉了,太容易出现问题了。
虽然下面的铝电解电容要比上面的固态电解电容要便宜很多,但是因为竞赛追求性能,可以不用那么在乎它的成本。然后是电容的耐压,这个东西非常重要,因为如果电容的耐压不足的话,是可能会把电容炸掉的。
这里重点讲解的是MLCC电容,它具有一种偏压特性,它的容量会随着我们承载的直流电压的增大,它的容量会急剧的减小。所以MLCC电容这个选取对耐压非常重视。
然后是封装,铝电解电容推荐使用直插式的,也就是带两个角的。不推荐使用贴片式的铝电解电容,因为那种电容容易断掉,受到一点外力容易把引脚拉断掉,,或者把PCB的焊盘给扯烂掉。
然后封装也是跟MLCC电容的偏压特性有关的。

MLCC电容的偏压特性
MLCC电容主要跟以下几个方面有关,首先是电容的材质,我们可以看到电容有一种材质叫做NP0和C0G的,这两种是对偏压没有什么影响的,但是这种电容一般都是pf级别的,可能就是12pf或者二十几pf,因为晶振匹配那种用的比较多,一般是偏向白色的颜色。但是这种电容稍微大一点容量的就会非常贵。100nf的电容可能就一两块钱了。所以这种电容全用它也不符合实际。所以正常情况下用的比较多的还是X5R/X7R材质,一般来说我们在1uf以内使用X7R材质,大于1uf用x5r材质的。但是Z5U/Y5U是比较便宜的两种电容,一般不推荐大家使用。但是它的温漂特性以及它的偏压会很严重。
偏压特性可以看右图,这是一个村田47uf的电容偏压特性曲线,我们可以看到它的耐压是16v,但是我们注意到当它在16v的时候它的容量已经衰减到了80%了。也就是这47uf的电容实际上也就只有10uf的容量了在16v情况下。所以电压是不能顶着用的。一般来说MLCC电容如果当做母线的储能电容的时候,它一般是要到这个耐压的两到三倍。
然后是封装,封装越大的电容同样的容量下它的偏压特性也会越弱,也就越不容易偏压,所以我们储能电容还是尽量选择容量更大一些的封装,一般来说大于2.2uf的电容建议选择0805封装,大于22uf的电容尽量选择1206封装,大于47uf的电容尽量选择1210封装。所以大容量的电容下还是要选择大一些的封装。
3.原理图设计
巧妙使用品牌的设计工具。像图上展示的就是MPS的DCC designer的工具,我们可以选择它们的芯片,然后选择对应的输入电压,输入电流,频率纹波这些东西都是可以进行设定的,设定完之后就可以生成一些包括原理图,波形仿真效率等。这些工具肯定比我们自己根据data sheet去瞎蒙一些的图可能来说考虑会更加周到一些。这样设计出来的图可能会出现更少的一些问题。

同样下图是TI的VBench的设计工具,也是可以输入参数进行一些设计的工具,同样它还可以进行一个在线仿真,然后最后输出一个报告出来。

原理图设计要理解原理图上各个部分的东西是什么。首先我们在前面也展示过这个buckbuoost的抽象图。可以看到像紫色框住的部分就是前面展示的开关到滤波的电感和电容组成的结构。上面的字句电路是用来打开mos管上管的,这个部分就是属于功率部分,它的电流是非常大的,这是我们在布局的时候要注意的。还有就是输入的VIN也要包含到功率这部分。然后反馈这部分是用来调节电压的,调节电压的网络对噪声是有一定的要求的,因为开关电源是根据采集到的电压来调节它的输出占空比的,如果我们采集到的电压有噪声,有波动,那么这个输出电压也会产生这个波动的,所以这一块是对噪声有很高的要求的,这个红色框里面的部分叫做前馈,这个参数一定要参照设计工具,或者直接没有也可以,不要自己乱尝试一些乱七八糟的参数,因为这个地方参数选择不当的话,容易造成电路的振荡,甚至把芯片给烧掉。
剩下绿色的部分就是芯片的其他控制部分,相对来说就比较普通一些了,但是它的噪声也不能太大,不然也会影响到芯片的正常工作,

4.PCB绘制
原则1:功率控制分隔开避免干扰
开关电源的PCB绘制,在布局的时候我们第一个要注意的原则就是功率部分和控制部分不能相互干扰,特别是反馈部分,它们是要进行一个相互的分离的。这个分离并不是在区块上相隔很远,更重要的是,考虑到前面讲到的导通环路以及续流环路这两个部分。就是尽量让这两个环路与它这个反馈环路不相关。
我们现在也对图进行一个环路分析,首先我们看它导通环路从输入进来,进入到芯片里面(右图的绿色笔标记的部分)将其导通,然后通过电感再流到电容最后再流到输出,这样通过GND流回来。这样就形成了一个导通环路。
然后我们再分析它的续流环路,因为同步加上的芯片它是直接用mos管进行续流的,续流的mos管也是在芯片内部的,续流环路也是处在芯片的内部,那我们可以从电感这边先进行输出,输出到负载之后再通过GND环路,最后再回到电感(蓝色笔标记的环路,)
那我们可以发现,这两个环路和我们芯片的一个反馈环路基本上是没有任何相关的,就是白色框框柱的部分就是反馈环路,最重要的是要避免这个反馈环路把功率环进去了,那这样噪声就会非常严重了。
这种是完全不相关的,那同样对于这个TPS5430页可以做一个分析,它的导通环路是从VIN再输入到芯片中的,然后再通过这边输入到电感中的,然后再到负载,然后就到地了,回到了电源的地。这就是导通环路(绿色笔)。然后它的续流环路(蓝色笔)是,这是一个异步的芯片,可以通过电感先输出,输出到地之后,通过续流二极管给续流回来了,然后再回到电感。这种状态可以分析出导通环路和续流环路虽然是把反馈环路给环在里面了,但是主要是地还有输出比较稳定的部分,不是开关的节点,影响不是很大,而且看左图,一个线圈当有交变磁场通过的时候,里面就会产生电流,同样为了避免反馈环路之间引入了电感开关造成的磁场饶进的反馈环路,所以在布线的时候就要让反馈的环路尽量的小,而且它毕竟是在外面饶进里面的,所以影响不大。但是有一种很致命的现象就是如果这个反馈环路把这个电感饶了一圈,这种是绝对不可以的,这样的话噪声会非常非常的大。这种现象电源工作就不稳定了。
所以我们要避免回路被产生的磁场环穿过。有三种现象,像右图这种完全没有相关的情况肯定是最好的,但是像TPS530这种把整个反馈环路包在里面,但是这个反馈环路面积很小,以及是被稳定的部分包在里面的时候,这种情况还好,。但是如果出现了整个反馈回路把芯片包起来电感的现象,这种问题就很严重了,绝对是大忌,

原则2:大电流部分加粗
对于像这种引脚特别细的芯片,没有连线是不可行的,肯定得用铺铜。这里会有一个疑问,这里铺铜引脚这么窄,为什么外面走宽呢?这有什么用呢?在这里我们需要明确一个概念,像导线的电阻是跟导线的长度和宽度相关的,所以在短距离内有小宽度,它的电阻并不是很大,加宽的本身原因是因为要降低它的内阻,所以在这个点上它的内阻并不是很大,所以我们就可以在这里做出一个像喇叭口一样的结构(蓝色线),尽量让它从这个端口进行展宽。
首先我们还是要明确以下大电流的部分有哪些,输入输出还有功率地这三个部分肯定是大电流的。但其实开关节点也是整个开关电源里面电流最大的一个部分,因为它是通过开关产生一个方波,电感就会产生一个三角波,它的方波上升沿的瞬间产生的电流是非常大的,这是因为波形在外面输出的时候是恒定的,但输入这个电感的时候它是高低波动的,这个波动的幅度从积分到稳定,它的瞬时肯定是要比积分够厚的波形电流更大的,所以这个开关节点一定要画的非常短,而且要非常粗,因为它如果画细了画长了都会有很多影响的,画长了还会产生辐射噪声的影响,所以开关节点一定要画粗。还有去除发散焊盘也要加粗。很多人是铺铜周围有一圈的铜,但实际上连到铜上面就是三四根细线,那个叫发散焊盘。
在立创中就要建立不同的规则,建立一个新的规则,连接方式可以选择发散或者直连,对于这种功率部分的普通选择要直连的方式,这样保证阻抗的计量小,不会有烧断的现象,

原则3:反馈采样的绘制
很多同学去反馈feedback取点的时候是随便取的,从输出这个地方随便取一个点,有的甚至取到电感下面了,或者取在电感的另一侧拉出来,这种切忌是不可行的。因为回馈电流也就是电感和电容就是一个滤波回路。滤波要考虑到它是一个交流通路,可以简化为右图这个模型,这是因为导线是有电阻的,并不是理想的导线。其实在取反馈点的时候就像一个滑动变阻器一样,取得越靠近电感分走的噪声就越多,交流分量也就越多。所以我们要取得尽量靠近最后一颗电容。如果取在电感下面运气好可能只是噪声比较大,运气不好的话可能就会造成芯片的振荡,直接烧毁。还有就是尽量换层走到背面,背面两侧还要进行铺铜,然后开到电阻的时候再打过孔给穿回来。这个反馈网络也是画得非常紧凑的,面积尽量小。这就是反馈取点

原则4:电容放置
去耦电容一定要靠近输入的端口,让输入的波动尽可能的小。这是因为导线是有它的电阻的,要保证这个端口短时间的稳定就要把这个电容尽量靠近它。输出也是让这个开关靠着这个电容走过来,越短越好。
还有一个重点是有些同学在拉线的时候可能反馈不从这拉,但是输出从电感那边直接拉出去5v。这样也是不可以的,因为这样还是集成电阻的问题,在这种状态下,电容滤波的作用就是对于这边输出的电源是大大下降的。所以一定要从电容之后拉出来这根导线,而不是从电感这边随便拉。

原则5:电感放置
很多同学在铺铜的时候都是铺GND,就是GND不连,直接一次性全连起来。这是希望改掉的一个习惯。功率地和小信号的地(反馈的地)最好也是要分开的,就是铺铜不要一整片的去铺,要分块的去铺出来,然后打到背面的整个地平面上,因为如果连在一起的话,就很有可能会形成一个环路,从地就会给反馈的环路引入噪声了,这样就会影响整个工作的稳定性。
还有就是电感的下面,千万不要铺地铺铜,要把地给切掉,我们可以去通过设静态区域来把它给禁止掉。

其他注意事项
在设计工具可能会给一个图,很多时候电感可能只有22uf,但是还是建议在舵机的输出一定要增加一个200uf的大电容,因为舵机是一个感性的负载,而且它在动的时候同样也是会有反电动势的,因为电动机也等于发电机,它在供电动的时候,它的反电动势就会造成端点的电压短时的升高,那么通过电容就可以吸收掉这个东西。所以说如果没有这个电容,可能就会造成这个芯片短时的触发保护,就会舵机供电就断了,它就会一直跳,灯就会闪,所以说我们还是要增加200uf的大电容,而且是靠近舵机的输出端口,就是整条线都要短而粗的拉过去。然后还有一个就是舵机的大动作的时候会消耗很大的能量,短时间的大电流也要靠这个电容来稳定它。
然后是主板的输入端口,因为是电池,所以也是需要大电容来去稳定它的,这样才能去保证它的供电稳定,放一两颗大电容200uf左右的。
还有一个东西是瞬态抑制管(TVS),它其实就是一颗双向的二极管,两个二极管反压压在一起,或者单向它有的时候就是一颗二极管的形状。然后上面是电源,下面是地,这种情况的是单向瞬态抑制管。而使用双向瞬态抑制管是用来吸收掉电源端口上的这个尖峰。因为有的时候可能会产生一个尖峰造成芯片被击穿了。
那这个瞬态抑制管在选择的时候,会放在几个地方,一个是电源的输入端口,因为车一定是有电机的,电机会产生一个很大的尖峰,可以在电源输入处就把这个尖峰给吸收掉。还有就是每一个开关电源的输出点,因为开关电源输出也有可能产生尖峰,那么就可以通过这个瞬态抑制管就可以把它给吃掉。
在选择的时候,瞬态抑制管中间会有一个数字,14表示的是钳位电压,这个电压在一般的场景下是略高于我们的输入电压的,或者相等也是可以的,但不能是低于,因为低于的话再正常工作下就导通了。还有一个点是它要低于这个器件的耐受电压,比如说这边有一个芯片的耐压是20v,然后我选择了一个40v的瞬态抑制管,那么这时候出现30v的尖峰电压的时候,芯片早就炸了,管子还没有把它导通受到保护,那这是不可以的。所以说要略高于或者相等,像这个SMF50CA它就是5.0CA就是和5v相等,3.3ca表示和3.3v相等。管子封装一般选择SMB,B是代表封装的大小。

5.芯片方案推荐
MP2229这个方案是很不错的,18届的时候就有4个组在使用这个芯片。比TPS530要好的非常多的。以及今年找到的TPS54821以及TPS54620这两个芯片基本是一样的,只是电流差别,但是为什么推荐大家使用54821呢?因为另外两个芯片是TI今年刚刚淘汰的一款芯片,虽然它被淘汰,但是它比5430新,目前它的价格才1.5块左右,非常非常便宜,性价比高,这个东西反而6A的要到2.3块左右,那么知识后肯定选择8A的性价比可能会更高一些了。
那么54821的17v耐压一般在3s以内的电池组别就可以的了,4s的话可能就有点勉强容易炸掉,4s我们就推荐使用这个MP2229。
但是这三个芯片有一个问题是,他们的封装是QFN,在焊接上可能得下点功夫了。而MP2225的封装TOST可以使用烙铁去焊了,比起QFN会友好一点,但是这个芯片的噪声肯定做不到像上面三个芯片那样小了。

然后是3A左右的,做控制部分低噪声的芯片,重点推荐TPS62130这个系列的,这个也是TI刚刚退役的一个芯片,它一般是用在FPGA供电,所以说它的电源供电能力也是非常好的。前段时间也做过测试,就是在参数设计盒里也是纹波控制在10mv以内基本是没有任何压力的,这个芯片目前它的价格也是两块左右,像去年买的时候是七块一片,所以它现在的价格是非常便宜的。、
最近还发现一款是TPS82130,这个东西其实就是62130集成电感的版本,像上图展示的东西,下面是芯片底板,上面集成了一个电感。集成电感就是和线性稳压器用起来没有什么差别,就是两个电容拔掉滤一下波就可以了,加上几个配置电阻,这样的话可以大幅减小整个板子的布局大小。你可以看这个芯片的大小就只有两个0805的大小,可以说是非常的小巧,
下面是MP1471A,封装是SOT,相对来说好焊接一点,上面三个其实是很考验焊接功底的,尤其是这个MicorSip,建议大家在设计的时候将焊盘加长。

还有就是低压差的开关电源,

很多人认为在BUCK电路后面加上一级LDO噪声就没事了。但这是不对的,LDO的抑制比其实是有它的带宽的,不同带宽下面的抑制能力是不同的,频率越高,带宽就越小,所以用到了开关电源,高频的噪声可以使用磁珠去过滤,因为LDO的效果是不完全好的,可以再多过一个磁珠,就是磁珠LC滤波网络,可以把噪声给处理掉,


电感下面不要走任何线,不要铺铜
晶振下面不要走任何线
芯片引脚不要方过孔,放开一点
本文围绕BUCK降压电路设计展开,介绍了其原理,包括导通与续流回路、异步和同步模式等。阐述了器件选型要点,如芯片、电感、电容的选择。还说明了原理图设计方法和PCB绘制原则,最后推荐了不同电流需求的芯片方案,为电路设计提供参考。
5万+

被折叠的 条评论
为什么被折叠?



