Video Frame Buffer IP 简介
Video Frame Buffer Read/Write IP 支持您将视频数据从存储器域(AXI4 存储器映射接口)迁移到 AXI4-Stream 接口,或反之亦然。
从更高层次来看,它的作用与我们在先前视频系列(视频系列 24、视频系列 25、视频系列 26 等)中所使用过的 AXI VDMA IP 并无差异。
那么为什么要使用 Video Frame Buffer IP 核而不是 AXI VDMA IP 呢?
答案就记录在(赛灵思答复记录 72543)中。究其本质,AXI VDMA IP 从 AXI4-Stream 接口提取字节,并直接将其移植到存储器中,无关乎视频数据格式。
Video Frame Buffer 必须关注传入传出存储器的数据格式。根据所选格式,它能以不同方式将数据存储在存储器中。这对于 Linux 应用非常实用。
比如,V4L2 格式 YUYV 和 UYVY 都表示 YUV4:2:2 8 位,唯一差别就在于两者在存储器中的存储方式。
因此,建议针对新设计采用 Video Frame Buffer IP。
如需了解有关 Video Frame Buffer Read/Write IP 的详情,请参阅 (PG278)。
为 Video Frame Buffer IP 生成设计示例
注意:下文是基于 2019.2 版本中提供的设计示例编写的。
硬件 (Vivado 2019.2) 设计示例
要生成应用设计示例的硬件部分 (Vivado Design),请遵循 (PG278) 的第 5 章中的步骤进行操作。此处设计示例可用于 KC705、ZCU102、ZCU104 和 ZCU106 评估板。即使您没有上述任意评估板,我也建议从设计示例开始实践。这始终都是最佳的起点。
注意:要利用 Vivado WebPack 许可证生成设计示例,请使用 ZCU104 评估板作为起点开始操作。
设计示例分为两种。一种用于 Video Frame Buffer Read IP,另一种用于 Video Frame Buffer Write IP。
我建议使用面向 Video Frame Buffer Write IP 的设计示例,因为 Video Frame Buffer Write IP 和 Video Frame Buffer Read IP 都囊括在其中。
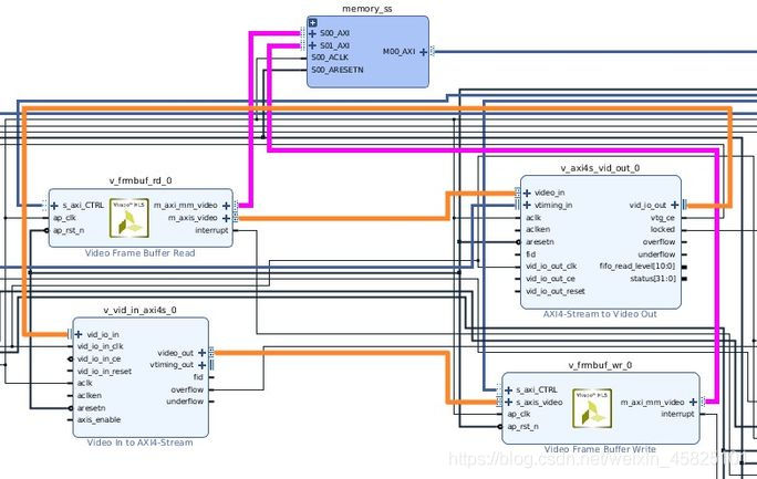
Video Frame Buffer Write IP 设计示例的硬件设计属于非常基础性的设计。
它使用 Video Frame Buffer Read IP 将数据从存储器读取到 AXI4-Stream 接口。
随后,将其转换为本地视频,然后再使用 AXI4-Stream to Video Out IP 和 Video in to AXI4-Stream IP 重新转换为 AXI4-Stream。
最后使用 Video Frame Buffer Write IP 将 AXI4-Stream 数据重新写入存储器。

我认为对于此设计,有两个值得注意的要点:
- 上述两个 Video Frame Buffer IP(Read 和 Write)各自的中断输出都连接到处理器。这是前提条件。Video Frame Buffer 是基于中断的 IP。

- 而这两个 Video Frame Buffer IP 的复位输入则连接至 AXI GPIO IP。这一点至关重要,因为它支持您从处理器执行 IP 软复位。就像所有 HLS IP 一样,只要分辨率改变,就需要将 Video Frame Buffer 复位。
应用示例 (Vitis 2019.2)
要生成应用示例,在 Vivado 中,首先将硬件导出至赛灵思 Vitis(依次单击 File > Export > Export Hardware …)。
确保在导出的硬件中包含比特流。这将创建一个 XSA 文件。

启动赛灵思 Vitis 并选择要用作为工作空间的目录。
在 Vitis 中,单击 New > Platform project。

输入您所选的平台名称(例如,v_frmbuf_zcu104_pfm),然后单击 Next。

确保选中 Create from hardware specification (XSA),然后单击 Next。

选择从 Vivado 导出的 XSA 文件,确保已选中 A53 处理器,然后单击 Finish。

创建平台后,单击 psu_cortexa53_0 > standalone on psu_cortexa53_0 下的 Board Support Package,然后展开 Peripheral Drivers 部分。

在 Peripheral Drivers 下,查找对应于 Video Frame Buffer Write (v_frmbuf_wr) 的行,然后单击 Import Examples。

选择示例 (xv_frmbufwr_example),然后单击 OK。

运行应用示例
注意:以下步骤假定评估板已上电并且已通过 UART 连接,BOOT 模式开关已设置为 JTAG 模式和 JTAG,并且已打开 UART 终端(如 Tera Term)供正确的 COM 端口使用。
单击应用并单击锤子图标以构建应用:

要在硬件上启动应用示例,请右键单击设计应用示例,并单击 Run As > Run Configurations…

在 Create, manage, and run configurations 窗口中,右键单击 Single Application Debug,然后单击 New Configuration。

在配置窗口的 Target Setup 选项卡中,确保已启用 psu_init(如果在 ZCU102、ZCU104 或 ZCU106 评估板上运行)和 Program FPGA,然后单击 Run。

在 UART 终端中,可以看到此应用正在尝试不同的视频分辨率和色彩空间组合。

在应用运行结束时,可能会显示部分测试失败的原因(主要原因是硬件配置不支持)。

色彩空间和视频分辨率在应用中以 ColorFormats 和 TestModes 结构来定义。


如果要减少测试的色彩格式数量,或者如果要改变测试的视频分辨率,可以更改这些结构。
VideoFrameBufferIP是用于在AXI4存储器映射接口和AXI4-Stream接口之间迁移视频数据的IP,关注数据格式,适合Linux应用。与AXIVDMAIP相比,VideoFrameBufferIP更注重数据格式处理,适用于不同存储格式的YUV数据。设计示例包括VideoFrameBufferRead和Write,中断输出连接处理器,复位输入连接AXIGPIOIP以支持软复位。Vitis应用示例展示了如何使用VideoFrameBufferWriteIP读取、转换和写回视频数据,支持调整测试的色彩格式和分辨率。
1079





