
SOLIDWORKS作为一款简单便捷的三维设计软件,普遍应用于机械设计行业。为了更好地提升工程师的出图效率,我司基于SOLIDWORKS 3D设计软件上研发了自动出工程图的插件,其无缝集成于软件界面,只需点击即可自动生成图纸。下面为大家揭开它的神秘面纱!

一、它集成于SOLIDWORKS软件界面,可以从零件界面点击,单独出图纸;也可以从总装界面点击,批量出图纸。当模型绘制完成时,可点击界面上的“零件生成工程图”,在弹出的界面上,可依据实际需求,选择图形视角,设置标注样式,保存位置,模板等等。

二、设置完毕,点击“开始”按钮,软件将自动运行,输出工程图纸。

三、同样的方式,也可在总装下,点击生成。在弹出的界面可根据需求,勾选所需出图的模型。当然,也可根据实际需求进行相关设置。值得一提的是,程序也可针对钣金件生成展开图纸,并进行标注。

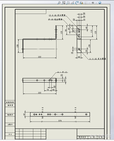
四、输出的工程图包含标准三视图、展开图,也可添加其它视图。下方为输出的示例工程图纸。

SOLIDWORKS是常用的三维设计软件,为提升出图效率,研发了自动出工程图插件。该插件无缝集成于软件界面,可从零件或总装界面点击生成图纸,能设置视角、标注样式等,还能针对钣金件生成展开图,输出包含标准三视图等。
2407

被折叠的 条评论
为什么被折叠?



