对于运放的认知,初学者可能只记得虚短虚断、输入阻抗/开环增益无穷大,但是若要设计一个性能优良的放大器,熟悉运放其他一些参数指标必不可少。这些参数可分成两大类:静态参数和动态参数。静态参数主要描述运放的时域特性,而动态参数更多描述的是频域上的,或者与频率和一些统计规律有关,这些将会慢慢分享给大家。
| 先看一个输入电压为0的跟随器 |
▼

们知道跟随器的输出电压与输入电压相等,但上图的跟随器输入电压为0输出电压却为30.59uV,为什么输出不为0呢?事实上,实际运放的两个输入端不能做到真正的完美匹配,当运放在对信号进行运算时总会引入误差,这就是我们要说的输入失调电压。
| 什么是输入失调电压? |
◆ 输入失调电压的定义:为了使运放的输出电压等于0,须在运放的两个输入端加入一个小电压,这个小电压就叫输入失调电压 VOS(Input Offset Voltage),我们有时候为了方便会直接叫失调电压。
◆ 为什么叫输入失调电压而不叫输出失调电压?对于理想运放来说,当运放两端的输入电压相等时输出电压为0,但是在实际的运放当中,输出电压不为0,它要么是电源正轨要么是电源负轨,甚至出现亚稳态的情况。所以输出失调电压的叫法不能表征运放这一特性,我们总不能把电源正轨或者负轨电压叫做失调电压。
◆ 输入失调电压可正可负。
◆ 输入失调电压是运放内部两个输入端的晶体管失配造成的。
| 输入失调电压如何折算 |
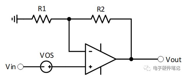
为了更好地分析VOS对放大器输出的影响,下面将它进行一个抽象表示如图-1。
· 图-1 ·
▼

如上图,我们将VOS等效成一个电压源,它与输入电压串联。通过虚短虚断或者类比很容易得到最终该同相放大器的增益公式,如公式-1所示。
· 公式-1 ·
▼

| 仿真验证 |
从OP07E的手册或者 Spice Model 可以看到OP07E的VOS=30uV,如图-2。
· 图-2 ·
▼

· 仿真结果 ·
▼

从仿真结果来看,会发现运放输出电压并不等于30uV。这里要说明一下,上图并不是严格测量VOS的电路,因为这个电路并不符合VOS的定义,这里只是为了说明问题,测量方法会在以后分享。
此外,运放的固有静态参数不单单只有VOS会影响其输出,比如PSRR、CMRR也会影响。
| 输入失调电压的温漂TC |
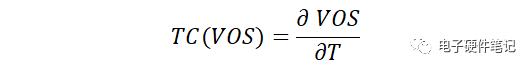
半导体器件总是受温度影响,而运放的VOS是受温度影响较大的一个参数。IC厂商测量VOS温漂的方法就是在不同的温度下测VOS,然后再对时间求导,如公式-2。
· 公式-2·
▼

| 温漂TC计算示例 |

如上图,在25℃下,VOS=45uV,假如运放工作在75℃下,则最终VOS产生的偏差为:

所以最终运放的输入信号相当于原来的输入信号再加上一个60uV的直流信号。
本文介绍了运放中输入失调电压的概念及其对放大器输出的影响。输入失调电压是运放两个输入端不完全匹配导致的误差,它会影响放大器的输出精度。文章还探讨了输入失调电压的测量方法和温度漂移等问题。
1087

被折叠的 条评论
为什么被折叠?



