我们可以把数据保存在EEPROM中,这样断电数据也不会丢失。
常用的串行总线协议:
目前常用的微机与外设之间进行数据传输的串行总线主要有I2C总线、SPI总线和SCI总线。
I2C总线:以同步串行2线方式进行通信(一条时钟线,一条数据线)。
SPI总线:则以同步串行3线方式进行通信(一条时钟线,一条数据输入线,一条数据输出线)。
SCI总线:是以异步方式进行通信(一条数据输入线,一条数据输出线)。
1-wire :即单线总线,又叫单总线。
例子:
1-wire ——数字温度传感器DS18B20
IIC——oled屏幕
I2C串行总线的组成及工作原理
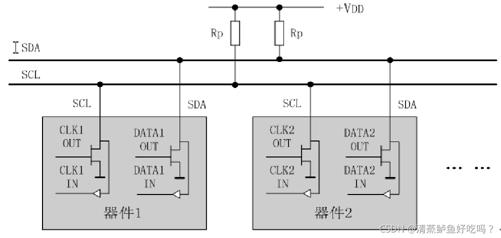
I2C总线是PHLIPS公司推出的一种串行总线,它只有两根双向信号线。一根是数据线SDA(serial data I/O),另一根是时钟线SCL(serial clock)。
如下图所示,IIC总线上可以挂多个器件,而每个器件都有唯一的地址,这样可以标识通信目标。数据的通信的方式采用主从方式,主机负责主动联系从机,而从机则被动回应数据。
在多主机系统中,可能同时有几个主机企图启动总线传送数据。为了避免混乱,I2C总线要通过总线仲裁来决定由哪一台主机控制总线。
但是我们现在学习的单片机一般都是单主机情况。
I2C总线通过上拉电阻接正电源。当总线空闲时,两根线均为高电平。连到总线上的任一器件输出的低电平,都将使总线的信号变低,即各器件的SDA及SCL都是线“与”关系。

函数
要掌握IIC的通信协议,需要掌握以下几个函数的写法:
1.起始信号 i2c_Start()
2.终止信号 i2c_Stop()
3.写数据 i2c_SendByte()
4.读数据 i2c_ReadByte()
5.发送应答信号 i2c_Ack()
6.发送非应答信号 i2c_Nack()
7.等待应答 i2c_WaitAck()
8.检测I2C总线设备 i2c_CheckDevice
I2C总线传输协议
I2C的起始和终止信号
SCL线为高电平期间,SDA线由高电平向低电平的变化表示起始信号;SCL线为高电平期间,SDA线由低电平向高电平的变化表示终止信号。
起始和终止信号都是由主机发出的,在起始信号产生后,总线就处于被占用的状态;在终止信号产生后,总线就处于空闲状态。
连接到I2C总线上的器件,若具有I2C总线的硬件接口,则很容易检测到起始和终止信号。
接受期间收到一个完整的数据字节后,有可能需要完成一些其他工作,例如处理内部中断服务等,可能无法立刻接收下一个字节,这时接收器件可以将SCL线拉成低电平,从而使主机处于等待状态。直到接受器件准备好接收下一个字节时,再释放SCL线使之为高电平,从而使数据传送可以继续进行。
数据位的有效性规定
SCL为高电平期间,数据线上的数据必须保持稳定,只有SCL信号为低电平期间,SDA状态才允许变化。
I2C字节的传送与应答
每一个字节必须保证是8位长度。数据传送时,先传送最高位(MSB),每一个被传送的字节后面都必须跟随一位应答位(即一帧共有9位)。

应答位的作用
主机在发送数据时,每次发送一字节数据,都需要读取从机应答位,当从机空闲可以接收该字节数据时,从机会发出应答(一帧数据的第9位为“0”),当从机正忙于其他工作的处理来不及接收主机发送的数据时,从机会发出非应答(一帧数据的第9位为“1”)主机则应发出终止信号以结束数据的继续传送,主机通过从机发出的应答位来判断从机是否成功接收数据。
当主机接收数据时,它收到最后一个数据字节后,必须向从机发出一个结束传送的信号。这个信号是由对从机的“非应答”来实现的。然后,从机释放SDA线,以允许主机产生终止信号。
注意:阴影部分是主机的数据,白色部分是从机的数据
I2C写数据流程
在起始信号后必须传送一个从机的地址(7位)我们开发板上的AT24C02地址为0xa0,第8位是数据的传送方向位(R/T),用“0”表示主机发送数据(T)——写,“1”表示主机接收数据(R)——读。
I2C读数据流程

在读数据时也要先发送器件地址,读写方向为写,因为我们下一帧需要发送从AT24C02内那个单元开始读,之后需在发一次器件地址这个时候读写方向就为读了,接着我们就可以从总线上读取数据。



从机地址例子(AT24C02的1k),这里不同内存版本的芯片不同可编程位数量。
A0 - A2是可编程位,可以通过控制引脚电平来控制内容


软件模拟I2C通信时序

I2C总线的数据传送有严格的时序要求。I2C总线的起始信号、终止信号、发送“0”及发送“1”的模拟时序 :

代码思路:
/*
*********************************************************************************************************
* 函 数 名: i2c_Start
* 功能说明: CPU发起I2C总线开启信号
* 形 参: 无
* 返 回 值: 无
*********************************************************************************************************
*/
void i2c_Start(void)
{
/* 当SCL高电平时,SDA出现一个下跳沿表示I2C总线启动信号 */
SDA = 1;
SCL = 1;
i2c_Delay();
SDA = 0;
i2c_Delay();
SCL = 0;
i2c_Delay();
}
/*
*********************************************************************************************************
* 函 数 名: i2c_Stop
* 功能说明: CPU发起I2C总线停止信号
* 形 参: 无
* 返 回 值: 无
*********************************************************************************************************
*/
void i2c_Stop(void)
{
/* 当SCL高电平时,SDA出现一个上跳沿表示I2C总线停止信号 */
SDA = 0;
SCL = 1;
i2c_Delay();
SDA = 1;
i2c_Delay();
}
/*
*********************************************************************************************************
* 函 数 名: i2c_WaitAck
* 功能说明: CPU产生一个时钟,并读取器件的ACK应答信号
* 形 参: 无
* 返 回 值: 返回0表示正确应答,1表示无器件响应
*********************************************************************************************************
*/
unsigned char i2c_WaitAck(void)
{
unsigned char re; //应答信号等于0则应答正确,等于1则没有应答
SDA = 1; //释放总线,能让对方拉低
i2c_Delay();
SCL = 1; //此时刻开始,数据保持应答状态稳定
i2c_Delay();
if(SDA == 1)
{
re = 1; //没有应答
}
else
{
re = 0; //应答正确
}
SCL = 0;
i2c_Delay();
return re;
}
/*
*********************************************************************************************************
* 函 数 名: i2c_SendByte
* 功能说明: CPU向I2C总线设备发送8bit数据
* 形 参: _ucByte : 等待发送的字节
* 返 回 值: 无
*********************************************************************************************************
*/
void i2c_SendByte(unsigned char _ucByte)
{
unsigned char i; //其实信号开始后SCL是被拉低的
for(i = 0; i < 8; i++)
{
if(_ucByte & 0x80)
SDA = 1;
else
SDA = 0;
SCL = 1;
i2c_Delay();
SCL = 0; //SCL等于0的时候写数据
if(i == 7) //最后一次时释放总线
{
SDA = 1;
}
_ucByte<<=1; //左移一位
i2c_Delay();
}
}
/*
*********************************************************************************************************
* 函 数 名: i2c_ReadByte
* 功能说明: CPU从I2C总线设备读取8bit数据
* 形 参: 无
* 返 回 值: 读到的数据
*********************************************************************************************************
*/
unsigned char i2c_ReadByte(void)
{
unsigned char i;
unsigned char value = 0;
for(i = 0; i < 8; i++)
{
value<<=1;
SCL = 1; //稳定状态的时候读数据
if(SDA == 1)
value++;
SCL = 0; //允许数据变化
i2c_Delay();
}
return value;
}
/*
*********************************************************************************************************
* 函 数 名: i2c_Ack
* 功能说明: CPU产生一个ACK信号
* 形 参: 无
* 返 回 值: 无
*********************************************************************************************************
*/
void i2c_Ack(void)
{
SDA = 0;//响应
i2c_Delay();
SCL = 1;
i2c_Delay();
SCL = 0;
i2c_Delay(); //在SCL为高电平期间SDA都为0即产生一个应答信号
SDA = 1; //释放总线
i2c_Delay();
}
/*
*********************************************************************************************************
* 函 数 名: i2c_NAck
* 功能说明: CPU产生1个NACK信号
* 形 参: 无
* 返 回 值: 无
*********************************************************************************************************
*/
void i2c_NAck(void)
{
SDA = 1;
i2c_Delay();
SCL = 1;
i2c_Delay();
SCL = 0;
i2c_Delay(); //在SCL为高电平期间SDA都为1即产生一个非应答信号
}
/*
*********************************************************************************************************
* 函 数 名: i2c_Delay
* 功能说明: I2C总线位延迟,最快400KHz
* 形 参: 无
* 返 回 值: 无
*********************************************************************************************************
*/
static void i2c_Delay(void)
{
unsigned char i;
/*
IIC 延时时间根据具体情况自行决定for循环延迟时间的大小
实际应用选择小于400KHz左右的速率即可
*/
for (i = 0; i < 10; i++);
}
本文详细介绍了I2C总线的工作原理、常见应用和通信协议,包括起始和终止信号、数据传输时序以及应答机制。通过具体的函数实现展示了如何在软件层面模拟I2C通信过程,如发送起始和停止信号、读写数据以及处理应答。此外,还提及了I2C总线上的设备如DS18B20温度传感器和OLED屏幕的使用。

2267

被折叠的 条评论
为什么被折叠?



