一种具有便携式监控功能的锂离子电池充电器
摘要
本文提出了一种具有次级中心抽头整流电路的半桥 LLC转换器,以实现高功率输出。采用输出负载模拟器来模拟电池充电情况,包括恒压(CV)模式和最大输出条件。通过脉冲频率调制(PFM)技术,在不同负载条件下实现了恒定输出电压。此外,增加了传感元件以检测输出负载值。用户可以通过手机立即监控输出电压和电流。
一、引言
如今,铅酸电池或锂电池常用于交通运输。通过电池组的串联和并联连接,可达到所需的输出电压和输出容量。
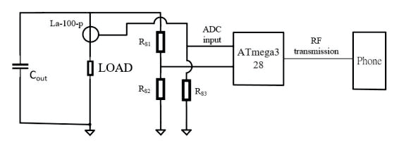
本文设计基于48V电池充电电压、输出功率为500瓦的常用条件[1]。通常情况下,LLC转换器的初级侧主要采用全桥或半桥拓扑结构。为了在高输出功率应用中减少电路元器件数量以获得更高效率,通常选择半桥方案。此外,通过PFM技术实现具有恒定输出电压的LLC谐振电路。为了在此电路中实现零电压开关(ZVS)[2],开关频率成为一个关键因素。对于输出端的模数转换(ADC)采样,需要添加电压和电流传感元件,如分压电路和霍尔效应传感器。将数据传输至微控制器(MCU)并完成编译代码后,即可获得相关输出参数。通过采用射频(RF)通信技术进行数据传输与接收,可通过应用程序(APP)软件在智能手机上实时读取数据。整体系统架构如图1所示。
II. 半桥LLC转换器设计
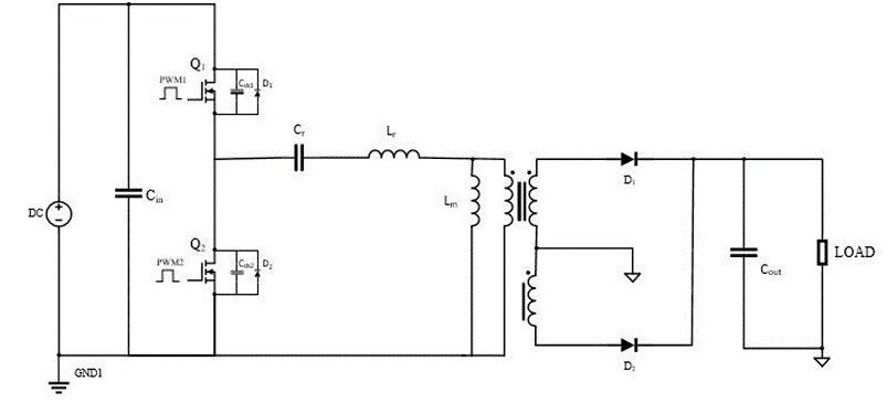
图2所示的LLC谐振转换器在初级侧采用半桥拓扑结构,在次级侧采用中心抽头整流电路。Q1和Q2作为初级侧的半桥开关使用。谐振电容Cr、漏感Lr以及励磁电感Lm构成一个串联谐振电路。这些参数决定了电路的Q值和K值,从而影响频率响应和电压增益曲线。必须注意,在电压增益曲线中,当频率比ωr为1时,电路处于最稳定的状态。结合上述描述及该方案中的电压增益,可适当地确定工作频率。
根据上述描述,图3是频率比与电压增益的关系曲线[3]。该曲线将图形分为三个区域。区间1和2为LLC谐振电路电感性工作的区域,此时电流滞后于电压,使得Q1和Q2实现ZVS功能。图4显示了满载条件下Q1信号的ZVS实验波形以及谐振电流。可以看出,开关在Vds降至0V后导通。ZVS的实现有助于降低开关损耗。经过测量与实验,不同负载下的效率曲线如图5所示。该曲线由公式(1)推导得出。
$$
= \frac{1}{\sqrt{1 + \frac{L_m}{L_r} \left(1 - \left(\frac{\omega_s}{\omega_r}\right)^2\right)^2 + Q^2 \left(\frac{\omega_s}{\omega_r} - \frac{\omega_r}{\omega_s}\right)^2}} \tag{1}
$$
III. 通过手机监控输出值
在本部分中,可以将智能手机用作万用表来监测输出电压和电流。通过将电流和电压相乘,可精确计算出输出功率。这有助于用户了解充电过程中的充电情况。监测方法如下所列。
A. 电压检测
通过使用ATmega328芯片作为单片机,最大读取电压为5V。采用高阻值电阻RS1和低阻值电阻RS2对电压进行分压,以得到可接受的值。
B. 电流检测
电流传感器La-100-p被用作分压电阻,以向模数转换器提供电压信号。图6是检测元件和电路的射频传输单元。
当ATmega328接收到来自电流传感器的数值后,会根据设计者设定的公式将其恢复为原始值。随后,数据将通过射频模块传输到用户的手机,用户可以在设计的APP中查看该数值。实时监控功能已成功实现。图7显示了APP截图。
IV. 结论
为了匹配电池的恒压模式,LLC电路采用宽范围频率调制进行了良好设计。此外,在所有范围内均实现了零电压开关,转换器的最大效率达到87.3%。同时,还增加了实时监控功能,方便用户使用。未来进一步的目标是从更远的距离估算电池的充电状态和条件。
4418

被折叠的 条评论
为什么被折叠?



