大家好,我是陈老三!
输出文章之前,列举个小例子
同样一句话,不同品行修养的人 我们能够听出2种味道,一种能让人很容易接纳,听着舒服;另一种虽然是同一个意思但是听起来含糊不清,吞吞吐吐!
同样一段文字, 不同工作习惯的人去整理输出, 我们能够看到2份不一样的结果,一种是清晰,简明输出文字的意思,另外一种杂乱无章,难懂!
那你们说,如果你是老板,你会欣赏那一种?加薪、升职会选哪一类人呢?
这就是今天给大家分享 软件测试工程师 工作中必备模板五件套的原因,希望大家取之则用,用之有长,如果对应有帮助,请你广而告之,如果模板能够给出更好的建议,欢迎加微信:695214599 交流
针对群体:软件测试人员
模板的意义
测试团队文档标准的建立、信息清晰准确的传输、便于后期管理、交接、追溯
模板的作用
1.工作有条有理
2.节约人力时间成本
3.版本问题追溯,显而易见
4.个人好的工作素养&习惯体现
其实道理很简单,这是要求我们提前做好测试一切计划、按照标准按部就班的执行、包括让他人简单明了的通过一份文档或报告能看清了解我们的测试进度以及测试结果。
模板五件套清单
分为:软件测试计划、软件测试进度、软件测试用例、产品/业务验收单、软件测试报告 一体化流程模板,老三全部打包奉上(仅供工作切勿做商业交易)
1. 测试计划模板概图

2. 测试进度模板概图

3. 测试用例模板概图

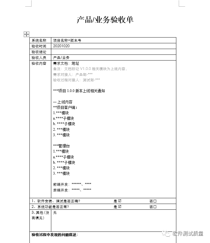
4. 产品业务模板概图

5. 测试报告模板概图

6. 如何获取
识别下方公号二维码,后台回复"软件测试"领取五套模板,并且希望大家在使用中有好的建议,或者有更好的创新,欢迎分享给老三学习

同时也将此文章分享给你的朋友,测试从业者需要的人!每一次的赞赏或分享都是对作者付出最大的支持!
874





