认识数码管
数码管是一种半导体发光器件,其基本单元是发光二极管。数码管按段数分为七段数码管和八段数码管,八段数码管比七段数码管多一个发光二极管单元(多一个小数点显示),本实验所使用的是八段数码管。按发光二极管单元连接方式分为共阳极数码管和共阴极数码管。共阳数码管是指将所有发光二极管的阳极接到一起形成公共阳极(COM)的数码管。共阳数码管在应用时应将公共极COM 接到+5V,当某一字段发光二极管的阴极为低电平时,相应字段就点亮。当某一字段的阴极为高电平时,相应字段就不亮。共阴数码管是指将所有发光二极管的阴极接到一起形成公共阴极(COM)的数码管。共阴数码管在应用时应将公共极COM 接到地线GND 上,当某一字段发光二极管的阳极为高电平时,相应字段就点亮。当某一字段的阳极为低电平时,相应字段就不亮。
数码管的每一段是由发光二极管组成,所以在使用时跟发光二极管一样,也要连接限流电阻,否则电流过大会烧毁发光二极管的。本实验用的是共阴极的数码管,共阴数码管在应用时应将公共极接到GND,当某一字段发光二极管的阳极为低电平时,相应字段就点熄灭。当某一字段的阳极为高电平时,相应字段就点亮。介绍完原理,


我们开始准备实验用元器件。
八段数码管1
220Ω直插电阻8
面包板1 面包板跳线1 扎
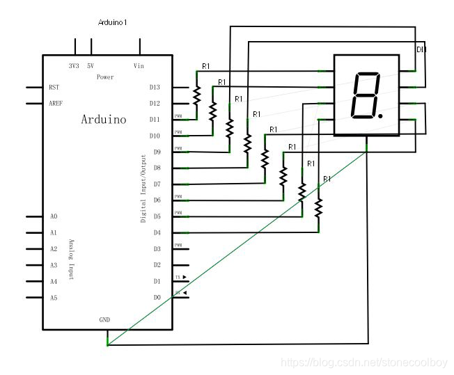
我们参考实物连接图按原理图连接好电路。


数码管共有七段显示数字的段,还有一个显示小数点的段。当让数码管显示数字时,只要将相应的段点亮即可。例如:让数码管显示数字1,则将b、c 段点亮即可。将每个数字写成一个子程序。在主程序中每隔2s 显示一个数字,让数码管循环显示1~8 数字。每一个数字显示的时间由延时时间来决定,时间设置的大些,显示的时间就长些,时间设置的小些,显示的时间就短。
参考程序源代码:
//设置控制各段的数字IO 脚
int a=7;//定义数字接口7 连接a 段数码管
int b=6;// 定义数字接口6 连接b 段数码管
int c=5;// 定义数字接口5 连接c 段数码管
int d=10;// 定义数字接口10 连接d 段数码管
int e=11;// 定义数字接口11 连接e 段数码管
int f=8;// 定义数字接口8 连接f 段数码管
int g=9;// 定义数字接口9 连接g 段数码管
int dp=4;// 定义数字接口4 连接dp 段数码管
void digital_1(void) //显示数字1
{
unsigned char j;
digitalWrite(c,HIGH);//给数字接口5 引脚高电平,点亮c 段
digitalWrite(b,HIGH);//点亮b 段
for(j=7;j<=11;j++)//熄灭其余段
digitalWrite(j,LOW);
digitalWrite(dp,LOW);//熄灭小数点DP 段
}
void digital_2(void) //显示数字2
{
unsigned char j;
digitalWrite(b,HIGH);
digitalWrite(a,HIGH);
for(j=9;j<=11;j++)
digitalWrite(j,HIGH);
digitalWrite(dp,LOW);
digitalWrite(c,LOW);
digitalWrite(f,LOW);
}
void digital_3(void) //显示数字3
{
unsigned char j;
digitalWrite(g,HIGH);
digitalWrite(d,HIGH);
for(j=5;j<=7;j++)
digitalWrite(j,HIGH);
digitalWrite(dp,LOW);
digitalWrite(f,LOW);
digitalWrite(e,LOW);
}
void digital_4(void) //显示数字4
{
digitalWrite(c,HIGH);
digitalWrite(b,HIGH);
digitalWrite(f,HIGH);
digitalWrite(g,HIGH);
digitalWrite(dp,LOW);
digitalWrite(a,LOW);
digitalWrite(e,LOW);
digitalWrite(d,LOW);
}
void digital_5(void) //显示数字5
{
unsigned char j;
for(j=7;j<=9;j++)
digitalWrite(j,HIGH);
digitalWrite(c,HIGH);
digitalWrite(d,HIGH);
digitalWrite(dp,LOW);
digitalWrite(b,LOW);
digitalWrite(e,LOW);
}
void digital_6(void) //显示数字6
{
unsigned char j;
for(j=7;j<=11;j++)
digitalWrite(j,HIGH);
digitalWrite(c,HIGH);
digitalWrite(dp,LOW);
digitalWrite(b,LOW);
}
void digital_7(void) //显示数字7
{
unsigned char j;
for(j=5;j<=7;j++)
digitalWrite(j,HIGH);
digitalWrite(dp,LOW);
for(j=8;j<=11;j++)
digitalWrite(j,LOW);
}
void digital_8(void) //显示数字8
{
unsigned char j;
for(j=5;j<=11;j++)
digitalWrite(j,HIGH);
digitalWrite(dp,LOW);
}
void digital_9(void)//显示数字9
{
unsigned char j;
for(j=5;j<=10;j++)
{
digitalWrite(j,HIGH);
digitalWrite(dp,LOW);
digitalWrite(e,LOW);
}
}
void digital_0(void)//显示数字0
{
unsigned char j;
digitalWrite(d,HIGH);
digitalWrite(e,HIGH);
for(j=5;j<=8;j++)
{
digitalWrite(j,HIGH);
digitalWrite(dp,LOW);
digitalWrite(g,LOW);
}
}
void digital_point(void)//显示数字.
{
unsigned char j;
for(j=5;j<=11;j++)
{
digitalWrite(j,LOW);
digitalWrite(dp,HIGH);
}
void setup()
{
int i;//定义变量
for(i=4;i<=11;i++)
pinMode(i,OUTPUT);//设置4~11 引脚为输出模式
}
void loop()
{
while(1)
{
digital_1();//显示数字1
delay(2000);//延时2s
digital_2();//显示数字2
delay(1000); //延时1s
digital_3();//显示数字3
delay(1000); //延时1s
digital_4();//显示数字4
delay(1000); //延时1s
digital_5();//显示数字5
delay(1000); //延时1s
digital_6();//显示数字6
delay(1000); //延时1s
digital_7();//显示数字7
delay(1000); //延时1s
digital_8();//显示数字8
delay(1000); //延时1s
digital_9();//显示数字9
delay(500);//延时0.5秒
digital_0();//显示数字0
delay(500);//延时0.5秒
digital_point();//显示右下角的点
delay(500);//延时0.5秒
}
}
在setup()前面定义了一系列的数字显示子程序,这些子程序的定义可以方便在loop()中使用,使用时只需将子程序的名写上即可。
这篇博客介绍了八段数码管的基本结构和工作原理,包括共阳极和共阴极的区别,以及在实际应用中如何连接限流电阻。通过实验,展示了如何使用八段数码管显示数字1到8,并提供了程序源代码示例,实现了数码管的循环显示功能。
8069

被折叠的 条评论
为什么被折叠?



