我们难以理解计算机,也许主要并不由于它复杂的机理,而是根本想不明白,为什么一通上电,这坨铁疙瘩就突然能飞速运转,它安安静静地到底在干些啥。
经过前几篇的探索,我们已经了解机械计算机(准确地说,我们把它们称为机械式桌面计算器)的工作方式,本质上是通过旋钮或把手带动齿轮旋转,这一过程全靠手动,肉眼就能看得一清二楚,甚至用现在的乐高积木都能实现。麻烦就麻烦在电的引入,电这样看不见摸不着的神物(当然你可以摸摸试试),正是让计算机从笨重走向传奇、从简单明了走向令人费解的关键。
1752年,以本杰明·富兰克林(Benjamin Franklin)为代表的科学家们用风筝线将闪电引到了地表,这个像神话一般的大胆实验,宣告着人类正式从造物主那里接收了这件将从根本上改变计算技术的神物。
在早期的计算设备中,电的应用主要有两大方面:一是提供动力,靠电动机(俗称马达)代替人工驱动机器运行,这一应用在部分机械计算器中已经有了预热;二是提供能力,靠一些电动器件实现运算和运算步骤的执行,这一应用则开启了机电计算的时代。
电动机
1820年4月,丹麦一位名为汉斯·克里斯蒂安·奥斯特(Hans Christian Ørsted)的物理学家在实验中发现通电导线会造成附近磁针的偏转,证明了电流的磁效应。
第二年,英国物理学家迈克尔·法拉第(Michael Faraday)想到,既然通电导线能带动磁针,反过来,如果固定磁铁,旋转的将是导线,于是解放人力的伟大发明——电动机便诞生了。
电磁继电器
电磁学的价值在于摸清了电能和动能之间的转换,而从静到动的能量转换,正是让机器自动运行的关键。而19世纪30年代由美国人约瑟夫·亨利(Joseph Henry)和英国人爱德华·戴维(Edward Davy)共同发明的继电器,就是电磁学的重要应用之一,分别在电报和电话领域发挥过重要作用。
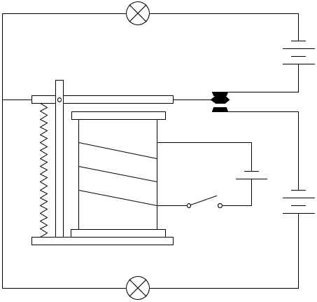
电磁继电器的组成结构和工作原理十分简单,主要部件包括:
- 电磁铁:在线圈通电时可产生电磁效应。
- 衔铁:可上下摆动的导电体。
- 弹簧:默认状态下将衔铁拉离电磁铁。
- 动触点:衔铁末端引起电路通断的金属小块,可随衔铁上下摆动,因而得名。
- 静触点:固定在动触点上下两侧的金属小块。默认状态下,上侧静触点与动触点接触,故名常闭触点,下侧静触点与动触点分离,故名常开触点。当线圈通电,电磁铁产生的电磁效应将衔铁向下吸引,动触点转而与常开触点接触,与常闭触点分离。更简易的电磁继电器也可以只有常闭触点或只有常开触点,用于控制单个电路的通断。
两个静触点可分别与衔铁和动触点组成不同的工作电路,动触点的上下摆动,控制着两个工作电路的一通一断。线圈两端连接一个低电压的电源,构成控制电路。控制电路的通断决定着工作电路的通断,这便是电磁继电器的主要功能——弱电控制强电。
在机电时期,电磁继电器还发挥着一项作用——电能转换为动能。衔铁在磁场和弹簧作用的下往返运动,可以驱动特定的纯机械结构来完成计算任务。
本文追溯了电在计算设备中的应用历程,从1752年富兰克林的闪电实验开始,到电动机的发明,再到电磁继电器的出现,这些成就推动了计算技术的发展,开启了机电计算时代。
5150

被折叠的 条评论
为什么被折叠?



