摘要 工业生产过程自动化系统中,多通道模拟采集是现场物理量监测的常用方法,本文列出了多通道模拟采集的几种隔离方案,分析了各种隔离方案的可靠性。
一、引言
在工业生产过程自动化系统中,工业现场需要监测电压、电流、温度、压力、应力及流量等多种现场物理量,综合成本和适用性考虑,DCS 的I/O 板卡以及信号传输等涉及到信号采集的部分都采用多通道的模拟采集的技术。工业现场应用环境常会涉及危险级电压、瞬态信号、共模电压及不稳定地电位,可能会损坏测量系统,降低测量精度。为了克服以上缺陷,工业应用中的测量系统设计会加入电气隔离。
二、不隔离、组隔离、点隔离的模拟多通道采集方案
工业现场的多通道采集系统设计,综合现场的电气环境与实际设计成本的考虑,一般分为三种隔离方案:不隔离、组隔离、点隔离。
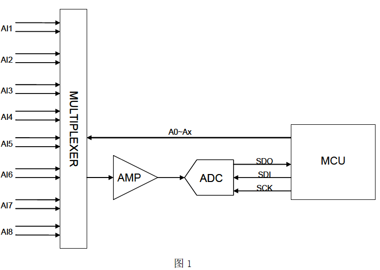
不隔离的多通道模拟采集方案如图 1,这种采集方案的缺点在于,从工业现场来的各路模拟量信号都存在不同的地电势,模拟多路器无法完全消除这些共模电压差异,会造成各信号通道之间的串扰;如果共模电压过大,甚至会烧毁整个系统。所以一般需要在信号输入前端用隔离栅进行隔离。

组隔离的多通道模拟采集方案就是将多路输入信号分组进行隔离,以减小共模干扰产生的几率。组隔离的方案,仍然不能完全消除未分组的信号通道之间的共模电压差异而引起的串扰问题。如果多路输入的信号来源于同一个设备或电气环境,选用组隔离的方案可以节省成本,相应的共模干扰问题也小很多。
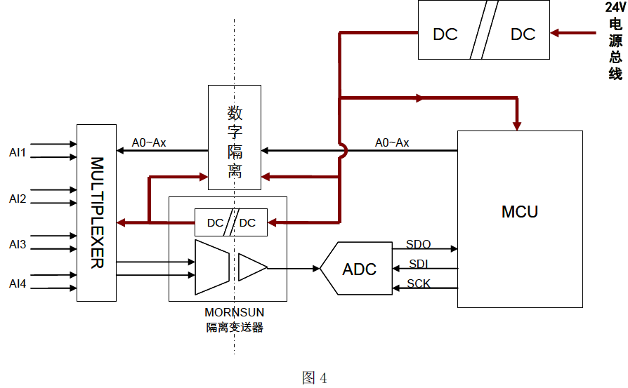
一般组隔离有两种方式,一种是数字隔离方案,如图 2(组隔离方案的其中一组 AI1~AI4)。这种采集方案,利用数字隔离器件和DCDC 隔离电源将采集板后端的MCU 系统与前端的信号调理电路和ADC 电路隔离开来,实现了对 MCU 系统的保护,但是一般 ADC 器件的共模输入范围较小,较小的共模电压就会造成ADC 器件的损坏,从而使得整个系统无法正常工作。

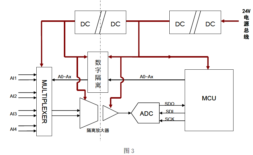
另一种是模拟隔离方案,如图 3(组隔离方案的其中一组 AI1~AI4)。这种组隔离方案较数字隔离方案的不同在于采用了隔离放大器;利用隔离放大器、DCDC 隔离电源、数字隔离器将 MCU 系统和 ADC 采集子系统与前端的输入信号进行了有效隔离,很好的实现了对 MCU 系统和 ADC 采集子系统的保护,大大的提高了系统的可靠性,同时利用隔离放大器的信号调理功能代替了原来的信号调理电路(AMP),简化电路设计。这个方案相对数字隔离方案增加了隔离放大器的成本,但省掉了信号调理电路,现在很多 MCU都集成了ADC 电路,如果利用MCU 内部的ADC 电路,还可以节省 ADC 器件的成本,整体来说,成本增加不明显,但可靠性更高。
金升阳的隔离变送器模块产品不仅包含隔离放大器的功能,同时还能提供一组隔离的DCDC 电源,采用这种隔离变送器模块产品不仅可以简化信号调理电路的设计,同时也可以简化电源设计。如图 4,利用隔离变送器模块实现的组隔离的模拟隔离方案。

点隔离的多通道模拟采集方案就是将多路输入信号的每个通道进行单独的隔离,消除共模电压影响,消除通道间的串扰问题, 避免了系统因共模电压及不稳定地电位造成损坏的问题。其方案图如图 5,采用多个隔离放大器实现每个通道的相互隔离,同时完成每个通道的信号调理,通过模拟多路器传送到 ADC。这种隔离方案,在信号输入的最前端进行电气隔离,对后端的采集电路形成了完整的保护,同时各通道之间相互隔离,避免了共模电压影响及通道串扰问题。

三、小结
上面列出的几种模拟多通道采集的隔离方案,点隔离方案抗干扰性最好,可靠性最高,适用于输入信号来源于不同设备或电气环境,现场电气环境比较恶劣的情况;组隔离的次之,组隔离的模拟隔离方案可靠性要高于数字隔离方案,组隔离方案适用于同一组的输入信号来源于同一设备或电气环境;工业现场环境一般不采用不隔离的方案,不隔离的采集方案,一般需要在信号输入前端作隔离处理。

本文探讨了工业生产过程中多通道模拟采集的隔离方案,包括不隔离、组隔离和点隔离三种方式,并对比了它们的优缺点。点隔离方案虽然成本较高,但抗干扰性最好,适用于电气环境恶劣的场合。
658





