文档介绍了杰理 2.4G 蓝牙低延时耳机方案,芯片选型上,USB Dongle 端用 JL7016M 或 JL7086E,能输出 48KHz/16bit 立体声且支持 UAC 免驱,耳机端 TWS 用 JL7083G、立体声用 JL7083F;编码传输解码流程中,上行经 USB 采样、编码后通过 2.4G / 蓝牙传输,下行经解码、DAC 回放出声,TWS 总延时约 20ms、头戴式约 17ms,目前有三种方案,功耗在 20-30mA 左右,硬件设计需注意电容选型、ESD 标准等事项
1、硬杰理2.4g蓝牙低延时耳机方案简介

1、芯片与基础能力:用 JL7016M、JL7086E 芯片做 USB Dongle(类似无线收发 “小尾巴” ),能输出 48KHz/16bit 立体声,还支持 UAC 免驱(插电脑不用装驱动,即插即用 )。
2、编码 - 传输 - 解码流程:
上行(麦克风声音传出去):麦克风采集声音经 USB 采样(约 2.5ms )、编码(约 1ms ),通过 LC3 编码,以 48KHz/16bit 单声道,走 2.4G / 蓝牙传去设备端(比如电脑、手机 )。
下行(设备声音传耳机):设备发的声音,经 LC3 编码成 48KHz/16bit 立体声,无线传给耳机;耳机端用 JL7083G(TWS 耳机)或 JL7083F(立体声耳机 )芯片,先解码(2ms )、再经 DAC 回放(约 7ms ),最终出声。
3、延时表现:把各环节时间加起来,TWS 耳机总延时约 20ms ,头戴式约 17ms (游戏、影音追求低延时,这数值越低体验越好 )。
2、芯片方案分类介绍
【旧的】方案一:7016M-QFN32【dongle】 + 7018F【耳机】---走edr
【新的】方案二:7016M-QFN32【dongle】 + 7083F【耳机】---走C3
【新的】方案三:7086E-QFN32【dongle】 + 7083F【耳机】---走C3
目前分为:头戴电竞耳机,和TWS造型的耳机
其中头戴用:7086E-QFN32【dongle】 + 7083F【耳机】
其中TWS用:7086E-QFN32【dongle】 + 7083G【耳机】
关于功耗:2.4G的功耗是不会低的,20-30mA左右,这个功耗暂时无法解决

3、硬件的大概框图如下:dongle端

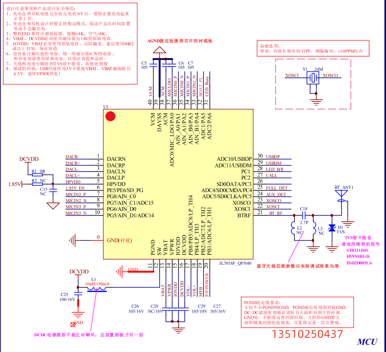
4、硬件的大概框图如下:耳机端

2357

被折叠的 条评论
为什么被折叠?



