- 实验目的及任务
熟悉三类调幅(AM、DSB、SSB)的基本原理,设计AM、DSB仿真电路,观察输出波形。
- 实验原理
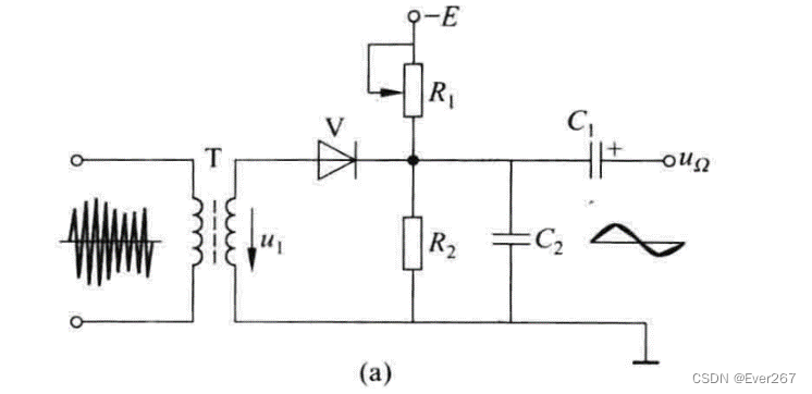
(1)常规调幅AM
振幅调制就是用调制信号去控制高频率的载波信号,使载波的振幅随调制信号的变化规律而变化。所得到的已调波就是调幅波
设载波信号为uc(t)=Ucmcosωct![]()
低频的调制信号为uΩ(t)=UΩmcosΩt
所得调幅波可以表示为:

原理图:
(2)DSB调幅调制和解调
单音调制时,DSB的表达式为
uDSB(t)=AuΩuc=AUΩmcosΩt⋅Ucmcosωct =12AUΩmUcm[cos(ωc+Ω)t+cos(ωc-Ω)t]
-
ui(t)
低通滤波器
ur(t)
uA(t)
uo(t)
组成框图
2)工作原理
|
uA=uiur=UimUrmcosΩtcosωct⋅cosωct =12UimUrmcosΩt1+cos2ωct = 12UimUrmcosΩt |
设输入的DSB 信号 ui=UimcosΩtcosωct
,本地载波信号ur=Urmcosωct
,两者相乘有
用低通滤波器滤除二次谐波,就可得到所需调制信号。
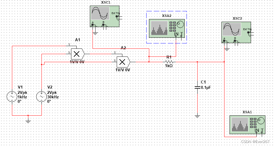
- 实验仿真电路或者实验源程序

常规调幅AM与解调仿真电路
DSB调幅调制与解调仿真电路
四、实验内容与步骤
- 在Multisim仿真软件上画电路图1,并观察解调前和解调后的波形
- 改变V1和V2两个交流电压源的幅值,可观察调幅后的波形幅度发生改变
- 设置调制系数为0.5,改变R1电阻的值,观察对角线失真;设置调制系数为0.7,观察割底失真
- 在Multisim仿真软件上画电路图2,并观察解调前和解调后的波形
五、实验结果分析
1.与原理图比较,分别为哪种调制方法,哪种解调方法
普通调幅调制,大信号检波
2.绘制出信号调制解调前后在时域和频域中的波形,观察两者在解调前后的变化。


解调前

解调后
完整实验报告下载链接
实验报告详细介绍了使用Multisim软件进行AM、DSB调幅及解调的仿真过程。通过电路设计,观察调幅波形的变化,并分析了不同调制系数和电阻值对波形失真的影响。实验中,DSB调制通过低通滤波器实现解调,验证了调制与解调原理。
2万+

被折叠的 条评论
为什么被折叠?



