文章目录
3 整流电路
整流电路是电力电子电路中的基本电路之一。其核心作用是将交流(AC)输入信号转换为直流(DC)输出信号。在实际的电力系统和电子设备中,许多电器元件和设备需要直流电源才能正常工作,比如电子计算机、手机充电器等。而市电一般是交流电,所以整流电路就起到了关键的转换作用。
整流电路有多种分类方式,具体如下:
- 按组成器件分类
- 不可控整流电路:完全由不可控二极管组成,电路结构确定后,其直流整流电压和交流电源电压值的比固定不变。
- 半控整流电路:由可控元件和二极管混合组成,负载电源极性不能改变,但平均值可以调节。
- 全控整流电路:所有整流元件都是可控的,如SCR、GTR、GTO等,其输出直流电压的平均值及极性可通过控制元件的导通状况来调节,功率可双向传输。
- 按电路结构分类
- 桥式整流电路:由四个二极管组成,实际上是由两个半波电路串联而成,又称全波电路,应用广泛。
- 零式整流电路:指带零点或中性点的电路,又称半波电路。其特点是所有整流元件的阴极或阳极都接到一个公共接点,向直流负载供电,负载的另一根线接到交流电源的零点。
- 按交流输入相数分类
- 单相整流电路:用于小功率整流器,分为半波整流、全波整流、桥式整流及倍压整流电路等。
- 多相整流电路:常见的是三相整流电路,适用于负载容量较大,或要求直流电压脉动较小的情况,包括三相半波可控整流电路、三相半控桥式整流电路和三相全控桥式整流电路等。随着整流电路功率增大,还可采用十二相、十八相、二十四相,乃至三十六相的多相整流电路。
- 按变压器二次侧电流方向分类
- 单拍电路:所有半波整流电路都是单拍电路,变压器二次侧电流单向流动。
- 双拍电路:所有全波整流电路都是双拍电路,变压器二次侧电流双向流动。
- 按控制方式分类
- 相控式整流电路:通过控制触发脉冲的相位来控制直流输出电压高低。
- 斩波式整流电路:利用晶闸管和自关断器件来实现通断控制,将直流电源电压断续加到负载上,通过通、断时间的变化来改变负载电压平均值,也称直流-直流变换器,分为降压斩波器、升压斩波器和复合斩波器三种。
3.1 单相整流
3.1.1 单相半波整流电路

输出平均电压

应用

3.1.2 单相桥式整流电路

整流电路就是将交流转为直流。


参数计算

其中,
V
2
V_2
V2就是有效值。
脉动系数
流过负载的电压的傅里叶分析中。谐波分量中的二次谐波幅值最大,最低次谐波幅值与平均值的比值称为脉冲系数S。

单相桥式整流电路的负载特性曲线

3.1.3 单相全波整流电路
变压器的副边中心抽头感应出两个相等的电压
v
2
v_2
v2。


3.2 三相整流
以下是三相整流的适用场景,以及相对于单相整流的不同情况:
- 从功率需求角度:当负载功率较大,如几百千瓦甚至更高时,三相整流由于能够利用三相电源的功率,可提供比单相整流大得多的功率,此时应选择三相整流。对于小功率需求,如几瓦到几十瓦的电子设备,像手机充电器、小型台灯等,单相整流足以满足,且电路简单、成本低。
- 从电压稳定性角度:对电压稳定性要求高的场合,如通信基站、数据中心等,三相整流输出电压波动小,能提供更稳定的直流电压,应优先考虑。如果对电压稳定性要求不高,如一些简单的照明电路,单相整流的电压波动在可接受范围内。
- 从效率角度:三相整流效率通常比单相整流高,在需要高效转换电能的场合,如大型电力电子设备、工业自动化生产线等,为了降低能耗、提高能源利用率,三相整流更合适。对于一些对效率要求不特别高的小型设备,单相整流的低效率不会带来明显影响。
- 从成本角度:三相整流电路结构复杂,需要更多的元器件,成本较高。若系统对成本控制严格且功率、性能要求不高,单相整流因成本低更具优势。但在对成本不敏感,追求高性能、高可靠性的大型系统中,三相整流的高成本可被其性能优势所弥补。
3.2.2 三相桥式整流电路


三相桥式不控整流电路的输出电压公式如下:
- 电阻性负载和电感性负载:输出直流电压平均值 U d = 2.34 U 相 = 1.35 U 线 U_d = 2.34U_{相}=1.35U_{线} Ud=2.34U相=1.35U线,其中 U 相 U_{相} U相是输入三相交流电的相电压有效值, U 线 U_{线} U线是线电压有效值。
- 考虑触发脉冲相位角:输出直流电压平均值 U d = 2.34 U 相 cos α U_d=2.34U_{相}\cos\alpha Ud=2.34U相cosα, α \alpha α为触发脉冲相位角,在不控整流时 α = 0 ∘ \alpha = 0^{\circ} α=0∘,此时 U d = 2.34 U 相 U_d = 2.34U_{相} Ud=2.34U相。
- 三相桥式整流电路输入电压的基本形式
- 设三相交流电源相电压的表达式分别为:
- u a = U m sin ( ω t ) u_a = U_m\sin(\omega t) ua=Umsin(ωt)
- u b = U m sin ( ω t − 12 0 ∘ ) u_b = U_m\sin(\omega t - 120^{\circ}) ub=Umsin(ωt−120∘)
- u c = U m sin ( ω t + 12 0 ∘ ) u_c = U_m\sin(\omega t + 120^{\circ}) uc=Umsin(ωt+120∘)
- 其中 U m U_m Um是相电压幅值, ω \omega ω是角频率。
- 设三相交流电源相电压的表达式分别为:
- 分析整流过程
- 对于三相桥式不控整流电路,在任何时刻,共阴极组和共阳极组中各有一个二极管导通。
- 以线电压为例,线电压 u a b = u a − u b = 3 U m sin ( ω t + 3 0 ∘ ) u_{ab}=u_a - u_b=\sqrt{3}U_m\sin(\omega t + 30^{\circ}) uab=ua−ub=3Umsin(ωt+30∘), u b c = u b − u c = 3 U m sin ( ω t − 9 0 ∘ ) u_{bc}=u_b - u_c=\sqrt{3}U_m\sin(\omega t - 90^{\circ}) ubc=ub−uc=3Umsin(ωt−90∘), u c a = u c − u a = 3 U m sin ( ω t + 15 0 ∘ ) u_{ca}=u_c - u_a=\sqrt{3}U_m\sin(\omega t + 150^{\circ}) uca=uc−ua=3Umsin(ωt+150∘)。
- 一个周期内,6个二极管依次轮流导通,每个二极管导通 1 / 3 1/3 1/3周期。
- 推导输出电压平均值(以线电压为例)
- 输出电压 u d u_d ud在一个周期内是由6个线电压的部分波形组成的。
- 对一个周期内的输出电压进行积分求平均值。一个周期内输出电压平均值 U d U_d Ud的计算公式为 U d = 1 2 π ∫ 0 2 π u d ( ω t ) d ( ω t ) U_d=\frac{1}{2\pi}\int_{0}^{2\pi}u_d(\omega t)d(\omega t) Ud=2π1∫02πud(ωt)d(ωt)。
- 由于线电压是
3
U
m
sin
(
ω
t
+
φ
)
\sqrt{3}U_m\sin(\omega t+\varphi)
3Umsin(ωt+φ)的形式(
φ
\varphi
φ是不同线电压的相位角),在
1
/
3
1/3
1/3周期内积分可得:
- 对于线电压 u a b u_{ab} uab,在其导通的 1 / 3 1/3 1/3周期内(从 ω t = 3 0 ∘ \omega t = 30^{\circ} ωt=30∘到 ω t = 9 0 ∘ \omega t = 90^{\circ} ωt=90∘),积分 3 2 π ∫ 3 0 ∘ 9 0 ∘ 3 U m sin ( ω t + 3 0 ∘ ) d ( ω t ) \frac{3}{2\pi}\int_{30^{\circ}}^{90^{\circ}}\sqrt{3}U_m\sin(\omega t + 30^{\circ})d(\omega t) 2π3∫30∘90∘3Umsin(ωt+30∘)d(ωt)。
- 根据积分公式
∫
sin
(
A
x
+
B
)
d
x
=
−
1
A
cos
(
A
x
+
B
)
+
C
\int\sin(Ax + B)dx=-\frac{1}{A}\cos(Ax + B)+C
∫sin(Ax+B)dx=−A1cos(Ax+B)+C,对上述积分进行计算:
- 令 A = 1 A = 1 A=1, B = 3 0 ∘ B = 30^{\circ} B=30∘,可得 3 2 π [ 3 U m ( − cos ( ω t + 3 0 ∘ ) ) ] 3 0 ∘ 9 0 ∘ \frac{3}{2\pi}[\sqrt{3}U_m(-\cos(\omega t + 30^{\circ}))]_{30^{\circ}}^{90^{\circ}} 2π3[3Um(−cos(ωt+30∘))]30∘90∘。
- 计算结果为 3 3 π U m × 3 2 = 9 2 π U m \frac{3\sqrt{3}}{\pi}U_m\times\frac{\sqrt{3}}{2}=\frac{9}{2\pi}U_m π33Um×23=2π9Um。
- 又因为 U 线 = 3 U 相 = 3 U m 2 U_{线}=\sqrt{3}U_{相}=\sqrt{3}\frac{U_m}{\sqrt{2}} U线=3U相=32Um,则 U m = 2 U 线 / 3 U_m=\sqrt{2}U_{线}/\sqrt{3} Um=2U线/3。
- 将 U m U_m Um代入上式可得 U d = 1.35 U 线 U_d = 1.35U_{线} Ud=1.35U线。
- 若以相电压来表示,因为 U 线 = 3 U 相 U_{线}=\sqrt{3}U_{相} U线=3U相,则 U d = 2.34 U 相 U_d = 2.34U_{相} Ud=2.34U相。
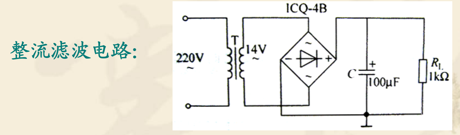
滤波电路
整流滤波电路——电容

在负载两段并联了一个电容。




这就基本说明
C
R
L
CR_L
CRL越大,电压放电越慢了,此时
d
u
d
t
<
0
\frac{du}{dt}<0
dtdu<0。


电容的滤波计算比较难,工程上有校为准曲线,一般采用以下近似估算:

外特性

电容输出电压随着负载电流增大而减小。

空载特性

整流滤波电路——电感


整流滤波稳压电路
引起输出电压变化的原因是输入电压或者是负载电流的变化。
- 负载电流的变化会在整流电源内阻上产生电压压降,从而使输入电压发生变化。


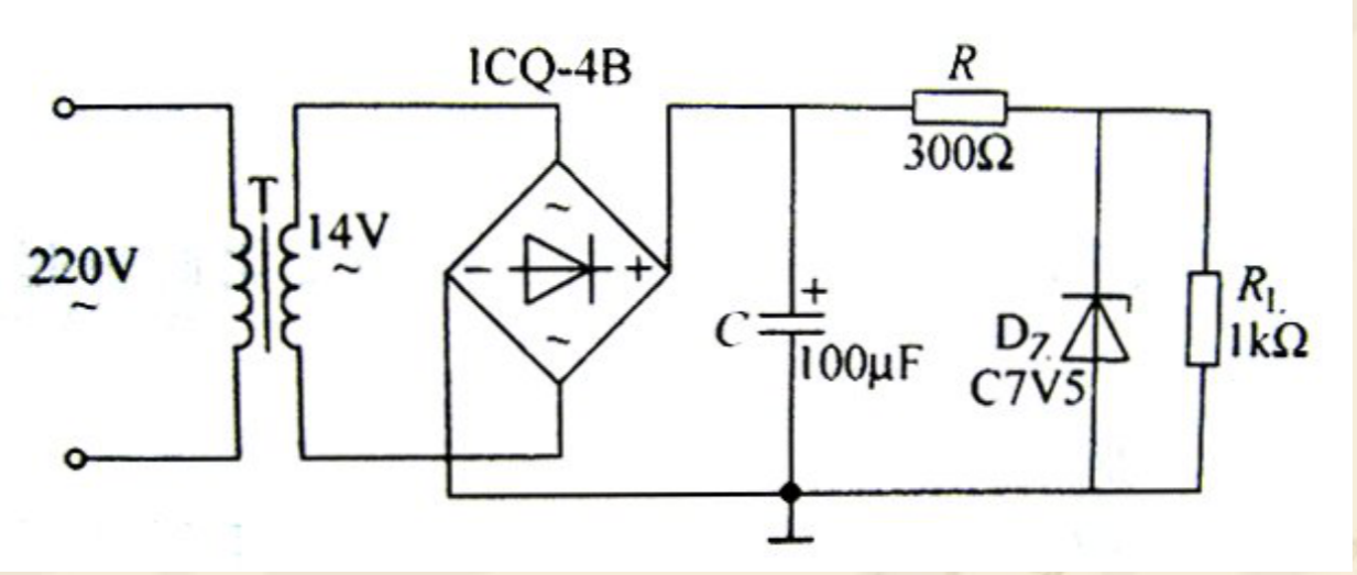
硅稳压二极管




串联式稳压电源

稳压电源型号

稳压电阻

线性串联型稳压电源



计算稳压电源的等效内阻
R 0 = R L ( U O C − U L ) U L R_0 = \frac{R_L(U_{OC}-U_L)}{U_L} R0=ULRL(UOC−UL)
5 直流直流变流电路
5.0 简介
直流直流变流电路(DC-DC Converter)的功能是将直流电变为另一固定电压或者可调电压的直流电。
- 斩波电路:直接直流变流电路,将直流电变为另一固定电压或可调电压的直流电,输入与输出之间不隔离
- 间接直流变流电路:在直流变流电路中加入了交流环节。在交流环节中使用变压器实现输入输出之间的隔离。直-交-直。
5.1 基本斩波电路
基本都电路类型

5.1.1 降压斩波电路 Buck Chopper
降压斩波电路如下图所示,起英文名称为Buck变换器(buck converter),单相 BUCK 型 DC-DC 变换器原理图

斩波电路主要用于电子电路的供电电源、也可拖动直流电动机或带蓄电池负载。

电路各部分解析

续流二极管:
- 传统 BUCK 变换器续流管由导通内阻小的肖基特二极管充当。
- 同步整流技术采用 MOSFET 取代传统续流二极管。
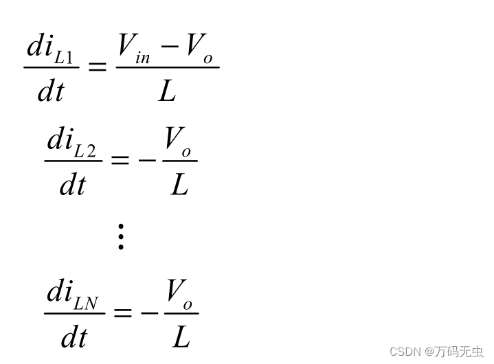
当上边管 S1 导通, 下边管 S2 断开时, 电感电容充电储存能量, 负载电流由输入电源 V i n V_ {in} Vin 提供。
根据基尔霍夫定律以及小纹波近似可得电感两端的电压为:

电感电压与电感电流变化率又存在如下关系

电感电流变化率为

当上边管 S1 断开, 下边管 S2 导通时, 由于电感电流不能突变, 电感会产生反偏电动势, 此时负载电 流由电感和电容提供,电感两端电压为:
电感电流变化率为:

可以得出整个周期内电感电流随着时间变化的波形图

T on 表示开关闭合的时间, T off 表示开关断开的时间, T 为开关的周期。 当开关变换器工作在稳态时, 由伏秒平衡可知, 在一个开关周期内, 平均电感电压为零。
当 BUCK 变换器工作在周期性稳态时, 输出电压
V
O
V _O
VO为

很容易得出占空比 D 总是小于 1, 因此输出电压总是小于输入电压。
5.1.1.1 小纹波近似
其输出电压波形为:
- 低通滤波器也有少量的高频纹波。


小纹波近似即,相对于直流分量 V 来说, v r i p p l e ( t ) v_{ripple}(t) vripple(t) 是远小于的,所以近似认为
- v(t)≈V

5.1.1.3 伏秒平衡

伏秒原则,又称伏秒平衡,是指开关电源稳定工作状态下,加在电感两端的电压乘以导通时间等于关断时刻电感两端电压乘以关断时间,或指在稳态工作的开关电源中电感两端的正伏秒值等于负伏秒值。
在一个周期 T 内, 电感电压对时间的积分为 0。
5.1.1.2 降压斩波原理

电压关系

斩波电路三种控制方式

5.1.1.3 BUCK运行工况

连续模式






5.1.2升压斩波电路
又称Boost电路
5.1.2.0 Boost电路基本工作原理


升压型DC - DC变换器输入输出电压关系的公式为: V o u t = V i n 1 − D V_{out}=\frac{V_{in}}{1 - D} Vout=1−DVin,其中 V o u t V_{out} Vout是输出电压, V i n V_{in} Vin是输入电压, D D D是占空比。
- 占空比 D D D 的含义:占空比是指开关元件导通时间与整个周期时间的比值,其值范围从 0 0 0到 1 1 1。
- 公式推导原理:在升压变换器中,当开关元件导通时,输入电压 V i n V_{in} Vin 加在电感上,电感电流线性上升,电感储存能量;当开关元件断开时,电感电流不能突变,电感产生反向电动势,与输入电压叠加后通过二极管向电容和负载供电,从而实现升压功能。根据电感在一个周期内电流上升量等于下降量的伏秒平衡原理,可以推导出上述输入输出电压关系公式。
- 举例说明:假设输入电压 V i n = 5 V V_{in}=5V Vin=5V,占空比 D = 0.6 D = 0.6 D=0.6,则根据公式可得输出电压 V o u t = 5 1 − 0.6 = 5 0.4 = 12.5 V V_{out}=\frac{5}{1 - 0.6}=\frac{5}{0.4}=12.5V Vout=1−0.65=0.45=12.5V 。

5.1.2.1 Boost电路运行状态

5.1.2.2 Boost电路特点

5.1.3 Buck-Boost电路
Buck-Boost电路就是可升降电压电路。

5.1.3.1 Buck-Boost工作原理


5.1.3.2 Buck-Boost工作状态

5.1.4 Cuk变换电路


5.1.4.1 基本工作原理

5.1.4.2 Cuk电路工作状态

5.2 调压方式

5.3 隔离电路

5.3.1 隔离变压器

5.3.2 隔离变压器分类

5.3.3 反激变换器

5.3.4 正激变换器

5.4 1. 两电平电压源型换流器
1. 基本概念
- 两电平电压源型换流器(Two - Level Voltage - Source Converter,VSC)是一种在电力电子领域广泛应用的换流器。它的基本原理是通过控制功率半导体开关器件(如IGBT等)的导通和关断,将直流电压转换为交流电压,或者相反,并且输出电压只有两个电平,即正电平和负电平。
- 电路结构
- 主电路:主要由直流侧电容、多个功率开关器件和交流侧连接电抗器等组成。以三相两电平VSC为例,它有六个功率开关器件(IGBT),通常构成三个桥臂,每个桥臂上下各有一个开关。直流侧的两个电容串联,连接点为中性点。交流侧通过电抗器连接到电网或负载。
- 开关状态:每个桥臂上下两个开关器件互补导通,即一个导通时另一个关断。这样,通过不同桥臂开关器件的组合,可以得到不同的交流输出电压状态。例如,当某一相桥臂的上管导通、下管关断时,该相输出为正电平(一般为直流侧电压的一半);当上下管状态相反时,输出为负电平。
- 工作原理
- 直流 - 交流变换(逆变)过程:在逆变模式下,通过合适的脉冲宽度调制(PWM)技术控制开关器件的导通和关断时间。以正弦波脉宽调制(SPWM)为例,将一个正弦参考信号与一个高频三角载波信号进行比较,根据比较结果来生成控制开关器件的脉冲信号。当参考信号大于载波信号时,对应的上管导通,输出正电平;反之,下管导通,输出负电平。这样,在交流侧就可以得到近似正弦的电压波形。
- 交流 - 直流变换(整流)过程:在整流模式下,其工作原理与逆变过程类似,但控制策略稍有不同。通过控制开关器件,使交流输入电流跟踪交流输入电压的相位和幅值,从而实现将交流电压转换为直流电压,并对直流侧电容进行充电。
- 数学模型
- 交流侧输出电压方程:以三相VSC为例,假设直流侧电压为(V_{dc}),在abc坐标系下,某一相输出电压(u_{n}(n = a,b,c))可以表示为(u_{n}=\frac{S_{n}}{2}V_{dc}),其中(S_{n})是开关函数,当该相上管导通、下管关断时(S_{n}=1),反之(S_{n}=-1)。
- 交流侧电流动态方程:在忽略开关器件损耗和电抗器电阻的情况下,根据基尔霍夫电压定律,交流侧电感(L)上的电压(u_{Ln})等于输出电压(u_{n})减去电网电压(e_{n}),即(u_{Ln}=L\frac{di_{n}}{dt}=u_{n}-e_{n}),其中(i_{n})是交流侧电流。
- 控制策略
- 电压控制:主要目的是控制直流侧电压稳定。通过测量直流侧电压与参考电压进行比较,误差信号经过控制器(如PI控制器)产生调制信号,用于控制开关器件的导通和关断,以调节交流侧输出功率,从而使直流侧电压保持稳定。
- 电流控制:用于控制交流侧电流,使它能够跟踪给定的电流参考信号。常用的电流控制方法有滞环电流控制、预测电流控制等。例如,在滞环电流控制中,通过设置一个电流滞环带,当实际电流与参考电流的差值超出滞环带时,改变开关器件的状态,使电流回到滞环带内。
- 应用领域
- 可再生能源并网:在太阳能光伏发电系统和风力发电系统中,两电平VSC用于将光伏电池或风力发电机产生的直流电转换为交流电,并与电网实现高效、稳定的并网连接。
- 柔性交流输电系统(FACTS):用于实现无功补偿、电压调节等功能,提高输电系统的稳定性和电能质量。例如,静止无功发生器(SVG)就是基于VSC技术的一种FACTS装置,它可以快速地向电网注入或吸收无功功率,调节电网电压。
- 高压直流输电(HVDC):在轻型直流输电(VSC - HVDC)系统中,两电平VSC作为换流器,实现直流输电,并且可以独立控制有功功率和无功功率,具有更好的灵活性和可控性。
11 DC-DC 变换器数字控制
数字控制是指数字处理器通过控制算法, 将数字量进行运算操作, 输出所需要控制信号如 PWM 信号
- 不需要传统模拟 PWM 比较器。
11.1 基于单片机控制
基于单片机控制的 DC-DC 变换器可以分为两种方式, 直接控制和间接控制。
- 间接控制方法为单片机需要通过外接 ADC 芯片进行采样, 然后对这些采样数据进行运算处理, 再把处理结果通过 DAC 芯片传到 PWM 芯片中, 实现单片机对开关管的间接控制。
- 直接方法为单片机直接输出 PWM 信号, 不经过 PWM 芯片。
11.2 基于 DSP 控制
DSP 芯片一般都集成了 PWM 模块和 ADC 模块
- 采样和数据处理都能在芯片内部完成, DSP 芯片直接输出 PWM 信号。
- DSP 输出的 PWM 信号不足以驱动功率开关管, 只要增加一片驱动芯片即可。
11.3 基于 FPGA 控制
FPGA 不仅容量大, 而且逻辑功能强大。
- 其指令不是一条一条执行的, 而是并发执行的, 它具有高速、 高可靠性。
- 相比 DSP 控制器, 基于 FPGA 实现的 DC-DC变换器输出纹波更低, 鲁棒性更好。
- 由于 FPGA 是并行运算, 因此其计算时间要比 DSP 短很多, 可设计出更高性能的 DC-DC 变换器。
12 多相交错并联拓扑结构
12.1 多相交错并联
同步整流多相交错并联 BUCK 型 DC-DC变换器拓扑结构如图
单相变换器只需要一路驱动信号, 多相交错并联由多路驱动信号驱动多相, 每个驱动信号驱动每一相
- 多相交错并联并不是简单的并联, 而是每一相的驱动信号频率相同, 相位错开360/N, N 为相位数。
12.1 多相交错并联纹波
参数
- 相位数 N
- 每一相的占空比 D
- 设每一相开关频率为 F, 周期为 T, 均为恒定的。
根据 D 与 N 的乘积, 可以分为三种情况
- N • D 小于 1
- N • D 为整数
- N • D 大于 1 且不为整数
当 N • D<1 时, 每一相上边管的闭合时间总是与其他相上边管闭合时间是错开的

在(0, DT) 时间内 N 相支路电流叠加后总的输出电流变率为:

在(DT, T/N) 时间内, N 相上边管都处于断开状态
在每个周期(0, T/N) 时间内, 总的输出电流变化率为

13 锁相环
锁相环 (PLL) 是闭环负反馈控制系统,它能够将两个周期性信号的相位保持在确定的相位关系中。
- PLL是用于检测和跟踪输入信号的频率和相位,并将其转换为一个稳定的输出信号的技术。
- 它可以用来改变输入信号的频率,以达到某种特定的目的。
13.1 锁相环模块
鉴相器
鉴相器接收两个周期性输入信号并输出两者的相对相位差。通常,在两个输入信号中,其中一个信号由锁相环内部生成,如图中左半边所示。
PID 控制器
PID控制器从自定义的设定点中减去相位差,生成误差信号。随后,从误差信号中计算出反馈信号,由三个值组成,即比例 §、积分 (I) 和导数 (D),。
可调信号源
该组件接收来自 PID 控制器的反馈信号,并在此基础上调频,以改变鉴相器的相位差,使其符合 PID 的设定点。通常情况下,可调信号源可以是数字或压控振荡器(NCO 或 VCO),不过,整个激光系统也可以充当信号源。


14 坐标变换
14.1 坐标变换公式
14.1.1 Clark变换
Clarke变换又称三二变换,即从三相坐标系转到两相坐标系。
14.1.1.x 等幅值变换
为了方便地实现T3s/2s逆变换,引入一个不平衡量,从而将变换矩阵修改为可逆矩阵。
- 当三相电压存在不平衡分量时满足u0=1/3(ua+ub+uc)。


14.1.1.x 等有效值变换
指坐标变换后在2s中合成矢量的幅值等于三相相电压的有效值。等有效值变换在国内不常见,但被国外西门子等公司使用。

14.1.1.x 等功率变换
指坐标变换前后功率相等。

同一坐标系下,电压和电流的变换矩阵是相同的,因此可以得到:


经过等功率变换以后得到的2s合成矢量幅值变为3s合成矢量幅值的sqrt(3)/sqrt(2),也可以理解成2s合成矢量的幅值等于3s线电压的有效值。在2s以及旋转坐标系2r中,功率可以直接用电压乘以电流,不用再换算系数。

14.1.2 两相静止坐标系
引入αβ坐标系(两相静止坐标系,2s),α轴和β轴正交,选定α轴与A方向重合,如下图所示。

三相电压合成矢量在两相静止坐标系中可以由两个正交矢量合成


同一个三相电压合成矢量在3s坐标系和2s坐标系中是等价变换的。此时可以看到2s坐标系中两个正交矢量的幅值为3/2Vm是3s坐标系中三个矢量幅值的1.5倍。
Clark变换可以表示为矩阵形式:


T3s/2s的推导可以通过矢量投影长短得到,也可以通过下式得到:

推导过程:


等幅值与等功率例子1


可以看出:电压矢量经过恒幅值变换后,长度依然为OS。而经过恒功率变换后,电压矢量变为OS’,幅值变大。
例子2


可以看出:采用恒功率变换得到的功率与变换前的功率一致,都是36。而采用恒幅值变换后的功率为24,这是因为我们把三相坐标转换为两相坐标。在功率的计算上少了一相,因此功率变为原有的2/3。
14.1.1.1 应用
在实际电路分析中,往往针对幅值计算的较多,功率计算的较少。因此常采用恒幅值变换,只是在计算功率时,在换算的结果后乘以3/2就可以了。
14.1.2 Park变换
Park变换又称旋转变换或dq变换,即从静止坐标系转换成旋转坐标系。


由于2r坐标系与三相电压合成矢量同步旋转,因此其旋转角速度等于三相电压角速度ω。
在dq坐标轴里,根据d轴和q轴的相位关系、d轴或者q轴与α轴夹角这两个条件,一共有四种变换形式


第一种变换方法q轴超前d轴90°,旋转坐标系的相角θ定义为d轴与α轴夹角。
第二种变换方法q轴超前d轴90°,旋转坐标系的相角θ定义为q轴与α轴夹角,也有把旋转坐标系的相角θ定义为d轴与β轴负方向夹角,这两种定义实质上是等价的所以归为一种。
第三种变换方法d轴超前q轴90°,旋转坐标系的相角θ定义为d轴与α轴夹角。
第四种变换方法d轴超前q轴90°,旋转坐标系的相角θ定义为q轴与α轴夹角。
以上四种变换方法本质上是等价的,第一种变换方法在国内最常见到。
14.1.2.x 第一种Park变换
变换矩阵的推导可以通过将ud和uq分别投影到α轴和β轴得到:



从3s到2r的坐标变换可以表示为

其中T2s/2r为Park变换矩阵。引入不平衡分量时满足u0=1/3(ua+ub+uc)。

由于Clark变换矩阵有等幅值、等有效值和等功率三种形式,所以第一种Park变换也就有三种对应形式。

以等幅值Clark+第一种Park变换为例,再来看一下Park变换以后的结果:

可以看到在理想三相电压平衡并且幅值保持不变的情况下,ud和uq分别为相角φ和θ之差的余弦值和正弦值。
如果旋转坐标系的旋转速度可以和三相电压合成矢量的旋转速度ω保持同步,那么意味着φ和θ之差保持不变,那么ud和uq也就变成了直流量。
更进一步,如果旋转坐标系通过调整相角差使得θ=φ,那么此时ud=Vm,uq=0,这就是锁相PLL的基本原理。
- 如果是等有效值,那么ud等于相电压有效值Vm/sqrt(2);
- 如果是等功率变换,那么ud等于线电压有效值Vm×sqrt(3/2)。
14.1.2.1 应用
在Park变换中,只需要注意一点,就是定向问题。就是确定旋转轴d轴的方向。针对不同的控制目标,往往会有不同的定向策略。
- 对电动机控制来说,就有基于定子磁场定向与转子磁场定向的方法;
- 对于三相电路而言,就有基于定子电压定向及虚拟磁链定向的方法。
另一方面,通过坐标变换实际上使三相有功功率和无功功率得到了解耦,从而使得有功和无功功率控制可以分别进行
14.1.3 电流内环控制器
三相换流器结构



PCS
pcs是储能变流器,英语Power Conversion System-简称PCS。
- PCS可控制蓄电池的充电和放电过程,进行交直流的变换,在无电网情况下可以直接为交流负荷供电。
储能电站在充电时需要从电网吸收能量,而在放电时则需要向电网输出能量。
本文详细介绍了直流直流变流电路的基本原理,包括斩波电路(如BuckChopper)的降压和升压操作,以及数字控制技术(如单片机、DSP和FPGA的应用)。讨论了多相交错并联拓扑结构的优势,以及锁相环在频率和相位同步中的关键作用。最后提到了PCS(PowerConversionSystem)在储能系统中的重要角色。
941

被折叠的 条评论
为什么被折叠?



