推荐查看原文:
在音视频领域,常见的通信接口有DVI接口、HDMI接口、VGA接口。现在应用最为广泛的时HDMI接口,但是DVI接口也有着独特优势。DVI接口最高的传输速率可达8G/s,可是失效分辨率高达1920*1080,今天我们主要讨论的时DVI接口。

2 DVI接口的定义
DVI即数字视频接口,是一种高速传输数字信号的技术。DVI接口有多种规范,常见的有DVI-A、DVI-D和DVI-I。
- DVI-A
DVI-A ( A= Analog ) 是模拟信号接口, 只能去接 DVI-A 或者 VGA 接口的信号。

- DVI-D
DVI-D ( D= Digital ) 是数字信号接口, 只能去接 DVI-D 接口的信号。

- DVI-I
DVI-I ( I = A+D = Integrated ) 含及上述两个接口, 在管脚定义上有明显的区分。

说明:
- 当 DVI-I 接VGA时,就是起到了DVI-A 的作用 。
- 当DVI-I接 DVI-D时,只起了DVI-D的作用。
3 DVI-I单通道与双通道
| 通道 | 引脚个数 | 最大带宽 | 支持分辨率 |
| 单通道 | 18 | 168MHz | 1920 x 1080@ 60 Hz,1280 x 1024@ 85 Hz |
| 双通道 | 24 | 2*168MHz | 2048 x 1536@60 Hz,1920 x 1080@85 Hz |
4 PIN脚说明

其中,包含了6对数据 + 1对时钟 + 4根屏蔽线+电源(+5V和GND) + HPD(热拔插检测) + DDC通道 + C1~C5。前面的信号与HDMI类似,下面详细说明一下C1~C5的功能:
| 符号 | 颜色/名称 | 描述 |
| C1 | Analog Red | 模拟视频信号 三基色信号线中的红 |
| C2 | Analog Green | 模拟视频信号 三基色信号线中的绿 |
| C3 | Analog Blue | 模拟视频信号 三基色信号线中的蓝 |
| C4 | Analog H(Horizontal) | sync 模拟视频信号(水平扫描) 行同步信号 |
| PIN8 | Analog V(Vertical) | sync 模拟视频信号 (垂直扫描) 场同步信号 |
| C5 | Analog Ground | 模拟视频信号 地线 |
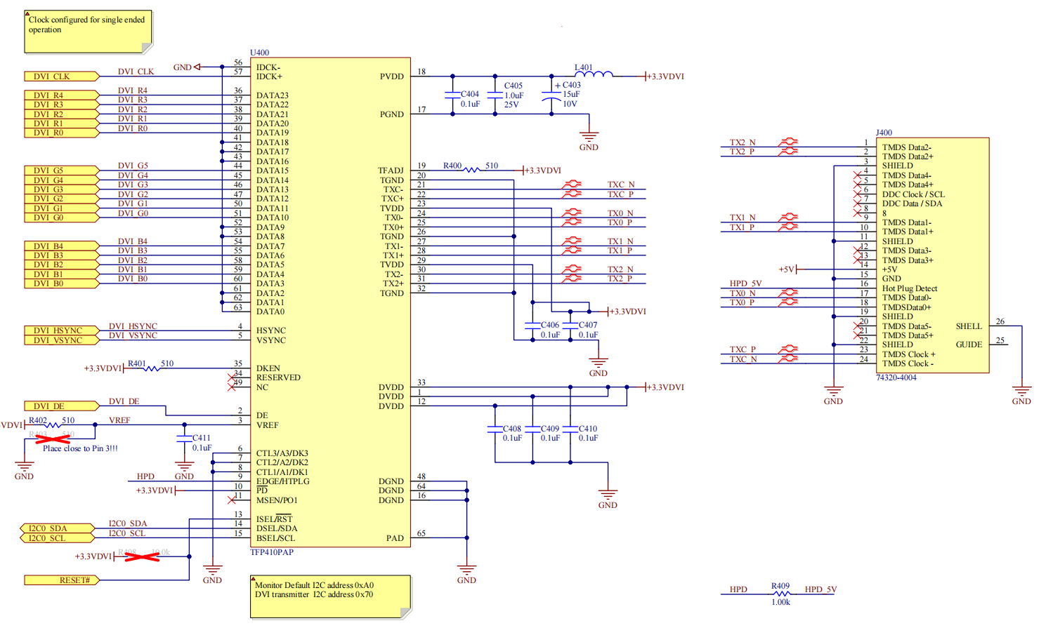
5 硬件电路实战

6 DVI的优势
- 速度快
DVI传输的是数字信号,数字图像信息在传输过程中不需经过任何转换,就会直接被传送到显示器上,因此会减少了数字-模拟-数字繁琐的转换过程,大大节省了时间,因此它的速度更快,有效消除拖影、卡顿现象,而且使用DVI进行数据传输,信号没有衰减,色彩更纯净,更逼真。
- 画面清晰
数字信号,避免了模/数转换过程,信号没有衰减,色彩更纯净、逼真。
举个例子,在使用VGA接口的连接显示器需要先把信号通过显卡中的D/A(数字/模拟)转换器转变为R、G、B三原色信号和行、场同步信号,还需要相应的A/D(模拟/数字)转换器将模拟信号再一次转变成数字信号才能在显示器上显示出图像来。这也就是数字-模拟-数字的过程。
在上述的VGA接口在D/A、A/D转换和信号传输过程中不可避免会出现信号的损失和受到干扰,导致图像出现失真甚至显示错误,而DVI接口无需进行这些转换,避免了信号的损失,是图像的清晰度和细节表现力都得到了大大提高。
DVI接口是一种高速数字视频传输技术,具有8G/s的最高传输速率和高分辨率支持。与HDMI相比,DVI的独特优势在于其数字信号传输,减少转换过程,提高速度,消除图像拖影和卡顿,确保更纯净、逼真的画面质量。DVI接口分为DVI-A、DVI-D和DVI-I,其中DVI-I兼容模拟和数字信号。双通道DVI-I能支持更高的带宽和分辨率。
https://mp.weixin.qq.com/s/oNhB2JCNSHkr12zdljV8qg
546





